Umístění závitové spojky výztuže

Spojte překryté nebo přilehlé instance výztuží se závitovou spojkou.

Videofilm: Umístění závitových spojek výztuží

  1. Klikněte na kartu Konstrukce panel Výztuž (Závitová spojka výztuže).
  2. Umístění závitové spojky určete kliknutím na následující možnosti:
    • Karta Upravit | Vložit závitovou spojku výztuže panel Možnosti umístění (Umístit na konec tyče)
    • Karta Upravit | Vložit závitovou spojku výztuže panel Možnosti umístění (Umístit mezi dvě tyče)
  3. V seznamu Výběr typu v horní části palety Vlastnosti vyberte požadovaný typ závitové spojky výztuže. Velikost závitové spojky výztuže bude automaticky upravena tak, aby odpovídala tyčím, které se pokoušíte připojit, nebo aby odpovídala velikostem, které jste nastavili pro již připojené tyče. Pokud v projektu neexistuje odpovídající typ závitové spojky, bude vytvořen nový typ závitové spojky.
  4. Umístěte závitovou spojku na výztuž.
    • Pokud chcete závitovou spojku umístit na konec tyče, vyberte požadovaný konec výztuže.
    • Pokud chcete závitovou spojku umístit mezi dvě tyče, vyberte dvě platné instance výztuží. Druhá vybraná tyč bude podle požadavků závitové spojky přemístěna a zkrácena.
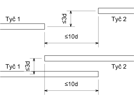
      Chcete-li spojit dvě instance výztuží závitovou spojkou, nesmí být vzdálenost připojovaných konců větší než deset průměrů tyčí. Vzájemné odsazení tyčí nesmí překračovat vzdálenost tří průměrů tyčí.

      Tolerance umístění závitové spojky

Umístění závitové spojky výztuže mezi obloukové tyče

Chcete-li mezi dvě obloukové tyče umístit závitovou spojku výztuže, tyto dvě tyče musí mít stejný střed.


Ne-tečna.

Tečna.

Ne-tečna.

Tip: Chcete-li propojit tyče, které nejsou zarovnané, přidejte k jedné z tyčí závitovou spojku a změňte zakončení na druhou tyč, aby bylo možné ji k připojení závitové spojky vyrobit.