Konfigurieren Sie den Monowills-Paneel-Handlauf mithilfe der Einstellungen im entsprechenden Eigenschaftendialogfeld.
| Einstellung | Beschreibung |
|---|---|
| Registerkarte Allgemein | |
| Handlauftyp | Gibt den Handlauftyp an, der die Rohrgrößen, die Materialfestigkeit und andere Einstellungen festlegt. |
| Konstruktionstyp |
Gibt den Konstruktionstyp an, entweder:
|
| Verlängerung bei Mittelschiene | Gibt den Abstand an, über den sich die Mittelschiene in die Standardabschlussbiegung hinein erstreckt.
![]() |
| Schweißnahttyp | Gibt den Schweißnahttyp an, der aus der Dropdown-Liste ausgewählt wird. |
| Schweißnahtgröße | Gibt die Dicke der Schweißnaht an. |
| Eckentoleranz | Gibt den Mindestwert für den Versatz der Ecke an, der für die Erstellung eines Eckpaneels erforderlich ist. |
| Registerkarte Schrauben | |
| Schrauben: | |
| Standard | Gibt die Schraubennorm an, die aus der Dropdown-Liste ausgewählt wird. |
| Festigkeit | Gibt den Wert der Schraubenfestigkeit an. |
| Durchmesser | Gibt den Wert des Schraubendurchmessers an. |
| Hauptteil | Gibt die Schraubengarnitur für die Verbindung an, die aus der Dropdown-Liste ausgewählt wird. Beispiel: Mu2S = Mutter und zwei Scheiben. |
| Schraubenabstand | Gibt den Schraubenabstand an. |
| Trittplattenschrauben: | |
| Standard | Gibt die Schraubennorm an, die aus der Dropdown-Liste ausgewählt wird. |
| Festigkeit | Gibt den Wert der Schraubenfestigkeit an. |
| Durchmesser | Gibt den Wert des Schraubendurchmessers an. |
| Hauptteil | Gibt die Schraubengarnitur für die Verbindung an, die aus der Dropdown-Liste ausgewählt wird. Beispiel: Mu2S = Mutter und zwei Scheiben. |
| Abstand Trittplattenschrauben | Gibt den Abstand der Trittplattenschrauben an. |
| Trittplattenfixierung |
Gibt an, wo die Trittplatte montiert ist:
|
| Registerkarte Segmentfeld | |
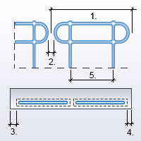
| 1. Max. Plattenlänge |
![]() |
| 2. Plattenabstand | |
| 3. Seg. Beginn Versatz | |
| 4. Seg. Ende Versatz | |
| 5. Max. Abstand | |
| Biegeradius | Legt den Biegeradius fest. |
| Pfostentyp | Gibt den Pfostentyp an, der aus der Dropdown-Liste ausgewählt wird. |
| Pfostenseite | Gibt die Seite für den Pfosten an, die aus der Dropdown-Liste ausgewählt wird. |
| Starttyp | Gibt den Typ der Geländer-Endbedingung an, die aus der Dropdown-Liste ausgewählt wurde. |
| Anschlussart | |
| Registerkarte Trittplattensegment | |
| 3. Risslinienversatz |
![]() |
| 1. KP Beginn Versatz | |
| 2. KP Ende Versatz | |
| Trittplattenhalterung | Gibt die Trittplattenhalterung an, die aus der Dropdown-Liste ausgewählt wird. |
| Trittplattengröße | Gibt die Trittplattengröße an, die aus der Dropdown-Liste ausgewählt wird. |
| Kontrollkästchen KP Andere Seite | Wechselt die Seite der Trittplatte. |
| Kontrollkästchen KP Geschweißt | Wenn diese Option aktiviert ist, wird die Trittplattenfixierung von Geschraubt in Geschweißt geändert. |