| Eigenschaft | Beispiel | Beschreibung | 
|---|---|---|
| 
 Rückrufpunkt: Code, der verwendet wird, um den aktiven Linienzug mit einem Segment vom letzten Punkt oder einer angegebenen Punktkennung zu verbinden.  | 
 EP1 RPN EP1 RPN101  | 
 EP1 ist der Linienzugname und setzt einen aktiven Linienzug fort, wenn der Name übereinstimmt. RPN ist der Rückrufpunktcode; wenn es keinen Punkt gibt, stellt er eine Verbindung vom vorherigen Punkt mit dem aktuellen Punkt her und fügt vor dem aktuellen Punkt ein Segment ein. Mit dem Code EP1 RPN101 wird eine Verbindung vom aktuellen Punkt mit dem angegebenen Punkt hergestellt.  | 
| 
 Verbindungspunkt: Code, der verwendet wird, um die Erstellung eines neuen Linienzugs (aus dem gleichen Element) mit einem einzelnen Liniensegment vom aktuellen Punkt zur angegebenen Punktkennung anzugeben. Die angegebene Punktkennung folgt dem Verbindungspunktcode.  | 
 EP1 B CPN101  | 
 In diesem Beispiel wird ein neuer Linienzug am aktuellen Punkt erstellt und ein weiterer neuer Linienzug mit einem einzelnen Liniensegment zu Punkt 101 gezogen (mit Namen EP1.CPN101). Der Linienzugname kann mit dem Befehl Linienzugeigenschaften geändert werden.  | 
| 
 Der Verbindungspunktcode erstellt immer einen aus einem einzelnen Liniensegment bestehenden Linienzug. Die folgende Abbildung zeigt ein Beispiel für einen Verbindungspunktcode: ![]()  | 
||
| 
 Rechteck: Code, mit dem das Segment, das durch den aktuellen Punkt verläuft, um die angegebene Zahl versetzt wird.  | 
 BLD1 <Rechteck>40  | 
 Eine positive Zahl gibt einen Versatz nach rechts an, eine negative Zahl gibt einen Versatz nach links an, relativ zur Richtung des Liniensegments, das beim aktuellen Punkt ankommt. Wenn keine Zahl auf den Rechteckcode folgt, wird mit diesem Code der Linienzug geschlossen, indem er zwischen dem vorherigen Segment, das beim aktuellen Punkt ankommt, und dem ersten Segment des Linienzugs, einen Senkrecht/Senkrecht-Linienschnittpunkt ausführt. Anmerkung: 
 
Ein Rechteckcode ohne Zahl erfordert, dass sich zuvor mindestens drei Punkte auf dem aktuellen Linienzug befinden.  | 
| 
 Die folgende Abbildung zeigt den Rechteckcode mit dem angegebenen Wert 40: ![]()  | 
||
| 
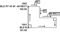
 Rechtskurve: Code, der mit einem Liniensegmentcode verwendet wird, um zusätzliche Scheitelpunkte senkrecht in den Linienzug oder als Erweiterungen (gerade Versätze) einfügen zu können.  | 
 BLD1 RT X10.1 5 -12.2 -5 -12.2  | 
 Setzt einen aktiven Linienzug BLD1 zum aktuellen Punkt fort, erweitert das aktuelle Segment um 10.1 Einheiten und zeichnet dann senkrechte Segmente für jeden Wert. Versatzwerte, <Dehnen>- oder <Rechteck>-Codes folgen dem <Rechtskurve>-Code. Positive Zahlen geben eine Verkürzung nach rechts an, negative Zahlen eine Verkürzung nach links an. Anmerkung: 
 
Verwenden Sie <Dehnen><Wert> mit einem positiven #, um eine Verlängerung nach vorn festzulegen, oder mit einem negativen #, um die Verlängerung nach hinten durchzuführen. Anmerkung: 
 
Verwenden Sie den Code <Rechteck> zum Abschluss der <Rechtskurve>, um dabei als Senkrecht/Senkrecht-Linienschnittpunkt vom aktuellen Linienzugliniensegment zurück zum Startsegment zu schließen.  | 
| 
 Die folgende Abbildung zeigt Beispiele für den Rechtskurvencode und den Rechteckcode: ![]()  | 
||
| 
 Dehnen: Code, der verwendet wird, um eine Verlängerung eines Liniensegments durch den aktuellen Punkt mit einem positiven Wert oder ein Liniensegment, das vor dem aktuellen Punkt liegt, mit einem negativen Wert festzulegen.  | 
BLD1 X15.5 | 
 BLD1 setzt einen aktiven Linienzug fort, X ist der Verlängerungscode, und 15.5 ist der Wert, um den das Linienzugliniensegment durch den aktuellen Punkt verlängert wird.  | 
| 
 Die folgenden Abbildungen zeigen Beispiele für die Codes Dehnen, Rechtskurve und Rechteck: ![]()  | 
||