2,5D-Fräsen-Beispiel Teil 3: Erstellen der Features

In diesem Schritt wird Ihnen gezeigt, wie Sie Bohrungs- und Rechteckfeatures erstellen können.

Zoll:

Millimeter:

  1. Erstellen Sie ein Bohrungsfeature.
    1. Wählen Sie Registerkarte Start > Gruppe Teilprogramm > Features aus.
    2. Wählen Sie im Assistenten Neues Feature die Option Bohrung im Abschnitt Aus Abmessungen aus, und klicken Sie auf Weiter.
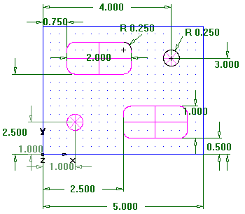
    3. Geben Sie einen Durchmesser von 0,5 (12mm) ein und klicken Sie auf Weiter.
    4. Geben Sie eine Bohrungszentrumposition von X 1,0 (25 mm) und Y 1,0 (25 mm) ein und klicken Sie auf Weiter.

      Dies öffnet die Strategien-Seite. Diese Seite steuert die Operationstypen, die verwendet werden, um ein Feature zu schneiden. Die Standardoperationen für ein Bohrungsfeature sind Zentrierbohren und anschließend die Bohrung. Falls die Bohrung eine Fase hat, wird die Fase standardmäßig mit der Zentrieren-Operation geschnitten.

    5. Akzeptieren Sie die Standard-Strategie-Einstellungen, indem Sie auf Weiter klicken.

      Die Operationen-Seite zeigt eine Zusammenfassung der Operationen zur Bearbeitung des Features, der automatisch gewählten Werkzeuge und der Vorschübe und Drehzahlen an.

    6. Wählen Sie über die Menüschaltfläche Beenden die Option Beenden aus.
  2. Erstellen Sie ein Rechteckstasche-Feature.
    1. Wählen Sie Registerkarte Start > Gruppe Teilprogramm > Features aus.
    2. Wählen Sie im Neues Merkmal-Assistent, aus dem Abschnitt Aus Abmessungen die Rechtecktasche aus und klicken Sie auf Weiter.
    3. Bestätigen Sie die Standard Abmessungen, indem Sie auf Weiter klicken.
    4. Geben Sie eine Taschenposition von X 0.75 (15 mm), Y 2.5 (60 mm) und Z 0 (0 mm) ein, und klicken Sie auf Weiter.

      Die Strategien-Seite zeigt, dass Schrupp- und Schlichtoperationen erstellt wurden.

    5. Klicken Sie auf die Beenden-Schaltfläche.
  3. Wählen Sie Registerkarte Start > Gruppe Teilprogramm > Features aus, und erstellen Sie eine zweite Bohrung mit einem Durchmesser von 0.5 (12 mm) an der Position X=4 (95 mm) und Y=3 (75 mm).
  4. Wählen Sie Registerkarte Start > Gruppe Teilprogramm > Features aus, und erstellen Sie eine weitere Rechtecktasche mit den gleichen Bemaßungen wie die erste an der Position X=2.5 (55 mm), Y=0.5 (15 mm).

  5. Wählen Sie Datei > Speichern aus, und speichern Sie das Bauteil als milling.fm.