Viskoelastische Materialien werden nur für nichtlineare Analysen verwendet. Nachdem Sie im Dropdown-Menü Typ die Option Viskoelastisch ausgewählt haben, sind die folgenden Materialabschnitte verfügbar: Allgemein, Strukturell, Viskoelastisch und Experimentelle Datenfunktion.
-
Allgemein und Strukturell
- In den Abschnitten Allgemein und Strukturell können Sie das Youngsche Modul, das Schermodul, die Poissonsche Konstante, den thermischen Koeffizienten der Ausdehnung und die Massendichte eingeben.
-
Viskoelastisch
- Für die Viskoelastizität wird das generalisierte Maxwell-Modell verwendet. Die deviatorische Spannung wird folgendermaßen definiert:
Dabei wird die Spannung an jeder Relaxationskomponente folgendermaßen berechnet:
und
sind deviatorische Spannungen ohne Relaxation.
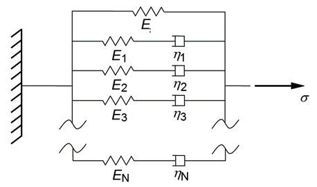
- Die viskoelastische Relaxation findet in den Scher- und/oder Massenmodulen statt. Modul E in der folgenden Abbildung sollte entweder als Schermodul G oder als Massenmodul K interpretiert werden.
Dabei gilt:
= Steifigkeit in einem unendlichen Zeitraum
= Steifigkeit zum Anfangszeitpunkt
Dabei gilt:
Dabei gilt:
Dabei gilt:
Die Ausdrücke
und
werden über die TABVE-Massendateneingabe definiert. Dabei gilt:
.
- Viskoelastische Materialeigenschaften sind stark temperaturabhängig. Anstatt die Materialeigenschaften bei verschiedenen Temperaturen zu schätzen, wird eine Annahme namens thermorheologische Einfachheit verwendet. Dabei ist die Relaxationskurve bei einer hohen Temperatur identisch mit der Relaxationskurve bei einer niedrigen Temperatur, wenn die Zeit korrekt skaliert ist. Die Relaxationszeiten in der Prony-Serie werden mit der folgenden Gleichung skaliert:
Dabei werden zwei verschiedene Skalierungsfunktionen unterstützt.
Williams-Landel-Ferry:
Arrhenius:
Deshalb basiert die Definition der Konstanten C1 und C2 auf der Auswahl der Skalierungsfunktion SHIFT.
-
Experimentelle Datenfunktion
- Es ist möglich, die Skalierungsfunktionen für verschiedene Module zu definieren, das heißt die Relaxationsfunktion von Schub- und Massenmodul im Gegensatz zu Verfallskoeffizienten.
- G0 und K0 sind der 0. Ausdruck in der Darstellung des Scher- bzw. Massenmoduls.
- Wenn GFUNC und KFUNC nicht definiert sind, werden die Werte E, G und NU verwendet, um Vorgabewerte zu definieren.