Bemaßungen für Querschnittsformen warmgewalzter Stahlelemente

Sie können die Werte der Bemaßungsparameter für Querschnittsformen warmgewalzter Stahltragwerkselemente überprüfen und ändern.

Diese Typeneigenschaften werden unter Verwendung des Familienkategorieparameters Querschnittsform für das Element erstellt.

Querschnittsform Verfügbare Bemaßungsparameter für die Form
Standardrohr

D. Durchmesser: der Außendurchmesser der runden Querschnittsform.

T. Wandstärke: die lotrechte Konstruktionsdicke zwischen der inneren und äußeren Oberfläche einer Querschnittsform.

t. Nominelle Wandstärke: der durchschnittliche lotrechte Abstand zwischen der inneren und äußeren Oberfläche der Querschnittsform.

y. Schwerpunkt horizontal: die Entfernung vom Schwerpunkt der Querschnittsform zum linken Ende entlang der horizontalen Achse.

z. Schwerpunkt vertikal: die Entfernung vom Schwerpunkt der Querschnittsform zum unteren Ende entlang der vertikalen Achse.

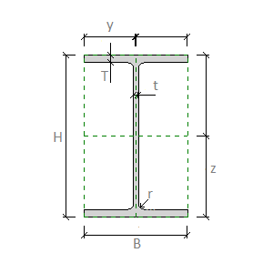
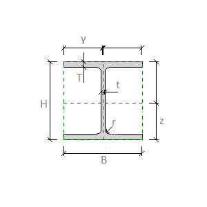
I-Profil mit parallelen Flanschflächen

B. Breite: die äußere Breite der Querschnittsform.

H. Höhe: die äußere Höhe der Querschnittsform.

T Flanschdicke: der Abstand zwischen den Außenflächen des Flanschs in der Querschnittsform.

t. Stegdicke: der Abstand zwischen den Außenflächen des Stegs in der Querschnittsform.

r. Stegabrundung: der Radius der Abrundung zwischen dem Steg und dem Flansch.

y. Schwerpunkt horizontal: die Entfernung vom Schwerpunkt der Querschnittsform zum linken Ende entlang der horizontalen Achse.

z. Schwerpunkt vertikal: die Entfernung vom Schwerpunkt der Querschnittsform zum unteren Ende entlang der vertikalen Achse.

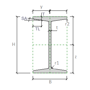
I-Profil mit geneigten Flanschflächen

B. Breite: die äußere Breite der Querschnittsform.

H. Höhe: die äußere Höhe der Querschnittsform.

T Flanschdicke: der Abstand zwischen den Außenflächen des Flanschs in der Querschnittsform.

OL.Position für Flanschdicke: der Abstand zwischen dem Ende der geneigten Flanschfläche und der Position, an der die Flanschdicke gemessen wird.

SA.Winkel für geneigte Flanschflächen: der Winkel zwischen der Ebene der geneigten Flanschfläche und der horizontalen Ebene in der Querschnittsform.

t. Stegdicke: der Abstand zwischen den Außenflächen des Stegs in der Querschnittsform.

r1. Stegabrundung: der Radius der Abrundung zwischen dem Steg und dem Flansch.

r2. Flanschabrundung: der Radius der Abrundung am Ende eines Flanschs in der Querschnittsform.

y. Schwerpunkt horizontal: die Entfernung vom Schwerpunkt der Querschnittsform zum linken Ende entlang der horizontalen Achse.

z. Schwerpunkt vertikal: die Entfernung vom Schwerpunkt der Querschnittsform zum unteren Ende entlang der vertikalen Achse.

I-Profil Breitflansch

B. Breite: die äußere Breite der Querschnittsform.

H. Höhe: die äußere Höhe der Querschnittsform.

T Flanschdicke: der Abstand zwischen den Außenflächen des Flanschs in der Querschnittsform.

t. Stegdicke: der Abstand zwischen den Außenflächen des Stegs in der Querschnittsform.

r. Stegabrundung: der Radius der Abrundung zwischen dem Steg und dem Flansch.

y. Schwerpunkt horizontal: die Entfernung vom Schwerpunkt der Querschnittsform zum linken Ende entlang der horizontalen Achse.

z. Schwerpunkt vertikal: die Entfernung vom Schwerpunkt der Querschnittsform zum unteren Ende entlang der vertikalen Achse.

C-Profil mit parallelen Flanschflächen

B. Breite: die äußere Breite der Querschnittsform.

H. Höhe: die äußere Höhe der Querschnittsform.

T Flanschdicke: der Abstand zwischen den Außenflächen des Flanschs in der Querschnittsform.

t. Stegdicke: der Abstand zwischen den Außenflächen des Stegs in der Querschnittsform.

r. Stegabrundung: der Radius der Abrundung zwischen dem Steg und dem Flansch.

y. Schwerpunkt horizontal: die Entfernung vom Schwerpunkt der Querschnittsform zum linken Ende entlang der horizontalen Achse.

z. Schwerpunkt vertikal: die Entfernung vom Schwerpunkt der Querschnittsform zum unteren Ende entlang der vertikalen Achse.

C-Profil mit geneigten Flanschflächen

B. Breite: die äußere Breite der Querschnittsform.

H. Höhe: die äußere Höhe der Querschnittsform.

T Flanschdicke: der Abstand zwischen den Außenflächen des Flanschs in der Querschnittsform.

OL.Position für Flanschdicke: der Abstand zwischen dem Ende der geneigten Flanschfläche und der Position, an der die Flanschdicke gemessen wird.

SA.Winkel für geneigte Flanschflächen: der Winkel zwischen der Ebene der geneigten Flanschfläche und der horizontalen Ebene in der Querschnittsform.

t. Stegdicke: der Abstand zwischen den Außenflächen des Stegs in der Querschnittsform.

r1. Stegabrundung: der Radius der Abrundung zwischen dem Steg und dem Flansch.

r2. Flanschabrundung: der Radius der Abrundung am Ende eines Flanschs in der Querschnittsform.

y. Schwerpunkt horizontal: die Entfernung vom Schwerpunkt der Querschnittsform zum linken Ende entlang der horizontalen Achse.

z. Schwerpunkt vertikal: die Entfernung vom Schwerpunkt der Querschnittsform zum unteren Ende entlang der vertikalen Achse.

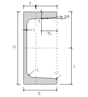
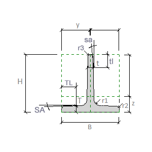
L-Winkel

B. Breite: die äußere Breite der Querschnittsform.

H. Höhe: die äußere Höhe der Querschnittsform.

T Flanschdicke: der Abstand zwischen den Außenflächen des Flanschs in der Querschnittsform.

t. Stegdicke: der Abstand zwischen den Außenflächen des Stegs in der Querschnittsform.

r1. Stegabrundung: der Radius der Abrundung zwischen dem Steg und dem Flansch.

r2. Flanschabrundung: der Radius der Abrundung am Ende eines Flanschs in der Querschnittsform.

r3.Stegabrundung oben: der Radius der Abrundung am oberen Ende des Stegs in der Querschnittsform.

y. Schwerpunkt horizontal: die Entfernung vom Schwerpunkt der Querschnittsform zum linken Ende entlang der horizontalen Achse.

z. Schwerpunkt vertikal: die Entfernung vom Schwerpunkt der Querschnittsform zum unteren Ende entlang der vertikalen Achse.

alpha. Winkel der Hauptachsen: der Drehwinkel zwischen den Hauptachsen und den Referenzebenen des Querschnitts. Dies wird als Familienparameter für die Tragwerksbemessung aufgelistet.

I-Profil geteilt mit parallelen Flanschflächen

B. Breite: die äußere Breite der Querschnittsform.

H. Höhe: die äußere Höhe der Querschnittsform.

T Flanschdicke: der Abstand zwischen den Außenflächen des Flanschs in der Querschnittsform.

t. Stegdicke: der Abstand zwischen den Außenflächen des Stegs in der Querschnittsform.

r. Stegabrundung: der Radius der Abrundung zwischen dem Steg und dem Flansch.

y. Schwerpunkt horizontal: die Entfernung vom Schwerpunkt der Querschnittsform zum linken Ende entlang der horizontalen Achse.

z. Schwerpunkt vertikal: die Entfernung vom Schwerpunkt der Querschnittsform zum unteren Ende entlang der vertikalen Achse.

I-Profil geteilt mit geneigten Flanschflächen

B. Breite: die äußere Breite der Querschnittsform.

H. Höhe: die äußere Höhe der Querschnittsform.

T Flanschdicke: der Abstand zwischen den Außenflächen des Flanschs in der Querschnittsform.

OL.Position für Flanschdicke: der Abstand zwischen dem Ende der geneigten Flanschfläche und der Position, an der die Flanschdicke gemessen wird.

SA.Winkel für geneigte Flanschflächen: der Winkel zwischen der Ebene der geneigten Flanschfläche und der horizontalen Ebene in der Querschnittsform.

t. Stegdicke: der Abstand zwischen den Außenflächen des Stegs in der Querschnittsform.

r1. Stegabrundung: der Radius der Abrundung zwischen dem Steg und dem Flansch.

r2. Flanschabrundung: der Radius der Abrundung am Ende eines Flanschs in der Querschnittsform.

y. Schwerpunkt horizontal: die Entfernung vom Schwerpunkt der Querschnittsform zum linken Ende entlang der horizontalen Achse.

z. Schwerpunkt vertikal: die Entfernung vom Schwerpunkt der Querschnittsform zum unteren Ende entlang der vertikalen Achse.

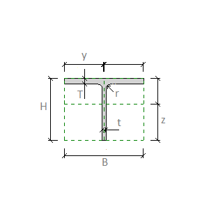
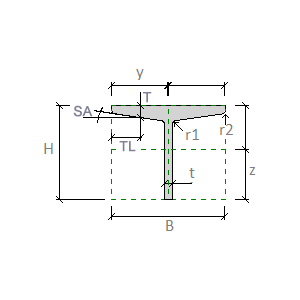
T-Profile

B. Breite: die äußere Breite der Querschnittsform.

H. Höhe: die äußere Höhe der Querschnittsform.

OL.Position für Flanschdicke: der Abstand zwischen dem Ende der geneigten Flanschfläche und der Position, an der die Flanschdicke gemessen wird.

SA.Winkel für geneigte Flanschflächen: der Winkel zwischen der Ebene der geneigten Flanschfläche und der horizontalen Ebene in der Querschnittsform.

t. Stegdicke: der Abstand zwischen den Außenflächen des Stegs in der Querschnittsform.

tl.Position für Stegdicke: der Abstand zwischen dem Ende des geneigten Stegs und der Position, an der die Stegdicke gemessen wird.

sa.Winkel für geneigte Stege: der Winkel zwischen der Ebene des geneigten Stegs und der vertikalen Ebene in der Querschnittsform.

r1. Stegabrundung: der Radius der Abrundung zwischen dem Steg und dem Flansch.

r2. Flanschabrundung: der Radius der Abrundung am Ende eines Flanschs in der Querschnittsform.

r3.Stegabrundung oben: der Radius der Abrundung am oberen Ende des Stegs in der Querschnittsform.

y. Schwerpunkt horizontal: die Entfernung vom Schwerpunkt der Querschnittsform zum linken Ende entlang der horizontalen Achse.

z. Schwerpunkt vertikal: die Entfernung vom Schwerpunkt der Querschnittsform zum unteren Ende entlang der vertikalen Achse.