Method that creates a hole or thread note on the sheet. Different results are possible depending on the input provided, as discussed below.

| Name | Type | Description |
| Position | Point2d | Input Point2d that specifies the position of the hole/thread note on the sheet. |
| HoleOrThreadEdge | Object | Input DrawingCurve or GeometryIntent object that specifies the edge to create the note for and the location along the edge the note points to. If the drawing curve or geometry intent does not represent a hole or thread edge, the method returns an error. See the discussion above for more information about how to get different results by providing different inputs for this argument. |
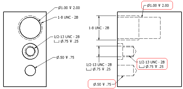
| LinearDiameterType | Boolean | Optional Input Boolean that specifies whether to create a leader type of note or a linear diameter type of note. There are two examples of linear diameter types in the figure above. These are the uncircled notes in the right view. The three circled notes illustrate a leader type of note. This is an optional argument whose default value is False. |
| DimensionStyle | Variant | Optional input Variant that specifies which dimension style to use for the note. The dimension style can be specified by providing the name of an existing style or by supplying a DimensionStyle object. This is an optional argument whose default value is null. |
| Name | Description |
| Create thread note | This sample demonstrates the creation of a thread note on a drawing view. |