Consulte los controles básicos de AutoCAD for Mac.
Después de iniciar AutoCAD, haga clic en la en la pantalla de bienvenida para iniciar un nuevo dibujo.

El nuevo dibujo, Dibujo1, se inicia en una nueva ficha justo encima del área de dibujo. Puede hacer clic en las fichas para alternar entre varios archivos de dibujo abiertos. Haga clic en el signo más para iniciar un nuevo dibujo con la plantilla por defecto.

Continúe y experimente con el inicio y la apertura de dibujos, y alterne entre las fichas. También puede arrastrar las fichas de dibujo para cambiar su orden.
AutoCAD incluye un conjunto de herramientas a la izquierda del área de dibujo. Puede acceder a casi todos los comandos que se presentan en esta guía desde la ficha Dibujo. Además, la barra de herramientas situada sobre el área de dibujo incluye comandos conocidos, como Nuevo, Abrir, Guardar, Imprimir, Deshacer, etc.

En el centro de AutoCAD se encuentra la ventana de comandos, que está anclada en la parte inferior del área de dibujo. La ventana de comandos muestra solicitudes, opciones y mensajes.

Puede introducir comandos directamente en la ventana de comandos en lugar de utilizar los conjuntos y las barras de herramientas, y los menús.
Observe que cuando comienza a escribir un comando, este se completa automáticamente. Cuando hay varias posibilidades disponibles, como en el ejemplo siguiente, puede seleccionar una opción. Para ello, haga clic en ella, o utilice las teclas de flecha y pulse a continuación Intro o la barra espaciadora.

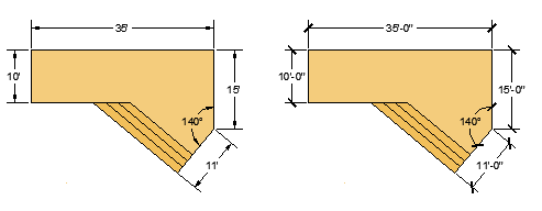
Puede adaptarse fácilmente a las normas de la empresa o del sector especificando parámetros para el texto, los tipos de línea y otras muchas características. Por ejemplo, en este diseño de cubierta de patio, se muestran dos estilos de cota diferentes.

Todos estos parámetros se pueden guardar en una plantilla de dibujo. Haga clic en Nuevo para elegir entre varios archivos de plantilla de dibujo:


Los archivos de plantilla de aprendizaje de la lista son sencillos ejemplos de las disciplinas de diseño mecánico o arquitectónico con versiones imperiales (i) y métricas (m). Es posible que desee experimentar con ellos al iniciar la creación de cotas.
La mayoría de las empresas utilizan archivos de plantilla de dibujo que se ajustan a sus normas. A menudo utilizarán diferentes archivos de plantilla de dibujo en función del proyecto o el cliente.
Puede guardar cualquier dibujo (.dwg) como un archivo de plantilla de dibujo (.dwt). Para crear un archivo de plantilla de dibujo basado en uno existente, abra el archivo de plantilla de dibujo existente, modifíquelo y, a continuación, guárdelo con un nombre de archivo diferente.

Si trabaja de forma independiente, puede crear los archivos de plantilla de dibujo que se ajusten a sus preferencias de trabajo y añadir los parámetros de otras características a medida que vaya familiarizándose con ellas. Para modificar un archivo de plantilla de dibujo existente, haga clic en Abrir, especifique Plantilla de dibujo (*.dwt) en el cuadro de diálogo y elija el archivo de plantilla.

Tras iniciar un nuevo dibujo, debe decidir lo que representa la longitud de una unidad (una pulgada, un pie, un centímetro, un kilómetro u otra unidad de longitud). Por ejemplo, los objetos siguientes podrían representar dos edificios con una longitud de 125 pies o una sección de una pieza mecánica medida en milímetros.

Tras decidir qué unidad de longitud desea usar, el comando UNIDADES permite controlar varios parámetros de visualización de unidades, incluidos los siguientes:
Si va a trabajar en pies y pulgadas, utilice el comando UNIDADES para establecer el tipo de unidad en Pies y pulgadas II y, a continuación, al crear objetos, especifique la longitud en pulgadas. Si tiene previsto usar unidades métricas, deje el tipo de unidad establecido en Decimales. El cambio del formato y la precisión de las unidades no afecta a la precisión interna del dibujo. Solo afecta al modo en que se muestran las longitudes, los ángulos y las coordenadas en la interfaz de usuario.
Cree siempre los modelos a tamaño completo (escala 1:1). El término modelo hace referencia a la geometría del diseño. Un dibujo incluye la geometría del modelo, junto con las vistas, las notas, las cotas, las llamadas, las tablas y el cuadro de rotulación mostrados en la presentación.
Después, al crear la presentación, especificará la escala para imprimir un dibujo en un plano de tamaño estándar.

Pulse Esc para cancelar esta operación de preselección.