Revise y modifique los valores de los parámetros de cota de forma de sección de otros elementos de armazón estructural de acero.
Estas propiedades de tipo se crean a partir del parámetro de categoría de familia Forma de sección que corresponde al elemento.
| Forma de sección | Parámetros de cota de forma disponibles |
|---|---|
Barra rectangular
![]() |
B. Anchura: la anchura externa de la forma de sección. H. Altura: la altura externa de la forma de sección. y. Centroide horizontal: la distancia desde el centroide de la forma de sección hasta las extremidades izquierdas del eje horizontal. z. Centroide vertical: la distancia desde el centroide de la forma de sección hasta las extremidades inferiores del eje vertical. |
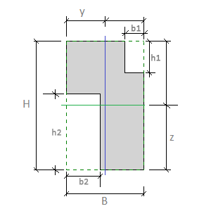
Corte rectangular
![]() |
B. Anchura: la anchura externa de la forma de sección. H. Altura: la altura externa de la forma de sección. h1. Altura de corte de parte superior: la altura del corte en la parte superior de una forma de sección de corte rectangular. b1. Anchura de corte de parte superior: la anchura del corte en la parte superior de una forma de sección de corte rectangular. h2. Altura de corte de parte inferior: la altura del corte en la parte superior de una forma de sección de corte rectangular. b2. Anchura de corte de parte inferior: la anchura del corte en la parte superior de una forma de sección de corte rectangular. y. Centroide horizontal: la distancia desde el centroide de la forma de sección hasta las extremidades izquierdas del eje horizontal. z. Centroide vertical: la distancia desde el centroide de la forma de sección hasta las extremidades inferiores del eje vertical. |
Barra redonda
![]() |
D. Diámetro: el diámetro externo de la forma de sección redonda. y. Centroide horizontal: la distancia desde el centroide de la forma de sección hasta las extremidades izquierdas del eje horizontal. z. Centroide vertical: la distancia desde el centroide de la forma de sección hasta las extremidades inferiores del eje vertical. |
Forma en T
![]() |
B. Anchura: la anchura externa de la forma de sección. H. Altura: la altura externa de la forma de sección. h1. Altura de voladizo: la altura del ala del voladizo en la forma de sección. b1. Longitud de voladizo: la longitud del ala del voladizo en la forma de sección. y. Centroide horizontal: la distancia desde el centroide de la forma de sección hasta las extremidades izquierdas del eje horizontal. z. Centroide vertical: la distancia desde el centroide de la forma de sección hasta las extremidades inferiores del eje vertical. |
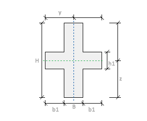
Forma de cruz
![]() |
B. Anchura: la anchura externa de la forma de sección. H. Altura: la altura externa de la forma de sección. h1. Altura de voladizo: la altura del ala del voladizo en la forma de sección. b1. Longitud de voladizo: la longitud del ala del voladizo en la forma de sección. y. Centroide horizontal: la distancia desde el centroide de la forma de sección hasta las extremidades izquierdas del eje horizontal. z. Centroide vertical: la distancia desde el centroide de la forma de sección hasta las extremidades inferiores del eje vertical. |
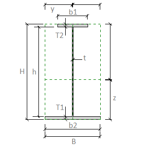
Soldada, en forma de I (acero almenado y soldado)
![]() |
B. Anchura: la anchura externa de la forma de sección. H. Altura: la altura externa de la forma de sección. T2. Grosor de ala superior: la distancia entre las superficies exteriores del ala superior en la forma de sección de un elemento almenado o soldado. b1. Anchura de ala superior: la anchura externa del ala superior en la forma de sección de un elemento almenado o soldado. T1. Grosor de ala inferior: la distancia entre las superficies exteriores del ala inferior de la forma de sección de un elemento almenado o soldado. b2. Anchura de ala inferior: la anchura externa del ala inferior en la forma de sección de un elemento almenado o soldado. t. Grosor de celosía: la distancia entre las superficies exteriores de la celosía en la forma de sección. h. Altura de celosía: la distancia a lo largo de la celosía entre las alas en la forma de sección. y. Centroide horizontal: la distancia desde el centroide de la forma de sección hasta las extremidades izquierdas del eje horizontal. z. Centroide vertical: la distancia desde el centroide de la forma de sección hasta las extremidades inferiores del eje vertical. |