Configurez la main courante de monowills en panneaux en utilisant les paramètres dans la boîte de dialogue des propriétés dédiée.
| Paramètre | Description |
|---|---|
| Onglet Général | |
| Type de main courante | Indique le type de main courante qui détermine les tailles des canalisations, la catégorie de matière et d'autres paramètres. |
| Type de construction |
Spécifie le type de construction :
|
| Extension au niveau de la sous-lisse | Indique la distance à laquelle la sous-lisse s'étend dans le cintrage de fermeture.
![]() |
| Type de soudure | Indique le type d'élément de soudure sélectionné dans la liste déroulante. |
| Épaisseur de la soudure | Indique l'épaisseur de la soudure. |
| Tolérance de coin | Indique la valeur minimale à laquelle les décalages de coin doivent être définis avant la création d'un panneau de coin. |
| Onglet Boulons | |
| Boulons : | |
| Standard | Indique le boulon standard sélectionné dans la liste déroulante. |
| Grade | Indique la valeur de classe du boulon. |
| Diamètre | Indique la valeur de diamètre du boulon. |
| Assemblage | Indique l'assemblage de boulons pour l'assemblage sélectionné dans la liste déroulante. Par exemple : Na2W = écrou et 2 rondelles. |
| Écart boulon | Indique l'écart entre les boulons. |
| Boulons de la plaque de protection : | |
| Standard | Indique le boulon standard sélectionné dans la liste déroulante. |
| Grade | Indique la valeur de classe du boulon. |
| Diamètre | Indique la valeur de diamètre du boulon. |
| Assemblage | Indique l'assemblage de boulons pour l'assemblage sélectionné dans la liste déroulante. Par exemple : Na2W = écrou et 2 rondelles. |
| Écart boulon plaque de protection | Indique l'écart entre les boulons de la plaque de protection. |
| Fixation plaque de protection |
Indique où la plaque de protection est fixée :
|
| Onglet Panneau segment | |
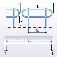
| 1. Longueur max. du panneau |
![]() |
| 2. Écart panneau | |
| 3. Décalage début segm. | |
| 4. Décalage fin segm. | |
| 5. Espacement max. | |
| Rayon de pliage | Spécifie le rayon de pliage. |
| Type de poteau | Indique le type de poteau sélectionné dans la liste déroulante. |
| Côté du poteau | Indique le côté du poteau sélectionné dans la liste déroulante. |
| Type de départ | Indique le type de condition d'extrémité de traverse sélectionné dans la liste déroulante. |
| Type d'extrémité | |
| Onglet Plaque de protection du segment | |
| 3. Décalage de calibre |
![]() |
| 1. Décalage de début KP | |
| 2. Décalage de fin KP | |
| Support de plaque de protection | Indique le support de plaque de protection sélectionné dans la liste déroulante. |
| Taille de la plaque de protection | Indique la taille de la plaque de protection sélectionnée dans la liste déroulante. |
| Case à cocher Côté opposé KP | Permet de changer le côté de la plaque de protection. |
| Case à cocher Soudure KP | Si cette option est activée, la fixation de la plaque de protection passe de boulonnée à soudée. |