A propos du format des références croisées graphiques

Lorsque vous utilisez le style de format des références croisées graphiques, l'aperçu change et montre à quoi ressemble la référence croisée dans le dessin.

Format de police graphique

Affiche le format des références croisées à l'aide de la police graphique JIC ou IEC. Le réglage est appliqué à la police graphique indépendamment du mode de repérage affecté dans les propriétés du projet. Ce réglage est extrait des propriétés du dessin s'il n'y a aucun remplacement de référence croisée spécifié sur le composant inséré.

JIC

IEC

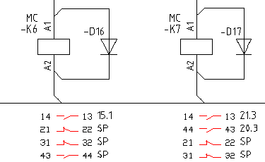
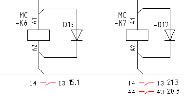
L'exemple suivant affiche le référencement croisé en regard du symbole dans le format de police graphique tandis que les fils inutilisés (contacts) apparaissent en tant que références séparées. La valeur Compléter la référence avec est "SP".

JIC

IEC

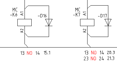
Format de correspondance des contacts

Affiche le format des références croisées à l'aide des valeurs de type de référencement croisé (NO, NC, NONC).

JIC

IEC