A propos de la sélection d'une norme de dessin (Jeu d’outils AutoCAD Mechanical)

Jeu d’outils AutoCAD Mechanical regroupe tous les paramètres qui dépendent des normes de dessin et les enregistre dans un profil référencé comme norme.

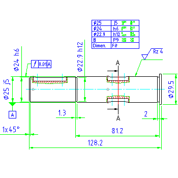
Jeu d’outils AutoCAD Mechanical contient huit profils de ce type (ANSI, BSI, CSN, DIN, GB, ISO JIS et GOST), chacun étant configuré selon une norme de dessin spécifique. Ces paramètres régissent la façon dont les outils intégrés d'Jeu d’outils AutoCAD Mechanical créent une géométrie. C'est pour cela qu'on dit d'Jeu d’outils AutoCAD Mechanical qu'il est régi par des normes. La figure ci-après représente un dessin d'arbre créé à l'aide du paramètre de norme DIN. Notez la conformité des annotations avec la norme DIN.

Norme de dessin par défaut

Jeu d’outils AutoCAD Mechanical étant basé sur des normes, l'attribution d'une norme de dessin à un dessin est essentielle. Lors de la création d'un dessin, Jeu d’outils AutoCAD Mechanical lui attribue automatiquement une norme de dessin.

Lorsque vous ouvrez un dessin AutoCAD ou créez un dessin à l'aide d'un gabarit AutoCAD (*.dwt), Jeu d’outils AutoCAD Mechanical attribue la norme la mieux adaptée au dessin (reportez-vous également à la section ci-après, "Rendre les remplacements de norme et les normes personnalisées disponibles pour les autres dessins"). Vous pouvez changer facilement la norme de dessin.

Paramètres contrôlés par la norme de dessin

La norme de dessin contrôle les éléments suivants de la norme :

Remplacement d'éléments de la norme

Vous pouvez remplacer chaque paramètre de norme en fonction de vos besoins. Le programme enregistre les remplacements avec la norme. Lorsque vous changez de norme, les éléments de la nouvelle norme sont activés. Si vous changez de norme au cours d'une session de dessin, la modification n'est pas répercutée sur les objets du dessin. Seuls les nouveaux objets sont conformes à la nouvelle norme sélectionnée. Lorsque vous rétablissez la norme d'origine, les paramètres précédents sont réactivés.

Remarque : Si vous changez de norme au cours d'une session de dessin, puis remplacez un élément de la norme, le remplacement s'applique uniquement aux objets créés après le changement de norme. Par exemple, vous pouvez créer une note sous la norme ISO, puis passer à la norme DIN. Si vous remplacez ensuite les paramètres de couleur du texte des notes, seules les notes créées après avoir basculé sous la norme DIN reflèteront cette modification. Les notes créées sous la norme ISO conservent leurs couleurs d'origine. Ils sont contrôlés par la norme ISO, et non par la norme DIN.

Normes personnalisées et signification

Lorsque vous remplacez l'élément d'une norme, Jeu d’outils AutoCAD Mechanical valide les remplacements et vous empêche parfois de créer des paramètres contraires à cette norme. Pour contourner le processus de validation, créez une norme personnalisée et sélectionnez-la.

Par exemple, la norme ANSI limite le choix de hauteur du texte à 0.1, 0.12 et 0.24. Pour utiliser une hauteur de texte différente, créez une norme personnalisée basée sur la norme ANSI. La norme personnalisée vous permet de définir la hauteur du texte sur la valeur de votre choix. Tous les autres paramètres sont conformes à la norme ANSI.

Rendre les remplacements de norme et les normes personnalisées disponibles pour les autres dessins

Pour pouvoir utiliser une norme personnalisée ou un remplacement de norme dans le cadre de futurs dessins, enregistrez la norme personnalisée ou le remplacement de norme dans un gabarit (.dwt). Si vous définissez ce gabarit comme gabarit par défaut, les paramètres de norme du gabarit par défaut s'appliquent à chaque ouverture d'un dessin AutoCAD ou à chaque création d'un dessin basé sur un gabarit AutoCAD. S'il existe une disparité unitaire entre le gabarit par défaut et le gabarit/dessin AutoCAD, Jeu d’outils AutoCAD Mechanical considère qu'aucun gabarit par défaut n'est défini. Si aucun gabarit par défaut n'est défini, Jeu d’outils AutoCAD Mechanical attribue la norme ANSI (dessins anglo-saxons) ou la norme ISO (dessins métriques).

Vous pouvez également importer des paramètres à partir d'un gabarit (.dwt) à l'aide de la commande AMSETUPDWG. Si vous importez des paramètres au cours d'une session de dessin, cela revient à changer la norme de dessin ou les éléments d'une norme pendant une session de dessin.