CanalisationDrainage

L'élément de profil type CanalisationDrainage insère des points et des liens pour créer une canalisation de drainage pour collecter l'eau le long d'une chaussée.

Association

Le point d'association se situe sur le bord intérieur de la canalisation de drainage. Le composant peut être attaché au côté droit ou au côté gauche.

Paramètres d'entrée

Remarque : Toutes les cotes sont indiquées en mètres ou en pieds, sauf indication contraire. Toutes les pentes sont exprimées sous la forme x:y (par exemple, 4 : 1), sauf si elles sont exprimées en pourcentage avec un signe %.

Paramètre

Description

Type

Par défaut

Côté Indique de quel côté placer l'élément de profil type. Gauche / Droite Droite

Paramètres cible

Cette section répertorie les paramètres de l'élément de profil type pouvant être mis en correspondance avec un ou plusieurs objets cibles. Pour plus d'informations, reportez-vous à la rubrique Pour définir les cibles de projet 3D.

Paramètre

Description

Etat

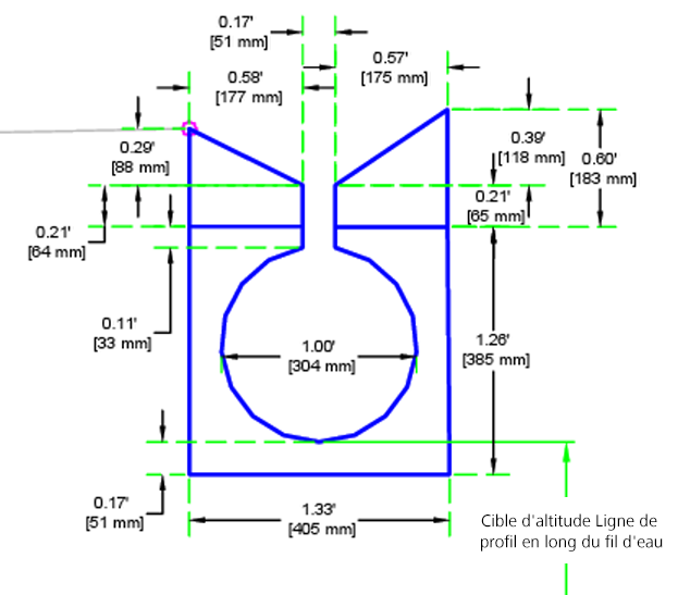
Elevation Permet de remplacer le fil d'eau de la canalisation. Les types d'objet suivants peuvent être utilisés comme cibles pour indiquer l'altitude : lignes de profil, polylignes 3D, lignes caractéristiques du terrain ou figures de topographie. Facultatif

Affectations logiques d'exécution

Aucun.

Paramètres de sortie

Aucun.

Comportement

Le point initial est défini sur le point d'association. Les points et les liens sont alors créés à partir des valeurs stockées dans l'élément de profil type.

Fonctionnement en mode d'édition

En mode d'édition, cet élément de profil type dessine l'élément de profil type.

Codes de point, de lien et de forme

Le tableau suivant répertorie les codes, pour cet élément de profil type, des points, liens et formes auxquels sont affectés des codes. Les codes des points, liens ou formes auxquels aucun code n'a été affecté ne sont pas inclus dans ce tableau.

Point, Lien ou Forme

Code

Description

P1-P4, P9, P10 En béton Coins en béton de l'arrivée d'eau
P5, P8 BasBéton Coin inférieur du béton
P6, P7 Boues Boues
P11-P13 Canalisation Points de la canalisation
L1, L2 Béton, Haut Haut du béton
L3, L7, L10, L11 En béton Béton de l'arrivée d'eau
L5 Boues Boues de la canalisation
L12-L14 Canalisation Liens de tuyau
S1, S2 En béton Béton de l'arrivée d'eau
S3 Boues Boues autour de la canalisation

Diagramme de codage