Le matériau viscoélastique est uniquement utilisé dans l'analyse non linéaire. Si vous sélectionnez l'option Viscoélastique dans la liste déroulante Type, les sections du matériau suivantes deviennent disponibles : Général, Structurel, Viscoélastrique et Fonction de données expérimentale.
-
Général et structurel
- Vous pouvez entrer le module de Young, le module de cisaillement, le coefficient de Poisson, le coefficient de dilatation thermique, la masse volumique sous la section Général et structurel.
-
Viscoélastique
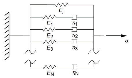
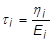
- La viscoélasticité utilise le modèle Maxwell généralisé. La contrainte déviatorique est donnée par :
où la contrainte sur chaque composant de relâchement est calculée par :
et
et
sont des contraintes déviatoriques sans relâchement.
- Le relâchement viscoélastique se produit dans le module de cisaillement et/ou d'élasticité volumique. Le module E de la figure suivante doit être interprété comme module de cisaillement G ou comme module d'élasticité volumique K.
où
= rigidité sur une durée infinie
= rigidité au temps initial
où
où
où
Les termes
et
sont définis à l'aide de l'entrée de données d'élasticité volumique TABVE où
.
- Les propriétés du matériau viscoélastique dépendent beaucoup de la température. Au lieu d'estimer des propriétés de matériau à des températures différentes, une hypothèse appelée simplicité thermorhéologique est utilisée, dans laquelle la courbe de relâchement de la température élevée est identique à celle à basse température lorsque le temps est correctement mis à l'échelle. Les temps de relâchement dans la série de Prony sont mis à l'échelle selon l'équation suivante :
où deux fonctions de mise à l'échelle sont prises en charge.
William-Landel-Ferry :
Arrhenius :
Par conséquent, les constantes C1 et C2 sont définies en fonction de la sélection des fonctions Maj et de mise à l'échelle.
-
Fonctions de données expérimentales
- Il est possible de définir les fonctions de mise à l'échelle pour divers modules, c'est-à-dire fonction de relâchement de module de cisaillement/d'élasticité volumique par rapport aux coefficients de déclin.
- G0 et K0 sont le terme 0-th de la représentation du module de cisaillement ou d'élasticité volumique, respectivement.
- Si GFUNC et KFUNC ne sont pas définis, les valeurs E, G et NU sont utilisées pour définir les valeurs par défaut.