Cotes de forme de coupe en acier plié à froid

Passez en revue et modifiez les valeurs des paramètres de cote de forme de coupe des éléments d'ossature en acier plié à froid.

Ces propriétés de type sont créées à partir du paramètre de catégorie de famille Forme de coupe de l'élément.

Forme de coupe Paramètres de forme de cote disponibles
Eléments de structure creux rectangulaires (acier plié à froid)

B. Largeur : largeur externe de la forme de coupe.

H. Hauteur : hauteur externe de la forme de coupe.

T. Epaisseur de conception du mur : épaisseur de conception perpendiculaire entre les surfaces extérieure et intérieure d'une forme de coupe.

t. Epaisseur nominale du mur : distance perpendiculaire moyenne entre les surfaces intérieure et extérieure de la forme de coupe.

r1. Congé interne : rayon du congé d'angle interne d'une forme de tube de construction rectangulaire.

r2. Congé externe : rayon du congé d'angle externe d'une forme de tube de construction rectangulaire.

y. Centre de gravité horizontal : distance entre le centre de gravité de la forme de coupe et les extrémités de gauche le long de l'axe horizontal.

z. Centre de gravité vertical : distance entre le centre de gravité de la forme de coupe et les extrémités inférieures le long de l'axe vertical.

Eléments de structure creux ronds (acier plié à froid)

D. Diamètre : diamètre externe de la forme de coupe circulaire.

T. Epaisseur de conception du mur : épaisseur de conception perpendiculaire entre les surfaces extérieure et intérieure d'une forme de coupe.

t. Epaisseur nominale du mur : distance perpendiculaire moyenne entre les surfaces intérieure et extérieure de la forme de coupe.

y. Centre de gravité horizontal : distance entre le centre de gravité de la forme de coupe et les extrémités de gauche le long de l'axe horizontal.

z. Centre de gravité vertical : distance entre le centre de gravité de la forme de coupe et les extrémités inférieures le long de l'axe vertical.

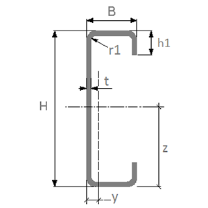
Profilé en U

B. Largeur : largeur externe de la forme de coupe.

H. Hauteur : hauteur externe de la forme de coupe.

T. Epaisseur de conception du mur : épaisseur de conception perpendiculaire entre les surfaces extérieure et intérieure d'une forme de coupe.

t. Epaisseur nominale du mur : distance perpendiculaire moyenne entre les surfaces intérieure et extérieure de la forme de coupe.

r1. Congé interne : rayon du congé d'angle interne d'une courbure dans une forme de coupe en acier plié à froid.

y. Centre de gravité horizontal : distance entre le centre de gravité de la forme de coupe et les extrémités de gauche le long de l'axe horizontal.

z. Centre de gravité vertical : distance entre le centre de gravité de la forme de coupe et les extrémités inférieures le long de l'axe vertical.

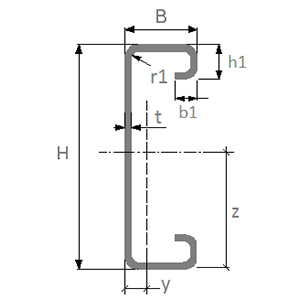
Profilé en U avec pli

B. Largeur : largeur externe de la forme de coupe.

H. Hauteur : hauteur externe de la forme de coupe.

h1. Longueur de la balèvre : distance entre la surface extérieure de la forme de coupe et l'extrémité du segment de balèvre.

b1. Longueur du pli : distance entre la surface extérieure du segment de balèvre et l'extrémité du segment plié.

T. Epaisseur de conception du mur : épaisseur de conception perpendiculaire entre les surfaces extérieure et intérieure d'une forme de coupe.

t. Epaisseur nominale du mur : distance perpendiculaire moyenne entre les surfaces intérieure et extérieure de la forme de coupe.

r1. Congé interne : rayon du congé d'angle interne d'une courbure dans une forme de coupe en acier plié à froid.

y. Centre de gravité horizontal : distance entre le centre de gravité de la forme de coupe et les extrémités de gauche le long de l'axe horizontal.

z. Centre de gravité vertical : distance entre le centre de gravité de la forme de coupe et les extrémités inférieures le long de l'axe vertical.

Profil en U avec balèvres

B. Largeur : largeur externe de la forme de coupe.

H. Hauteur : hauteur externe de la forme de coupe.

h1. Longueur de la balèvre : distance entre la surface extérieure de la forme de coupe et l'extrémité du segment de balèvre.

T. Epaisseur de conception du mur : épaisseur de conception perpendiculaire entre les surfaces extérieure et intérieure d'une forme de coupe.

t. Epaisseur nominale du mur : distance perpendiculaire moyenne entre les surfaces intérieure et extérieure de la forme de coupe.

r1. Congé interne : rayon du congé d'angle interne d'une courbure dans une forme de coupe en acier plié à froid.

y. Centre de gravité horizontal : distance entre le centre de gravité de la forme de coupe et les extrémités de gauche le long de l'axe horizontal.

z. Centre de gravité vertical : distance entre le centre de gravité de la forme de coupe et les extrémités inférieures le long de l'axe vertical.

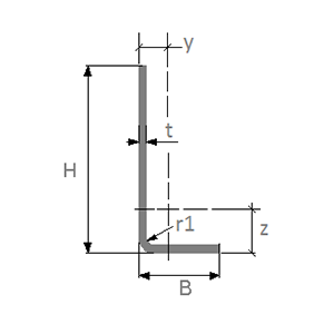
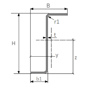
Profil L

B. Largeur : largeur externe de la forme de coupe.

H. Hauteur : hauteur externe de la forme de coupe.

T. Epaisseur de conception du mur : épaisseur de conception perpendiculaire entre les surfaces extérieure et intérieure d'une forme de coupe.

t. Epaisseur nominale du mur : distance perpendiculaire moyenne entre les surfaces intérieure et extérieure de la forme de coupe.

r1. Congé interne : rayon du congé d'angle interne d'une courbure dans une forme de coupe en acier plié à froid.

y. Centre de gravité horizontal : distance entre le centre de gravité de la forme de coupe et les extrémités de gauche le long de l'axe horizontal.

z. Centre de gravité vertical : distance entre le centre de gravité de la forme de coupe et les extrémités inférieures le long de l'axe vertical.

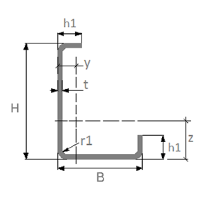
Profils en L avec balèvres

B. Largeur : largeur externe de la forme de coupe.

H. Hauteur : hauteur externe de la forme de coupe.

h1. Longueur de la balèvre : distance entre la surface extérieure de la forme de coupe et l'extrémité du segment de balèvre.

T. Epaisseur de conception du mur : épaisseur de conception perpendiculaire entre les surfaces extérieure et intérieure d'une forme de coupe.

t. Epaisseur nominale du mur : distance perpendiculaire moyenne entre les surfaces intérieure et extérieure de la forme de coupe.

r1. Congé interne : rayon du congé d'angle interne d'une courbure dans une forme de coupe en acier plié à froid.

y. Centre de gravité horizontal : distance entre le centre de gravité de la forme de coupe et les extrémités de gauche le long de l'axe horizontal.

z. Centre de gravité vertical : distance entre le centre de gravité de la forme de coupe et les extrémités inférieures le long de l'axe vertical.

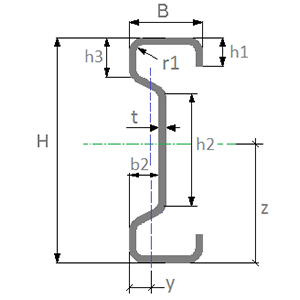
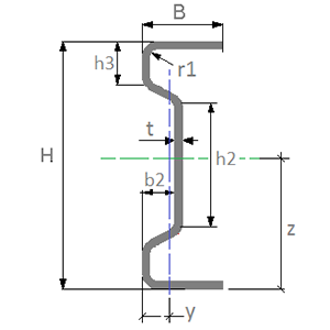
Profil sigma

B. Largeur : largeur externe de la forme de coupe.

H. Hauteur : hauteur externe de la forme de coupe.

b2. Largeur de la courbure : distance entre les extrémités de gauche de la forme de coupe et la surface extérieure du segment de courbure central.

h2. Longueur de courbure centrale : longueur de la surface intérieure du segment de courbure central.

h3. Longueur de courbure supérieure : la distance entre la surface extérieure du haut de la forme de coupe et à la fin de la partie supérieure de la boîte de raccordement.

T. Epaisseur de conception du mur : épaisseur de conception perpendiculaire entre les surfaces extérieure et intérieure d'une forme de coupe.

t. Epaisseur nominale du mur : distance perpendiculaire moyenne entre les surfaces intérieure et extérieure de la forme de coupe.

r1. Congé interne : rayon du congé d'angle interne d'une courbure dans une forme de coupe en acier plié à froid.

y. Centre de gravité horizontal : distance entre le centre de gravité de la forme de coupe et les extrémités de gauche le long de l'axe horizontal.

z. Centre de gravité vertical : distance entre le centre de gravité de la forme de coupe et les extrémités inférieures le long de l'axe vertical.

Profil sigma avec pli

B. Largeur : largeur externe de la forme de coupe.

H. Hauteur : hauteur externe de la forme de coupe.

b1. Longueur du pli : distance entre la surface extérieure du segment de balèvre et l'extrémité du segment plié.

h1. Longueur de la balèvre : distance entre la surface extérieure de la forme de coupe et l'extrémité du segment de balèvre.

b2. Largeur de la courbure : distance entre les extrémités de gauche de la forme de coupe et la surface extérieure du segment de courbure central.

h2. Longueur de courbure centrale : longueur de la surface intérieure du segment de courbure central.

h3. Longueur de courbure supérieure : la distance entre la surface extérieure du haut de la forme de coupe et à la fin de la partie supérieure de la boîte de raccordement.

T. Epaisseur de conception du mur : épaisseur de conception perpendiculaire entre les surfaces extérieure et intérieure d'une forme de coupe.

t. Epaisseur nominale du mur : distance perpendiculaire moyenne entre les surfaces intérieure et extérieure de la forme de coupe.

r1. Congé interne : rayon du congé d'angle interne d'une courbure dans une forme de coupe en acier plié à froid.

y. Centre de gravité horizontal : distance entre le centre de gravité de la forme de coupe et les extrémités de gauche le long de l'axe horizontal.

z. Centre de gravité vertical : distance entre le centre de gravité de la forme de coupe et les extrémités inférieures le long de l'axe vertical.

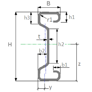
Profil sigma avec balèvres

B. Largeur : largeur externe de la forme de coupe.

H. Hauteur : hauteur externe de la forme de coupe.

b2. Largeur de la courbure : distance entre les extrémités de gauche de la forme de coupe et la surface extérieure du segment de courbure central.

h1. Longueur de la balèvre : distance entre la surface extérieure de la forme de coupe et l'extrémité du segment de balèvre.

h2. Longueur de courbure centrale : longueur de la surface intérieure du segment de courbure central.

h3. Longueur de courbure supérieure : la distance entre la surface extérieure du haut de la forme de coupe et à la fin de la partie supérieure de la boîte de raccordement.

T. Epaisseur de conception du mur : épaisseur de conception perpendiculaire entre les surfaces extérieure et intérieure d'une forme de coupe.

t. Epaisseur nominale du mur : distance perpendiculaire moyenne entre les surfaces intérieure et extérieure de la forme de coupe.

r1. Congé interne : rayon du congé d'angle interne d'une courbure dans une forme de coupe en acier plié à froid.

y. Centre de gravité horizontal : distance entre le centre de gravité de la forme de coupe et les extrémités de gauche le long de l'axe horizontal.

z. Centre de gravité vertical : distance entre le centre de gravité de la forme de coupe et les extrémités inférieures le long de l'axe vertical.

Profil en Z

B. Largeur : largeur externe de la forme de coupe.

H. Hauteur : hauteur externe de la forme de coupe.

b1. Longueur de la bride inférieure : distance entre la surface intérieure de la forme de la coupe et l'extrémité du segment de l'aile inférieure.

T. Epaisseur de conception du mur : épaisseur de conception perpendiculaire entre les surfaces extérieure et intérieure d'une forme de coupe.

t. Epaisseur nominale du mur : distance perpendiculaire moyenne entre les surfaces intérieure et extérieure de la forme de coupe.

r1. Congé interne : rayon du congé d'angle interne d'une courbure dans une forme de coupe en acier plié à froid.

y. Centre de gravité horizontal : distance entre le centre de gravité de la forme de coupe et les extrémités de gauche le long de l'axe horizontal.

z. Centre de gravité vertical : distance entre le centre de gravité de la forme de coupe et les extrémités inférieures le long de l'axe vertical.

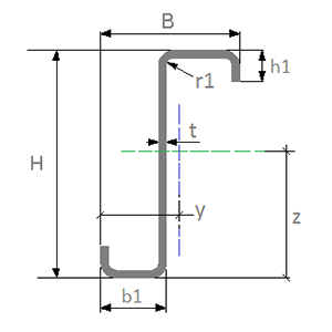
Profil en Z avec balèvres

B. Largeur : largeur externe de la forme de coupe.

H. Hauteur : hauteur externe de la forme de coupe.

b1. Longueur de la bride inférieure : distance entre la surface intérieure de la forme de la coupe et l'extrémité du segment de l'aile inférieure.

h1. Longueur de la balèvre : distance entre la surface extérieure de la forme de coupe et l'extrémité du segment de balèvre.

T. Epaisseur de conception du mur : épaisseur de conception perpendiculaire entre les surfaces extérieure et intérieure d'une forme de coupe.

t. Epaisseur nominale du mur : distance perpendiculaire moyenne entre les surfaces intérieure et extérieure de la forme de coupe.

r1. Congé interne : rayon du congé d'angle interne d'une courbure dans une forme de coupe en acier plié à froid.

y. Centre de gravité horizontal : distance entre le centre de gravité de la forme de coupe et les extrémités de gauche le long de l'axe horizontal.

z. Centre de gravité vertical : distance entre le centre de gravité de la forme de coupe et les extrémités inférieures le long de l'axe vertical.