この練習では、REM コマンドを使用してラスター イメージを修正する方法を学びます。
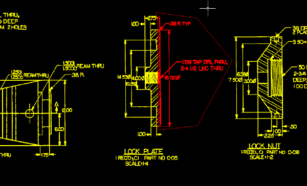
ここでは、ドリル治具の部品であるロック プレートを修正します。具体的には、ロック プレート背面を厚くし、次に厚さの変更に合わせて寸法値を修正します。
この練習を行う前に、AutoCAD Raster Design toolsetのオプションが「練習 A1: AutoCAD Raster Design Toolsetのオプションを設定する」で説明したとおりに設定されていることを確認する必要があります。
[名前の付いたビュー]パネル
[ビュー管理]
をクリックします。次に、[モデル ビュー]ノードを展開し、TU_lock_plate という名前のビューを選択し、[現在に設定]をクリックして、[OK]をクリックします。
ロック プレートを 2 つの部分に分割する
[REM]パネル
[領域を作成]ドロップダウン メニュー
[ポリゴン領域]
をクリックします。

この操作により、ラスター イメージ内にギャップが生じます。部品に他の変更を行うには、その前に領域オブジェクトをイメージに合成する必要があります。
上部の水平線を閉じる
[名前の付いたビュー]パネル
[ビュー管理]
をクリックします。次に、[モデル ビュー]ノードを展開し、TU_2.75 という名前のビューを選択し、[現在に設定]をクリックして、[OK]をクリックします。
[REM]パネル
[プリミティブを作成]ドロップダウン メニュー
[線分]
をクリックします。ロックプレートの上部の水平線を選択します。
線分がプリミティブ オブジェクトになります。

下部の水平線を閉じる
[名前の付いたビュー]パネル
[ビュー管理]
をクリックします。次に、[モデル ビュー]ノードを展開し、TU_bottom という名前のビューを選択し、[現在に設定]をクリックして、[OK]をクリックします。
[REM]パネル
[プリミティブを作成]ドロップダウン メニュー
[線分]
をクリックします。ロックプレートの下部の水平線を選択します。
線分がプリミティブ オブジェクトになります。

ねじ山の線を閉じる
[名前の付いたビュー]パネル
[ビュー管理]
をクリックします。次に、[モデル ビュー]ノードを展開し、TU_thread という名前のビューを選択し、[現在に設定]をクリックして、[OK]をクリックします。
[REM]パネル
[領域を作成]ドロップダウン メニュー
[矩形領域]
をクリックします。
次に、このオブジェクトを複写して、ねじ山の線の隙間を埋めることができます。


[すべて選択解除]を選択します。
寸法値を置換する
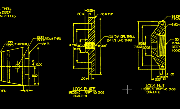
次は、変更されたロック プレートの厚さを反映して、寸法値を 2.75 から 3.00 に変更します。
[名前の付いたビュー]パネル
[ビュー管理]
をクリックします。次に、[モデル ビュー]ノードを展開し、TU_2.75 という名前のビューを選択し、[現在に設定]をクリックして、[OK]をクリックします。
[ベクトル化と文字認識]パネル
[文字]ドロップダウン メニュー
[文字]
をクリックします。次に、数字の 2 の左下の点を選択します。
クロスヘア カーソルは、新しい寸法値を配置するための挿入点の場所を示しています。

AutoCAD Raster Design toolsetによって、指定した点に新しい寸法値が記入されます。コマンド ラインに、ラスター文字を削除するスマート ウインドウ オプションが表示されたことに注意してください。ラスター文字 2.75 を削除するために次回もこの方法を使用します。
[編集]パネル(展開時)
[ラスター ペン]
をクリックします。
次のサンプルは、新しい寸法値のためのラスター ペンの幅を決定する 2 点を指定する場所を示しています。ベクトル寸法値からラスター文字を作成するときは、文字の線幅がイメージ内の線幅と同程度になるようにします。

次のサンプルは、元の寸法値を、ベクトル寸法値から作成した新しいラスター文字に置換した後のイメージを示しています。

ロック プレートの変更を確認する
[名前の付いたビュー]パネル
[ビュー管理]
をクリックします。次に、[モデル ビュー]ノードを展開し、TU_lock_plate という名前のビューを選択し、[現在に設定]をクリックして、[OK]をクリックします。
このサンプルは、修正後のロック プレートと寸法値を示しています。
