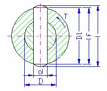
권장값:
d = (0.2 -0.3) D
D 1 = (1.5 - 2) D - 강과 주강의 경우
D 1 = 2.5 D - 회주철의 경우
활성 핀 길이
핀 활성 길이 l f 는 모따기 및 모깎기에 의해 줄어든 길이입니다. 활성 길이는 일반적으로 하중을 수반합니다.
미터법 단위 공식
굽힘 응력
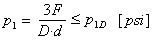
로드의 압력
클레비스의 압력
전단 응력
설명:
|
F |
힘 [N] |
|
|
σ 0 |
굽힘 응력 [MPa] |
|
|
σ 0D |
허용 굽힘 응력 [MPa] |
|
|
M 0 |
굽힘 모멘트 [N mm] |
|
|
W 0 |
굽힘 단면 계수 [mm 3 ] |
|
| τ |
전단 응력 [MPa] |
|
|
τ D |
허용 전단 응력 [MPa] |
|
|
d |
핀 지름 [mm] |
|
|
p 1 |
로드의 압력 [MPa] |
|
|
p 2 |
클레비스의 압력 [MPa] |
|
|
p 1D |
로드의 허용 압력 [MPa] |
|
|
p 2D |
클레비스의 허용 압력 [MPa] |
|
|
b |
로드 폭 [mm] |
|
|
a |
클레비스 암 폭 [mm] |
|
|
D |
샤프트 지름 [mm] |
영국식 단위 공식
굽힘 응력
로드의 압력
클레비스의 압력
전단 응력
설명:
|
F |
힘 [lb] |
|
|
σ 0 |
굽힘 응력 [psi] |
|
|
σ 0D |
허용 굽힘 응력 [psi] |
|
|
M 0 |
굽힘 모멘트 [ln ft] |
|
|
W 0 |
굽힘 단면 계수 [in 3 ] |
|
| τ |
전단 응력 [psi] |
|
|
τ D |
허용 전단 응력 [psi] |
|
|
d |
핀 지름 [in] |
|
|
p 1 |
로드의 압력 [psi] |
|
|
p 2 |
클레비스의 압력 [psi] |
|
|
p 1D |
로드의 허용 압력 [psi] |
|
|
p 2D |
클레비스의 허용 압력 [psi] |
|
|
b |
로드 폭 [in] |
|
|
a |
클레비스 암 폭 [in] |
|
|
D |
샤프트 지름 [in] |