 
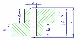
활성 핀 길이
핀 활성 길이 l f 는 모따기 및 모깎기에 의해 줄어든 길이입니다. 활성 길이는 일반적으로 하중을 수반합니다.
공식
전단 응력 검사
 
접촉 압력 검사
 
미터법 단위의 기호 해석:
| τ | 전단 응력 [MPa] | 
| τ A | 허용 전단 응력 [MPa] | 
| d | 핀 지름 [mm] | 
| p 1 | 상단 보드의 압력 [MPa] | 
| p 2 | 하단 보드의 압력 [MPa] | 
| p 1A | 상단 보드의 허용 압력 [MPa] | 
| p 2A | 하단 보드의 허용 압력 [MPa] | 
| s 1 | 상단 보드의 두께 [mm] | 
| s 2 | 하단 보드의 두께 [mm] | 
영국식 단위의 기호 해석:
| τ | 전단 응력 [psi] | 
| τ A | 허용 전단 응력 [psi] | 
| d | 핀 지름 [in] | 
| p 1 | 상단 보드의 압력 [psi] | 
| p 2 | 하단 보드의 압력 [psi] | 
| p 1A | 상단 보드의 허용 압력 [psi] | 
| p 2A | 하단 보드의 허용 압력 [psi] | 
| s 1 | 상단 보드의 두께 [in] | 
| s 2 | 하단 보드의 두께 [in] |