자동 스케치 치수는 기본적으로 꺼져 있습니다. 패밀리에 하나 이상의 레이블이 지정된 치수가 있는 경우 나타납니다.
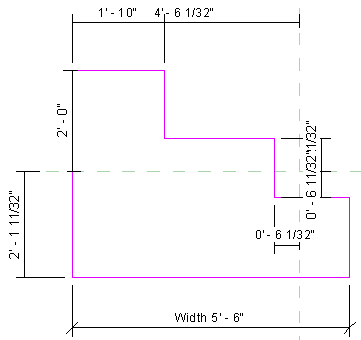
다음 이미지에서는 형상에 치수가 추가되었지만 치수에 레이블이 없습니다.

자동 스케치 치수는 가시성이 없습니다.
자동 스케치 치수의 가시성을 켜려면 다음을 수행합니다.
그래픽 패널
(가시성/그래픽)을 클릭하거나 VG를 입력합니다.
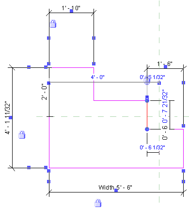
자동 스케치 치수가 표시됩니다.

Revit은 이제 참조 평면 또는 기타 스케치 선에 대해 형상의 각 선이 어디에 위치하는지 알고 있습니다.
잠긴 치수를 추가할 때 그림과 같이 잠긴 치수가 자동 스케치 치수를 대치합니다.
