콜아웃 태그는 상위 뷰에서 콜아웃의 위치를 표시하는 주석 요소입니다.
설정 패널
추가 설정 드롭 다운을 클릭하고 콜아웃 태그를 선택합니다.

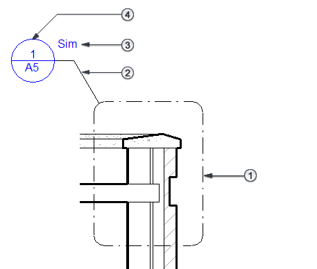
콜아웃 태그는 다음과 같은 부품으로 구성됩니다.
콜아웃 버블. 콜아웃 영역을 정의하기 위해 상위 뷰의 부품 주위에 그려진 선.
지시선 콜아웃 헤드를 콜아웃 버블에 연결하는 선.
참조 레이블. 참조 콜아웃 전용. 콜아웃에 대한 정보를 제공하기 위해 콜아웃 태그에 표시되는 문자.
콜아웃 헤드 콜아웃을 나타내는 기호. 시트에 콜아웃을 배치할 때 콜아웃 헤드는 기본적으로 해당하는 상세 번호 및 시트 번호를 표시합니다.