Ten podzespół tworzy nakładkę po jednej stronie istniejącej drogi i dodaje jeden lub więcej pasów ruchu do krawędzi, używając nachylenia przechyłki zdefiniowanego dla zewnętrznego pasa ruchu.

Przy niezerowej wartości Głębokości warstwy nałożonej, punkt dołączenia znajduje się na wewnętrznej krawędzi góry warstwy nałożonej; przy wartości zerowej, na wewnętrznej krawędzi nachylenia końcowego poszerzanego pasa.
Uwaga: Jeśli nie zaznaczono inaczej, wszystkie wymiary podawane są w metrach lub stopach. Wszystkie nachylenia podawane są jako kąt względem pionu (np. 4 : 1), chyba że podano nachylenie procentowe ze znakiem %.
|
Parametr |
Opis |
Rodzaj |
Wartość domyślna |
|---|---|---|---|
|
Odsunięcie punktu kontrolnego |
Odsunięcie punktu kontrolnego, definiującego początek warstwy nałożonej nawierzchni drogi. |
Liczbowy |
0.0 |
|
Odsunięcie punktu wewnętrznego |
Odsunięcie punktu wstawienia pasa ruchu tworzącego poszerzenie znajdującego się zazwyczaj na krawędzi istniejącej jezdni. Dodatnia wartość dla tego parametru spowoduje wstawienie tego podzespołu po prawej stronie korytarza lub sterującej linii bazowej. Wartość ujemna spowoduje wstawienie go po lewej stronie. Więcej informacji na ten temat znajduje się w sekcji „Wstawianie podzespołów po prawej i lewej stronie korytarza” w rozdziale Korytarze Pomocy podręcznika użytkownika programu Autodesk Civil 3D. |
Liczbowy |
0.0 |
|
Głębokość warstwy nałożonej |
Głębokość warstwy nałożonej nad istniejącym nachyleniem końcowym przy punkcie kontrolnym. |
Liczbowy, dodatni |
0.100 m 0.30 stopy |
|
Szerokość |
Szerokość poszerzanego pasa ruchu |
Liczbowy, dodatni |
3.6 m 12.0 stopy |
|
Głębokość Naw1 |
Grubość warstwy Naw1 poszerzenia pasa ruchu; zero oznacza pominięcie |
Liczbowy, dodatni |
0.025 m 0.083 stopy |
|
Głębokość Naw2 |
Grubość warstwy Naw2 poszerzenia pasa ruchu; zero oznacza pominięcie |
Liczbowy, dodatni |
0.025 m 0.083 stopy |
|
Głębokość warstwy podstawowej |
Grubość warstwy podstawowej poszerzenia pasa ruchu |
Liczbowy, dodatni |
0.100 m 0.333 stopy |
|
Głębokość dolnej warstwy nośnej |
Grubość dolnej warstwy nośnej poszerzenia pasa ruchu |
Liczbowy, dodatni |
0.300 m 1.0 stopy |
W tej sekcji opisano występujące w tym podzespole parametry, które można mapować do jednego lub większej liczby obiektów docelowych, takich jak powierzchnia, linia trasowania lub obiekt profilu na rysunku. Więcej informacji zawiera temat Określanie ustawień docelowych korytarza.
|
Parametr |
Opis |
Stan |
|---|---|---|
|
Istniejąca powierzchnia |
Nazwa powierzchni definiującej istniejącą jezdnię. Następujące typy obiektów można zastosować jako obiekty docelowe do określania tej powierzchni: powierzchnie. |
Wymagany |
|
Odsunięcie punktu kontrolnego |
Może być używany do zastąpienia stałej wartości Odsunięcie punktu kontrolnego i łączenia tego punktu z linią trasowania odsunięcia. Następujące typy obiektów można zastosować jako obiekty docelowe do określania tego odsunięcia: linie trasowania, polilinie, linie charakterystyczne lub figury pomiarowe. |
Opcjonalny |
|
Odsunięcie punktu wewnętrznego |
Może być używany do zastąpienia stałej wartości Odsunięcie punktu wewnętrznego i łączenia tego punktu z linią trasowania odsunięcia. Następujące typy obiektów można zastosować jako obiekty docelowe do określania tego odsunięcia: linie trasowania, polilinie, linie charakterystyczne lub figury pomiarowe. |
Opcjonalny |
|
Szerokość |
Można używać do zastąpienia stałej wartości Szerokość poszerzanego pasa i łączenia krawędzi pasa z linią trasowania odsunięcia. Następujące typy obiektów można zastosować jako obiekty docelowe do określania tego odsunięcia: linie trasowania, polilinie, linie charakterystyczne lub figury pomiarowe. |
Opcja |
|
Parametr |
Opis |
Typ |
|---|---|---|
|
Nachylenie % |
Obliczane nachylenie na istniejącej powierzchni od punktu próbkowania do punktu wewnętrznego. |
Liczbowy |
Z właściwości bieżącej linii trasowania kontrolnego pobierana jest przechyłka pasa zewnętrznego i wyznaczana jest rzędna istniejącej powierzchni przy odsunięciu punktu kontrolnego.
Jeśli dana jest niezerowa wartość Głębokości warstwy nałożonej, głębokość ta jest wykorzystywana przy punkcie kontrolnym. Góra warstwy nałożonej wydłużana jest przy nachyleniu przechyłki do Odsunięcia punktu wewnętrznego i kształt warstwy nałożonej zamykany jest przez połączenia nakładane na istniejącą powierzchnię pomiędzy punktami: kontrolnym i wewnętrznym oraz dodawane przy każdej końcówce połączenia pionowe. Poszerzany pas wydłużany jest na zewnątrz od krawędzi powierzchni warstwy nałożonej przy nachyleniu przechyłki i danej Szerokości.
Przy zerowej Głębokości warstwy nałożonej, poszerzany pas wydłużany jest na zewnątrz od Odsunięcia punktu wewnętrznego na istniejącej powierzchni, przy nachyleniu przechyłki i danej szerokości.
Końcówki warstw nawierzchni drogi zamykane są obustronnie pionowymi połączeniami. Wstawiane jest także pojedyncze pionowe połączenie, biegnące od wewnętrznej krawędzi dolnej warstwy nośnej do istniejącej powierzchni.
W trybie układu podzespół może być dołączony do jakiegokolwiek dogodnego punktu. Wyświetlana jest warstwa nałożona o jednolitej głębokości i szerokości 3.6 m lub 12 stóp, wydłużona przy nachyleniu -2%. Jeśli Głębokość warstwy nałożonej wynosi zero, nakładka wyświetlana jest jako pojedyncze połączenie. Poszerzany pas rozciąga się od krawędzi warstwy nałożonej przy nachyleniu -2%.
W trybie modelowania korytarza kształty dopasowują się do wybranego punktu kontrolnego, punktu wewnętrznego, nachylenia przechyłki i istniejącej powierzchni.

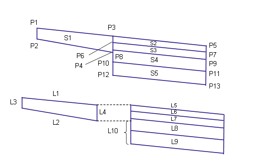
W następującej tabeli wymieniono kody kształtów, połączeń i punktów dla tych podzespołów, do których przypisano kody. Kody kształtu, połączeń i punktów dla tych podzespołów, do których nie przypisano kodów, nie zostały uwzględnione w tej tabeli.
|
Punkt, połączenie lub kształt |
Kod |
Opis |
|---|---|---|
|
P5 |
ETW |
Zewnętrzna krawędź poszerzanego pasa ruchu na nachyleniu końcowym |
|
P7 |
ETW_Pave1 |
Zewnętrzna krawędź poszerzanego pasa ruchu na Naw1 |
|
P9 |
ETW_Pave2 |
Zewnętrzna krawędź poszerzanego pasa ruchu na Naw2 |
|
P11 |
KJ_Warstwa_podstawowa |
Zewnętrzna krawędź poszerzanego pasa ruchu na warstwie podstawowej |
|
P13 |
KJ_Noś |
Zewnętrzna krawędź poszerzanego pasa ruchu na dolnej warstwie nośnej |
|
L1, L5 |
Top, Pave |
Powierzchnia nachylenia końcowego |
|
L2 |
Overlay |
Nałożone połączenia na istniejącej powierzchni Należy zauważyć, że pomiędzy punktami P3 i P4 może istnieć więcej połączeń. |
|
L6 |
Pave1 |
|
|
L7 |
Pave2 |
|
|
L8 |
Warstwa podstawowa |
|
|
L9 |
Dolna warstwa nośna, Rzędna odniesienia |
|
|
L10 |
Rzędna odniesienia |
|
|
S1 |
Overlay |
Obszar pomiędzy warstwą nałożoną i istniejącym pasem. |
|
S2 |
Pave1 |
|
|
S3 |
Pave2 |
|
|
S4 |
Warstwa podstawowa |
|
|
S5 |
Dolna warstwa nośna |
