Wymiary przekroju poprzecznego stali walcowanej na gorąco

Można przeglądać i modyfikować wartości parametrów kształtu przekroju elementów ram konstrukcyjnych ze stali walcowanej na gorąco.

Te właściwości typu zostaną utworzone z parametru kategorii rodziny kształtu przekroju elementu.

Kształt przekroju Dostępne parametry wymiarów przekroju
Standard rury

D. Średnica: zewnętrzna średnica przekroju o okrągłym kształcie.

T. Grubość projektowa ściany: Grubość prostopadła projektu między wewnętrzną i zewnętrzną powierzchnią kształtu przekroju.

t. Grubość nominalna ściany: średnia odległość prostopadła między wewnętrzną i zewnętrzną powierzchnią kształtu przekroju.

y. Centroida pozioma: odległość od środka ciężkości kształtu przekroju do skrajnych wartości z lewej strony wzdłuż osi poziomej.

z. Centroida pionowa: odległość od środka ciężkości przekroju kształtu do dolnych skrajnych wartości wzdłuż osi pionowej.

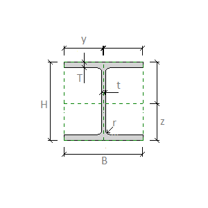
Dwuteownik o równoległych kanałach kołnierza

B. Szerokość: zewnętrzna szerokość kształtu przekroju.

H. Wysokość: zewnętrzna wysokość kształtu przekroju.

T. Grubość półki: odległość między zewnętrznymi powierzchniami kołnierza w kształcie przekroju.

t. Grubość środnika: odległość między zewnętrznymi powierzchniami środnika w kształcie przekroju.

r. Zaokrąglenie środnika: promień zaokrąglenia między środnikiem a kołnierzem.

y. Centroida pozioma: odległość od środka ciężkości kształtu przekroju do skrajnych wartości z lewej strony wzdłuż osi poziomej.

z. Centroida pionowa: odległość od środka ciężkości przekroju kształtu do dolnych skrajnych wartości wzdłuż osi pionowej.

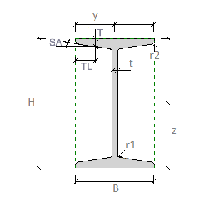
Dwuteownik o nachylonym kołnierzu

B. Szerokość: zewnętrzna szerokość kształtu przekroju.

H. Wysokość: zewnętrzna wysokość kształtu przekroju.

T. Grubość półki: odległość między zewnętrznymi powierzchniami kołnierza w kształcie przekroju.

GL.Pozycja grubości kołnierza: odległość od końca nachylonego kołnierza do miejsca, w którym jest mierzona grubość kołnierza.

SA.Kąt nachylonego kołnierza: kąt między płaszczyzną nachylonego kołnierza a płaszczyzną poziomą.

t. Grubość środnika: odległość między zewnętrznymi powierzchniami środnika w kształcie przekroju.

r1. Zaokrąglenie środnika: promień zaokrąglenia między środnikiem a kołnierzem.

r2. Zaokrąglenie kołnierza: promień zaokrąglenia na końcu kołnierza w kształcie przekroju.

y. Centroida pozioma: odległość od środka ciężkości kształtu przekroju do skrajnych wartości z lewej strony wzdłuż osi poziomej.

z. Centroida pionowa: odległość od środka ciężkości przekroju kształtu do dolnych skrajnych wartości wzdłuż osi pionowej.

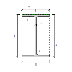
Dwuteownik szerokostopowy

B. Szerokość: zewnętrzna szerokość kształtu przekroju.

H. Wysokość: zewnętrzna wysokość kształtu przekroju.

T. Grubość półki: odległość między zewnętrznymi powierzchniami kołnierza w kształcie przekroju.

t. Grubość środnika: odległość między zewnętrznymi powierzchniami środnika w kształcie przekroju.

r. Zaokrąglenie środnika: promień zaokrąglenia między środnikiem a kołnierzem.

y. Centroida pozioma: odległość od środka ciężkości kształtu przekroju do skrajnych wartości z lewej strony wzdłuż osi poziomej.

z. Centroida pionowa: odległość od środka ciężkości przekroju kształtu do dolnych skrajnych wartości wzdłuż osi pionowej.

Ceownik o równoległych kanałach kołnierza

B. Szerokość: zewnętrzna szerokość kształtu przekroju.

H. Wysokość: zewnętrzna wysokość kształtu przekroju.

T. Grubość półki: odległość między zewnętrznymi powierzchniami kołnierza w kształcie przekroju.

t. Grubość środnika: odległość między zewnętrznymi powierzchniami środnika w kształcie przekroju.

r. Zaokrąglenie środnika: promień zaokrąglenia między środnikiem a kołnierzem.

y. Centroida pozioma: odległość od środka ciężkości kształtu przekroju do skrajnych wartości z lewej strony wzdłuż osi poziomej.

z. Centroida pionowa: odległość od środka ciężkości przekroju kształtu do dolnych skrajnych wartości wzdłuż osi pionowej.

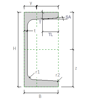
Ceownik o nachylonym kołnierzu

B. Szerokość: zewnętrzna szerokość kształtu przekroju.

H. Wysokość: zewnętrzna wysokość kształtu przekroju.

T. Grubość półki: odległość między zewnętrznymi powierzchniami kołnierza w kształcie przekroju.

GL.Pozycja grubości kołnierza: odległość od końca nachylonego kołnierza do miejsca, w którym jest mierzona grubość kołnierza.

SA.Kąt nachylonego kołnierza: kąt między płaszczyzną nachylonego kołnierza a płaszczyzną poziomą.

t. Grubość środnika: odległość między zewnętrznymi powierzchniami środnika w kształcie przekroju.

r1. Zaokrąglenie środnika: promień zaokrąglenia między środnikiem a kołnierzem.

r2. Zaokrąglenie kołnierza: promień zaokrąglenia na końcu kołnierza w kształcie przekroju.

y. Centroida pozioma: odległość od środka ciężkości kształtu przekroju do skrajnych wartości z lewej strony wzdłuż osi poziomej.

z. Centroida pionowa: odległość od środka ciężkości przekroju kształtu do dolnych skrajnych wartości wzdłuż osi pionowej.

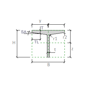
Kątownik

B. Szerokość: zewnętrzna szerokość kształtu przekroju.

H. Wysokość: zewnętrzna wysokość kształtu przekroju.

T. Grubość półki: odległość między zewnętrznymi powierzchniami kołnierza w kształcie przekroju.

t. Grubość środnika: odległość między zewnętrznymi powierzchniami środnika w kształcie przekroju.

r1. Zaokrąglenie środnika: promień zaokrąglenia między środnikiem a kołnierzem.

r2. Zaokrąglenie kołnierza: promień zaokrąglenia na końcu kołnierza w kształcie przekroju.

r3.Górne zaokrąglenie środnika: promień zaokrąglenia na górze środnika w kształcie przekroju.

y. Centroida pozioma: odległość od środka ciężkości kształtu przekroju do skrajnych wartości z lewej strony wzdłuż osi poziomej.

z. Centroida pionowa: odległość od środka ciężkości przekroju kształtu do dolnych skrajnych wartości wzdłuż osi pionowej.

alfa. Kąt osi głównych: kąt obrotu między osiami głównymi a płaszczyznami odniesienia przekroju poprzecznego. Jest ujęty na liście jako parametr rodziny Analiza konstrukcji.

Dwuteownik podzielony o równoległych kanałach kołnierza

B. Szerokość: zewnętrzna szerokość kształtu przekroju.

H. Wysokość: zewnętrzna wysokość kształtu przekroju.

T. Grubość półki: odległość między zewnętrznymi powierzchniami kołnierza w kształcie przekroju.

t. Grubość środnika: odległość między zewnętrznymi powierzchniami środnika w kształcie przekroju.

r. Zaokrąglenie środnika: promień zaokrąglenia między środnikiem a kołnierzem.

y. Centroida pozioma: odległość od środka ciężkości kształtu przekroju do skrajnych wartości z lewej strony wzdłuż osi poziomej.

z. Centroida pionowa: odległość od środka ciężkości przekroju kształtu do dolnych skrajnych wartości wzdłuż osi pionowej.

Dwuteownik podzielony o nachylonym kołnierzu

B. Szerokość: zewnętrzna szerokość kształtu przekroju.

H. Wysokość: zewnętrzna wysokość kształtu przekroju.

T. Grubość półki: odległość między zewnętrznymi powierzchniami kołnierza w kształcie przekroju.

GL.Pozycja grubości kołnierza: odległość od końca nachylonego kołnierza do miejsca, w którym jest mierzona grubość kołnierza.

SA.Kąt nachylonego kołnierza: kąt między płaszczyzną nachylonego kołnierza a płaszczyzną poziomą.

t. Grubość środnika: odległość między zewnętrznymi powierzchniami środnika w kształcie przekroju.

r1. Zaokrąglenie środnika: promień zaokrąglenia między środnikiem a kołnierzem.

r2. Zaokrąglenie kołnierza: promień zaokrąglenia na końcu kołnierza w kształcie przekroju.

y. Centroida pozioma: odległość od środka ciężkości kształtu przekroju do skrajnych wartości z lewej strony wzdłuż osi poziomej.

z. Centroida pionowa: odległość od środka ciężkości przekroju kształtu do dolnych skrajnych wartości wzdłuż osi pionowej.

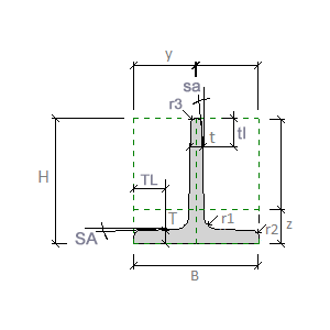
Trójniki konstrukcyjne

B. Szerokość: zewnętrzna szerokość kształtu przekroju.

H. Wysokość: zewnętrzna wysokość kształtu przekroju.

GL.Pozycja grubości kołnierza: odległość od końca nachylonego kołnierza do miejsca, w którym jest mierzona grubość kołnierza.

SA.Kąt nachylonego kołnierza: kąt między płaszczyzną nachylonego kołnierza a płaszczyzną poziomą.

t. Grubość środnika: odległość między zewnętrznymi powierzchniami środnika w kształcie przekroju.

tl.Pozycja grubości środnika: odległość od końca nachylonego średnika do miejsca, w którym jest mierzona grubość środnika.

sa.Kąt nachylonego środnika: kąt między płaszczyzną nachylonego środnika a płaszczyzną pionową.

r1. Zaokrąglenie środnika: promień zaokrąglenia między środnikiem a kołnierzem.

r2. Zaokrąglenie kołnierza: promień zaokrąglenia na końcu kołnierza w kształcie przekroju.

r3.Górne zaokrąglenie środnika: promień zaokrąglenia na górze środnika w kształcie przekroju.

y. Centroida pozioma: odległość od środka ciężkości kształtu przekroju do skrajnych wartości z lewej strony wzdłuż osi poziomej.

z. Centroida pionowa: odległość od środka ciężkości przekroju kształtu do dolnych skrajnych wartości wzdłuż osi pionowej.