Essa submontagem substitui um lado de uma estrada existente e adiciona uma ou mais pistas de rolamento às bordas esquerda e direita ao corresponder às inclinações da pista existente.

O ponto de fixação encontra-se na borda interna da parte superior da camada de sobreposição.
Nota: todas as cotas estão expressas em metros ou pés, a não ser que indicadas de outra forma. Todas as inclinações estão em forma de trecho sobre elevação (por exemplo, 4 : 1), a não ser que sejam indicadas como um percentual de inclinação, por meio de um sinal “%”.
|
Parâmetro |
Descrição |
Tipo |
Padrão |
|---|---|---|---|
|
Deslocamento de ponto da amostra |
Deslocamento do ponto da amostra, que pode ser em qualquer lugar entre o ponto de inserção e a próxima interrupção da inclinação na superfície da estrada existente. São localizações típicas de ponto de amostra a estrada coroada, ou o oposto da margem da pista de rolamento, se a estrada não for coroada. |
Numérico |
0.0 |
|
Inserir deslocamento de ponto |
Deslocamento do ponto de inserção, que encontra-se normalmente na margem da pista de rolamento onde o alargamento deve ocorrer |
Numérico |
0.0 |
|
Profundidade de sobreposição |
Profundidade da sobreposição acima da declividade final existente |
Numérico, positivo |
0,100 m 0,30 pés |
|
Largura |
Largura da pista de alargamento |
Numérico, positivo |
3,6 m 12,0 pés |
|
Profundidade Pave1 |
Espessura da camada Pave1 para o alargamento da pista; zero para omitir |
Numérico, positivo |
0,025 m 0,083 pés |
|
Profundidade Pave2 |
Espessura da camada Pave2 para o alargamento da pista; zero para omitir |
Numérico, positivo |
0,025 m 0,083 pés |
|
Profundidade base |
Espessura da camada base para o alargamento da pista |
Numérico, positivo |
0,100 m 0,333 pés |
|
Profundidade de sub-base |
Espessura da camada de sub-base para o alargamento da pista |
Numérico, positivo |
0,300 m 1,0 pés |
Esta seção lista os parâmetros nesta submontagem que podem ser mapeados para um ou mais objetos de tangente, como uma superfície, um alinhamento ou objeto de perfil em um desenho. Para obter mais informações, consulte Para especificar os alvos do corredor.
|
Parâmetro |
Descrição |
Status |
|---|---|---|
|
Superfície existente |
Nome da superfície que define a rodovia existente. Os seguintes tipos de objeto podem ser usados como alvos para especificar esta superfície: superfícies. |
Necessário |
|
Deslocamento de ponto da amostra |
Pode ser utilizado para substituir o deslocamento de ponto de amostra fixo e vinculá-lo a um alinhamento de deslocamento. Os seguintes tipos de objetos podem ser usados como alvos para especificar este deslocamento: alinhamentos, polilinhas, linhas de recurso ou imagens de levantamento topográfico. |
Opcional |
|
Inserir deslocamento de ponto |
Pode ser utilizada para substituir a deslocamento do ponto fixo inserido e vincular o ponto com um alinhamento de deslocamento. Os seguintes tipos de objetos podem ser usados como alvos para especificar este deslocamento: alinhamentos, polilinhas, linhas de recurso ou imagens de levantamento topográfico. |
Opcional |
|
Largura |
Pode ser utilizada para substituir a largura fixa de pista de alargamento e vincular a margem da pista de rolamento com um alinhamento de deslocamento. Os seguintes tipos de objetos podem ser usados como alvos para especificar este deslocamento: alinhamentos, polilinhas, linhas de recurso ou imagens de levantamento topográfico. |
Opcional |
|
Parâmetro |
Descrição |
Tipo |
|---|---|---|
|
%Inclinação |
A inclinação calculada na superfície existente do ponto de amostra ao ponto de inserção |
Numérico |
As elevações do ponto de amostra e do ponto de inserção na superfície existente são determinados, e a inclinação é calculada entre esses dois pontos. Uma camada de sobreposição é adicionada acima da pista existente na mesma inclinação da profundidade da sobreposição. Uma forma de sobreposição fechada é criada ao substituir um ou mais vínculos acima da declividade existente. A pista de expansão é anexada fora da sobreposição no deslocamento de inserção usando a inclinação calculada.
As camadas de pavimento são fechadas com vínculos verticais em cada extremidade. Um único vínculo vertical também é colocado da margem interna da sub-base à superfície existente.
No modo de layout, esta submontagem é anexada a qualquer ponto conveniente. A camada de sobreposição é mostrada em uma profundidade uniforme para uma largura de 3.6 metros ou 12 pés em uma inclinação de -2%. A pista de alargamento se estende da borda da sobreposição nas larguras e profundidades determinadas na inclinação de -2%.
No modo de modelagem, as formas se ajustam às condições determinadas pelo ponto de amostra, ponto de inserção e superfície existente.

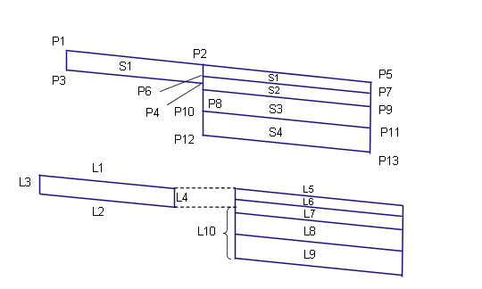
A tabela a seguir lista o ponto, o vínculo, e os códigos da forma para esta submontagem que tenha códigos atribuídos à ela. Ponto, vínculo ou códigos da forma para esta submontagem que não possuam códigos atribuídos não estarão incluídos nesta tabela.
|
Ponto, vínculo ou forma |
Código |
Descrição |
|---|---|---|
|
P5 |
ETW |
Margem externa da pista de alargamento na declividade final |
|
P7 |
ETW_Pave1 |
Margem externa da pista de alargamento no Pave1 |
|
P9 |
ETW_Pave2 |
Margem externa da pista de alargamento no Pave2 |
|
P11 |
ETW_Base |
Margem externa da pista de alargamento na bases |
|
P13 |
ETW_Sub |
Margem externa da pista de alargamento na sub-base |
|
L1, L5 |
Top, Pave |
Superfície com declividade final |
|
L2 |
Sobreposição |
Sobreposto sobre vínculos na superfície existente. Observe que pode haver mais de um único vínculo entre pontos P3 e P4. |
|
L6 |
Pave1 |
|
|
L7 |
Pave2 |
|
|
L8 |
Base |
|
|
L9 |
Sub-base, referência |
|
|
L10 |
Referência |
|
|
S1 |
Sobreposição |
Área entre a sobreposição e a pista existente |
|
S2 |
Pave1 |
|
|
S3 |
Pave2 |
|
|
S4 |
Base |
|
|
S5 |
Sub-base |
