Cotas de forma de corte de aço (outro)

Reveja e modifique os valores dos parâmetros da cota da forma de corte de outros elementos de framing estrutural de aço.

Estas propriedades de tipo são criadas a partir do parâmetro de categoria da família de forma de corte do elemento.

Forma do corte Parâmetros de cotas de forma disponíveis
Barra de retangular

B. Largura: a largura externa da forma de corte.

H. Altura: a altura externa da forma de corte.

y. Centroide horizontal: a distância entre o centroide da forma de corte para a extremidade esquerda ao longo do eixo horizontal.

z. Centroide vertical: a distância entre o centroide da forma de corte na extremidade inferior ao longo do eixo vertical.

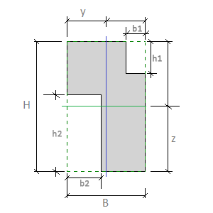
Corte retangular

B. Largura: a largura externa da forma de corte.

H. Altura: a altura externa da forma de corte.

h1. Altura do corte superior: a altura do corte superior em uma forma de seção de corte retangular.

b1. Largura do corte superior: a largura do corte superior em uma forma de seção de corte retangular.

h2. Altura do corte inferior: a altura do corte inferior em uma forma de seção de corte retangular.

b2. Largura do corte inferior: a largura do corte inferior superior em uma forma de seção de corte retangular.

y. Centroide horizontal: a distância entre o centroide da forma de corte para a extremidade esquerda ao longo do eixo horizontal.

z. Centroide vertical: a distância entre o centroide da forma de corte na extremidade inferior ao longo do eixo vertical.

Barra redonda

D. Diâmetro: o diâmetro externo da forma de corte redonda.

y. Centroide horizontal: a distância entre o centroide da forma de corte para a extremidade esquerda ao longo do eixo horizontal.

z. Centroide vertical: a distância entre o centroide da forma de corte na extremidade inferior ao longo do eixo vertical.

Forma de T

B. Largura: a largura externa da forma de corte.

H. Altura: a altura externa da forma de corte.

h1. Altura do balanço: a altura do flange do balanço na forma de corte.

b1. Comprimento do balanço: o comprimento do flange do balanço na forma de corte.

y. Centroide horizontal: a distância entre o centroide da forma de corte para a extremidade esquerda ao longo do eixo horizontal.

z. Centroide vertical: a distância entre o centroide da forma de corte na extremidade inferior ao longo do eixo vertical.

Forma transversal

B. Largura: a largura externa da forma de corte.

H. Altura: a altura externa da forma de corte.

h1. Altura do balanço: a altura do flange do balanço na forma de corte.

b1. Comprimento do balanço: o comprimento do flange do balanço na forma de corte.

y. Centroide horizontal: a distância entre o centroide da forma de corte para a extremidade esquerda ao longo do eixo horizontal.

z. Centroide vertical: a distância entre o centroide da forma de corte na extremidade inferior ao longo do eixo vertical.

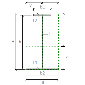
Forma de I soldada (aço castelado e soldado)

B. Largura: a largura externa da forma de corte.

H. Altura: a altura externa da forma de corte.

T2. Espessura do flange superior: a distância entre as superfícies externas do flange superior na forma de corte de um elemento castelado ou soldado.

b1. Largura do flange superior: a largura externa do flange superior na forma de corte de um elemento castelado ou soldado.

T1. Espessura do flange inferior: a distância entre as superfícies externas do flange inferior na forma de corte de um elemento castelado ou soldado.

b2. Largura do flange inferior: a largura externa do flange inferior na forma de corte de um elemento castelado ou soldado.

t. Espessura da teia: a distância entre as superfícies externas da teia na forma de corte.

h. Altura da teia: a distância ao longo da teia entre os flanges na forma de corte.

y. Centroide horizontal: a distância entre o centroide da forma de corte para a extremidade esquerda ao longo do eixo horizontal.

z. Centroide vertical: a distância entre o centroide da forma de corte na extremidade inferior ao longo do eixo vertical.