| Свойство | Пример | Описание |
|---|---|---|
|
Точка повтора: код, используемый для соединения активной фигуры сегментом с последней точкой или точкой с заданным идентификатором. |
EP1 RPN EP1 RPN101 |
EP1 – имя фигуры; выполняется продолжение активной фигуры при соответствии имени. RPN представляет собой код "Точка повтора". При отсутствии точки он выполняет соединение от предыдущей к текущей точке и вставляет сегмент перед текущей точкой. Код EP1 RPN101 соединяет текущую точку с указанной точкой. |
|
Точка соединения: код, используемый для создания новой фигуры (для того же объекта) с построением одного линейного сегмента из текущей точки в точку с указанным идентификатором. За кодом "Точка соединения" следует идентификатор заданной точки. |
EP1 B CPN101 |
В этом примере в текущей точке создается новая фигура, а также строится новая фигура с именем EP1.CPN101, состоящая из одного линейного сегмента, проходящего до точки 101. Имя фигуры можно изменить с помощью команды "Свойства фигуры". |
|
Код "Точка соединения" всегда создает фигуру, состоящую из одного линейного сегмента. На следующей иллюстрации представлен пример кода "Точка соединения": ![]() |
||
|
Прямоугольник: код, используемый для смещения сегмента, идущего в текущую точку, по заданному числовому значению. |
BLD1 <Прямоугольник>40 |
Положительное число задает смещение вправо, а отрицательное число – смещение влево по отношению к направлению линейного сегмента, входящего в текущую точку. Если код "Прямоугольник" не сопровождается числовым значением, то этот код замыкает фигуру, выполняя пересечение перпендикулярных линий между предыдущим сегментом, входящим в текущую точку, и первым сегментом фигуры. Прим.:
Для кода "Прямоугольник" без числа требуется, чтобы для текущей фигуры было предварительно задано не менее трех точек. |
|
На следующей иллюстрации показан код "Прямоугольник" с заданным значением 40: ![]() |
||
|
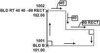
Правый поворот: код, используемый вместе с кодом сегмента линии; он позволяет вставить в фигуру дополнительные вершины по перпендикуляру либо по удлинению (прямолинейные смещения). |
BLD1 RT X10.1 5 -12.2 -5 -12.2 |
Продолжает активную фигуру "BLD1" до текущей точки, удлиняет текущий сегмент на 10,1 единиц, а затем строит перпендикулярные сегменты для каждого значения. После кода <Правый поворот> идут значения смещения либо коды <Удлинить> или <Прямоугольник>. Положительные числа указывают на излом вправо, а отрицательные числа – на излом влево. Прим.:
Используйте синтаксис "<Удлинить><Значение>", чтобы выполнить удлинение в текущем направлении: вперед с указанием положительного числа либо назад с указанием отрицательного числового значения. Прим.:
Используйте код <Прямоугольник> в конце кода <Правый поворот>. При этом выполняется замыкание фигуры к начальному сегменту в виде пересечения перпендикуляров от текущего линейного сегмента. |
|
На следующей иллюстрации представлены примеры кодов "Правый поворот" и "Прямоугольник": ![]() |
||
|
Удлинить: код, который используется для удлинения линейного сегмента из текущей точки при положительном значении или построения более короткого линейного сегмента при отрицательном значении. |
BLD1 X15.5 |
"BLD1" продолжает активную фигуру, "X" – код "Удлинить", а 15,5 – значение, на которое удлиняется линейный сегмент фигуры, проходящий через текущую точку. |
|
На следующих иллюстрациях показаны примеры кодов "Удлинить", "Правый поворот" и "Прямоугольник": ![]() |
||