Примеры определения размеров системы ВК

На следующих рисунках показаны результаты применения различных способов определения размеров труб.

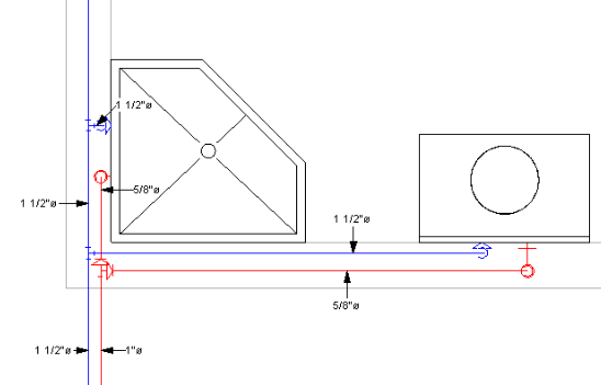
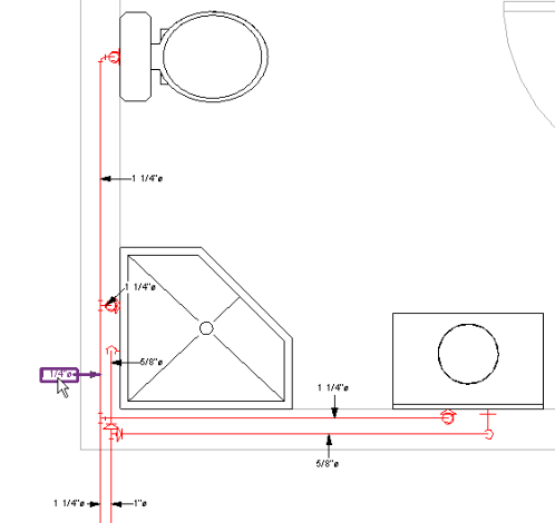
По трению и скорости

До определения размеров

После определения размеров

Только по трению

До определения размеров

После определения размеров

По трению и скорости — ветвь большего размера

До определения размеров

После определения размеров

По трению и скорости — согласование с размером соединителя

До определения размеров

После определения размеров

Только по скорости

До определения размеров

После определения размеров

Инспектор систем

Одна труба

Блок-схема