Просматривайте и изменяйте значения параметров размера формы сечения элементов несущих конструкций, изготовленных холодным формованием.
Эти свойства типа создаются на основе параметра категории семейства форм сечения элемента.
| Форма сечения | Доступные параметры размеров формы |
|---|---|
Прямоугольный HSS (холодногнутая сталь)
![]() |
B. Ширина: наружная ширина формы сечения. H. Высота: наружная высота формы сечения. T. Расчетная толщина стенки: перпендикулярная расчетная толщина между внутренней и наружной поверхностями формы сечения. t. Номинальная толщина стенки: среднее перпендикулярное расстояние между внутренней и наружной поверхностями формы сечения. r1. Внутреннее сопряжение: радиус сопряжения внутреннего угла формы сечения прямоугольной пустотелой несущей конструкции. r2. Внешнее сопряжение: радиус сопряжения внешнего угла формы сечения прямоугольной пустотелой несущей конструкции. y. Горизонтальный центроид: расстояние от центроида формы сечения до левого края по горизонтальной оси. z. Вертикальный центроид: расстояние от центроида формы сечения до нижнего края по вертикальной оси. |
Круглый HSS (холодногнутая сталь)
![]() |
D. Диаметр: внешний диаметр формы круглого сечения. T. Расчетная толщина стенки: перпендикулярная расчетная толщина между внутренней и наружной поверхностями формы сечения. t. Номинальная толщина стенки: среднее перпендикулярное расстояние между внутренней и наружной поверхностями формы сечения. y. Горизонтальный центроид: расстояние от центроида формы сечения до левого края по горизонтальной оси. z. Вертикальный центроид: расстояние от центроида формы сечения до нижнего края по вертикальной оси. |
С-образный профиль
![]() |
B. Ширина: наружная ширина формы сечения. H. Высота: наружная высота формы сечения. T. Расчетная толщина стенки: перпендикулярная расчетная толщина между внутренней и наружной поверхностями формы сечения. t. Номинальная толщина стенки: среднее перпендикулярное расстояние между внутренней и наружной поверхностями формы сечения. r1. Внутреннее сопряжение: радиус сопряжения внутреннего угла формы сечения изгиба в форме сечения стальной балки, изготовленной холодным формованием. y. Горизонтальный центроид: расстояние от центроида формы сечения до левого края по горизонтальной оси. z. Вертикальный центроид: расстояние от центроида формы сечения до нижнего края по вертикальной оси. |
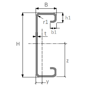
С-образный профиль со сгибом
![]() |
B. Ширина: наружная ширина формы сечения. H. Высота: наружная высота формы сечения. h1. Длина выступа: расстояние между наружными поверхностями формы сечения и концом сегмента выступа. b1. Длина изгиба: расстояние между наружными поверхностями сегмента выступа и концом сегмента изгиба. T. Расчетная толщина стенки: перпендикулярная расчетная толщина между внутренней и наружной поверхностями формы сечения. t. Номинальная толщина стенки: среднее перпендикулярное расстояние между внутренней и наружной поверхностями формы сечения. r1. Внутреннее сопряжение: радиус сопряжения внутреннего угла формы сечения изгиба в форме сечения стальной балки, изготовленной холодным формованием. y. Горизонтальный центроид: расстояние от центроида формы сечения до левого края по горизонтальной оси. z. Вертикальный центроид: расстояние от центроида формы сечения до нижнего края по вертикальной оси. |
С-образный профиль с выступами
![]() |
B. Ширина: наружная ширина формы сечения. H. Высота: наружная высота формы сечения. h1. Длина выступа: расстояние между наружными поверхностями формы сечения и концом сегмента выступа. T. Расчетная толщина стенки: перпендикулярная расчетная толщина между внутренней и наружной поверхностями формы сечения. t. Номинальная толщина стенки: среднее перпендикулярное расстояние между внутренней и наружной поверхностями формы сечения. r1. Внутреннее сопряжение: радиус сопряжения внутреннего угла формы сечения изгиба в форме сечения стальной балки, изготовленной холодным формованием. y. Горизонтальный центроид: расстояние от центроида формы сечения до левого края по горизонтальной оси. z. Вертикальный центроид: расстояние от центроида формы сечения до нижнего края по вертикальной оси. |
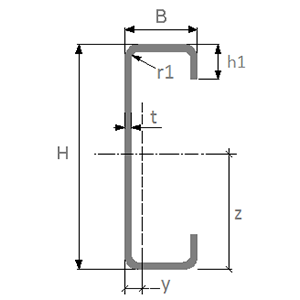
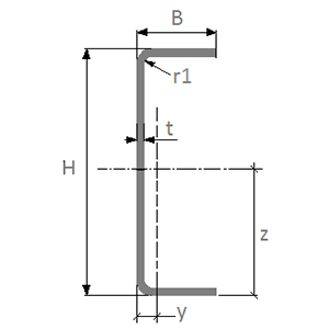
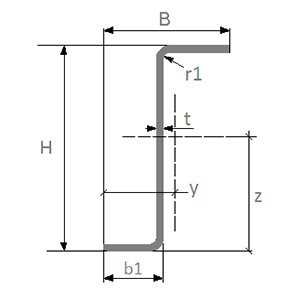
Г-образный профиль
![]() |
B. Ширина: наружная ширина формы сечения. H. Высота: наружная высота формы сечения. T. Расчетная толщина стенки: перпендикулярная расчетная толщина между внутренней и наружной поверхностями формы сечения. t. Номинальная толщина стенки: среднее перпендикулярное расстояние между внутренней и наружной поверхностями формы сечения. r1. Внутреннее сопряжение: радиус сопряжения внутреннего угла формы сечения изгиба в форме сечения стальной балки, изготовленной холодным формованием. y. Горизонтальный центроид: расстояние от центроида формы сечения до левого края по горизонтальной оси. z. Вертикальный центроид: расстояние от центроида формы сечения до нижнего края по вертикальной оси. |
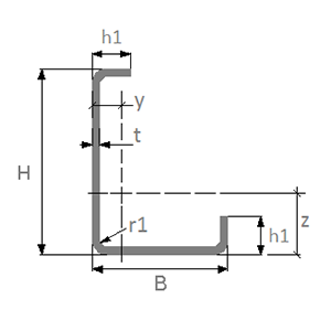
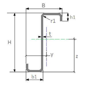
Г-образный профиль с выступами
![]() |
B. Ширина: наружная ширина формы сечения. H. Высота: наружная высота формы сечения. h1. Длина выступа: расстояние между наружными поверхностями формы сечения и концом сегмента выступа. T. Расчетная толщина стенки: перпендикулярная расчетная толщина между внутренней и наружной поверхностями формы сечения. t. Номинальная толщина стенки: среднее перпендикулярное расстояние между внутренней и наружной поверхностями формы сечения. r1. Внутреннее сопряжение: радиус сопряжения внутреннего угла формы сечения изгиба в форме сечения стальной балки, изготовленной холодным формованием. y. Горизонтальный центроид: расстояние от центроида формы сечения до левого края по горизонтальной оси. z. Вертикальный центроид: расстояние от центроида формы сечения до нижнего края по вертикальной оси. |
Профиль сигма
![]() |
B. Ширина: наружная ширина формы сечения. H. Высота: наружная высота формы сечения. b2. Ширина изгиба: расстояние от левого края формы сечения до наружной поверхности среднего сегмента с изгибом. h2. Длина изгиба в середине: длина внутренней поверхности среднего сегмента с изгибом. h3. Длина изгиба сверху: расстояние между наружной поверхностью верхней части формы сечения и концом верхней части сегмента с изгибом. T. Расчетная толщина стенки: перпендикулярная расчетная толщина между внутренней и наружной поверхностями формы сечения. t. Номинальная толщина стенки: среднее перпендикулярное расстояние между внутренней и наружной поверхностями формы сечения. r1. Внутреннее сопряжение: радиус сопряжения внутреннего угла формы сечения изгиба в форме сечения стальной балки, изготовленной холодным формованием. y. Горизонтальный центроид: расстояние от центроида формы сечения до левого края по горизонтальной оси. z. Вертикальный центроид: расстояние от центроида формы сечения до нижнего края по вертикальной оси. |
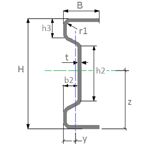
Профиль сигма со сгибом
![]() |
B. Ширина: наружная ширина формы сечения. H. Высота: наружная высота формы сечения. b1. Длина изгиба: расстояние между наружными поверхностями сегмента выступа и концом сегмента изгиба. h1. Длина выступа: расстояние между наружными поверхностями формы сечения и концом сегмента выступа. b2. Ширина изгиба: расстояние от левого края формы сечения до наружной поверхности среднего сегмента с изгибом. h2. Длина изгиба в середине: длина внутренней поверхности среднего сегмента с изгибом. h3. Длина изгиба сверху: расстояние между наружной поверхностью верхней части формы сечения и концом верхней части сегмента с изгибом. T. Расчетная толщина стенки: перпендикулярная расчетная толщина между внутренней и наружной поверхностями формы сечения. t. Номинальная толщина стенки: среднее перпендикулярное расстояние между внутренней и наружной поверхностями формы сечения. r1. Внутреннее сопряжение: радиус сопряжения внутреннего угла формы сечения изгиба в форме сечения стальной балки, изготовленной холодным формованием. y. Горизонтальный центроид: расстояние от центроида формы сечения до левого края по горизонтальной оси. z. Вертикальный центроид: расстояние от центроида формы сечения до нижнего края по вертикальной оси. |
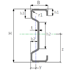
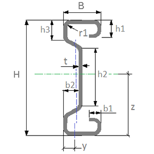
Профиль сигма с выступами
![]() |
B. Ширина: наружная ширина формы сечения. H. Высота: наружная высота формы сечения. b2. Ширина изгиба: расстояние от левого края формы сечения до наружной поверхности среднего сегмента с изгибом. h1. Длина выступа: расстояние между наружными поверхностями формы сечения и концом сегмента выступа. h2. Длина изгиба в середине: длина внутренней поверхности среднего сегмента с изгибом. h3. Длина изгиба сверху: расстояние между наружной поверхностью верхней части формы сечения и концом верхней части сегмента с изгибом. T. Расчетная толщина стенки: перпендикулярная расчетная толщина между внутренней и наружной поверхностями формы сечения. t. Номинальная толщина стенки: среднее перпендикулярное расстояние между внутренней и наружной поверхностями формы сечения. r1. Внутреннее сопряжение: радиус сопряжения внутреннего угла формы сечения изгиба в форме сечения стальной балки, изготовленной холодным формованием. y. Горизонтальный центроид: расстояние от центроида формы сечения до левого края по горизонтальной оси. z. Вертикальный центроид: расстояние от центроида формы сечения до нижнего края по вертикальной оси. |
Z-образный профиль
![]() |
B. Ширина: наружная ширина формы сечения. H. Высота: наружная высота формы сечения. b1. Длина нижней полки: расстояние между внутренней поверхностью формы сечения и концом нижнего сегмента полки. T. Расчетная толщина стенки: перпендикулярная расчетная толщина между внутренней и наружной поверхностями формы сечения. t. Номинальная толщина стенки: среднее перпендикулярное расстояние между внутренней и наружной поверхностями формы сечения. r1. Внутреннее сопряжение: радиус сопряжения внутреннего угла формы сечения изгиба в форме сечения стальной балки, изготовленной холодным формованием. y. Горизонтальный центроид: расстояние от центроида формы сечения до левого края по горизонтальной оси. z. Вертикальный центроид: расстояние от центроида формы сечения до нижнего края по вертикальной оси. |
Z-образный профиль с выступами
![]() |
B. Ширина: наружная ширина формы сечения. H. Высота: наружная высота формы сечения. b1. Длина нижней полки: расстояние между внутренней поверхностью формы сечения и концом нижнего сегмента полки. h1. Длина выступа: расстояние между наружными поверхностями формы сечения и концом сегмента выступа. T. Расчетная толщина стенки: перпендикулярная расчетная толщина между внутренней и наружной поверхностями формы сечения. t. Номинальная толщина стенки: среднее перпендикулярное расстояние между внутренней и наружной поверхностями формы сечения. r1. Внутреннее сопряжение: радиус сопряжения внутреннего угла формы сечения изгиба в форме сечения стальной балки, изготовленной холодным формованием. y. Горизонтальный центроид: расстояние от центроида формы сечения до левого края по горизонтальной оси. z. Вертикальный центроид: расстояние от центроида формы сечения до нижнего края по вертикальной оси. |