Размещение соединителя арматурных стержней

Соедините состыкованные или смежные экземпляры арматурных стержней с помощью соединителя.

Видеоролик «Размещение соединителей арматурных стержней»

  1. Выберите вкладку «Конструкция»  панель «Армирование» (Соединитель арматурных стержней).
  2. Выберите, как разместить соединитель:
    • Вкладка «Изменить | Вставить соединитель арматурных стержней»  панель «Параметры размещения»  (Разместить на конце стержня)
    • Вкладка «Изменить | Вставить соединитель арматурных стержней»  панель «Параметры размещения»  (Разместить между двумя стержнями)
  3. В списке «Выбор типа» в верхней части палитры свойств выберите требуемый тип соединителя арматурных стержней. Размер соединителя арматурного стержня будет автоматически настроен в соответствии с присоединяемыми стержнями или с теми размерами, которые были заданы для ранее присоединенных стержней. Если в проекте отсутствует соответствующий тип соединителя, будет создан новый.
  4. Разместите соединитель на арматурном стержне.
    • Для размещения на конце стержня выберите конец арматурного стержня.
    • Для размещения между двумя стержнями выберите два подходящих арматурных стержня. Второй выбранный стержень сменит положение и укорочен в соответствии с соединителем.
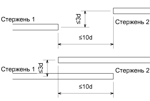
      Чтобы соединитель скреплял два экземпляра арматурных стержней, соединенные концы должны быть расположены друг от друга на расстоянии, не превышающем 10 диаметров стержня. Стержни могут быть смещены друг относительно друга не более, чем на 3 диаметра стержней.

      Допуск размещения соединителя

Размещение соединителя арматурных стержней между дугообразными стержнями

Чтобы разместить соединитель арматурных стержней между двумя дугообразными стержнями, у них должен быть общий центр.


Не касательная.

Касательность.

Не касательная.

Совет: Чтобы соединить невыровненные стержни, добавьте соединитель к одному из них и измените форму конца для другого, чтобы его можно было изготовить для выбранного типа соединения.