您可以為不同方位和定線的各種物件類型建立多種類型的標註。
基本的標註類型為線性、徑向、角度、座標式標註和弧長。使用 DIM 指令,會自動根據您要標註的物件類型,來建立標註。
在特殊情況下,您可以透過設置標註型式或編輯個別標註來控制標註外觀。這些標註型式可讓您快速指定慣例,並維護產業或專案標註的標準。
線性標註可以是水平式的、垂直式的或對齊式的。您可以使用 DIM 指令建立一個對齊、水平或垂直標註,這取決於您在放置文字時移動游標的方式。


徑向標註可以選擇性地使用中心線或中心標記來測量弧和圓的半徑或直徑。插圖中會顯示多個選項。

角度標註可測量兩個所選幾何物件或三點之間的角度。從左到右的範例展示了使用頂點和兩個點、弧和兩條直線來建立角度標註。

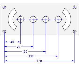
座標式標註可從稱為基準面的原點 (如零件上的孔) 開始測量互垂距離。這些標註透過維持特徵與基準面的精確偏移來防止誤差擴大。

在此範例中,基準面 (0,0) 是指圖板左下角的孔。
弧長標註會測量沿弧或聚合線弧線段的距離。弧長標註的通常用途包括測量繞相機的行進距離或指出電纜的長度。
依預設,弧長標註顯示弧符號,以與線性標註或角度標註相區別。弧符號 (亦稱為帽或蓋符號) 顯示在標註文字上方或前面。

連續式標註,也稱為連續標註,是將多個標註端對端放置。

基線式標註是從相同位置使用偏移標註線開始測量的多個標註。

默認情況下,所有新對像都在當前圖層上創建。對於新維對象,您可以通過使用DIMLAYER系統變量指定圖層來指定與當前圖層不同的默認圖層。
引線連字線、標註的元件和文字物件決定其在建立時與 UCS 軸的水平方向和垂直方向。如果圖面中的視圖旋轉了,您可以先使用「UCS/視圖」選項來設定相對於「圖面」而非旋轉視圖的水平方向和垂直方向。