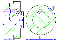
建議值
d = (0.12 - 0.25) D
l = (1 - 1.5) D
作用中的銷長度
作用中的銷長度 l f 是由倒角和圓角縮減後的長度。有效長度通常承載負載。
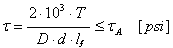
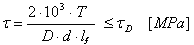
公制單位中的公式
轉換的扭矩
剪切應力檢查
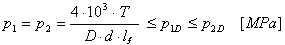
接觸壓力檢查
其中:
|
P |
傳遞的功率 [kW] |
|
|
n |
速度 [rpm] |
|
|
T |
扭矩 [Nm] |
|
| τ |
剪切應力 [MPa] |
|
|
τ A |
允許的剪切應力 [MPa] |
|
|
d |
銷直徑 [mm] |
|
|
p 1 |
軸中的壓力 [MPa] |
|
|
p 2 |
輪轂中的壓力 [MPa] |
|
|
p 1A |
軸中允許的壓力 [MPa] |
|
|
p 2A |
輪轂中允許的壓力 [MPa] |
|
|
D |
軸直徑 [mm] |
|
|
D 1 |
輪轂直徑 [mm] |
|
|
l f |
作用中的銷長度 [mm] |
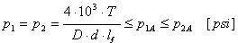
英制單位中的公式
轉換的扭矩
剪切應力檢查
接觸壓力檢查
其中:
|
P |
轉換的功率 [HP] |
|
|
n |
速度 [rpm] |
|
|
T |
扭矩 [lb ft] |
|
| τ |
剪切應力 [psi] |
|
|
τ A |
允許的剪切應力 [psi] |
|
|
d |
銷直徑 [in] |
|
|
p 1 |
軸中的壓力 [psi] |
|
|
p 2 |
輪轂中的壓力 [psi] |
|
|
p 1A |
軸中允許的壓力 [psi] |
|
|
p 2A |
輪轂中允許的壓力 [psi] |
|
|
D |
軸直徑 [in] |
|
|
D 1 |
輪轂直徑 [in] |
|
|
l f |
作用中銷長度 [in] |