打開自動繪製標註的可見性

「自動繪製標註」依預設為關閉。如果族群中至少有一個已標示的標註,則會顯示。

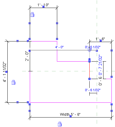
請注意以下的影像中,有一個標註加入到幾何圖形中,但該標註沒有標示。

自動繪製標註皆不可見。

打開自動繪製標註的可見性:

  1. 處於草圖模式時,按一下「檢視」頁籤「圖形」面板 (「可見性和外觀」),或是鍵入 VG
  2. 在「可見性/圖形取代」對話方塊中的「註解品類」頁籤上,展開「標註」品類,選取「標註」,然後選取「自動繪製標註」。
  3. 按一下「確定」。
  4. 放置和標示標註。

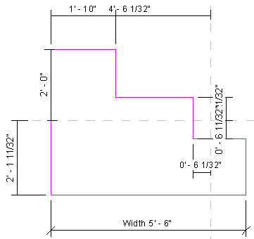
    自動繪製標註即顯示。

Revit 現在知道此幾何圖形的各條線相對於參考平面或其他繪製線的位置。

加入鎖住的標註時,它們會取代自動繪製標註,如圖所示。