OdtokovýKanál

Podsestava OdtokovýKanál vloží body a spojnice za účelem vytvoření odtokového kanálu k odvodu vody podél vozovky.

Připojení

Bod připojení je na vnitřní hraně odtokového kanálu. Tuto komponentu je možné připojit buď k levé, nebo k pravé straně.

Vstupní parametry

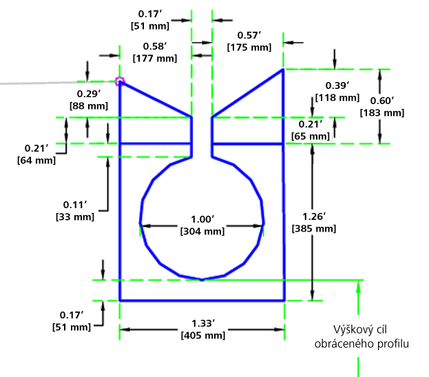
Poznámka: Pokud není uvedeno jinak, jsou všechny rozměry v metrech nebo ve stopách. Všechny sklony jsou uvedeny v podobě poměru (například 4 : 1), pokud nejsou označeny jako procentní sklony se značkou „%“.

Parametr

Popis

Typ

Výchozí

Strana Určuje, na kterou stranu se má podsestava umístit. Levá/Pravá Pravá

Cílové parametry

V této části jsou uvedeny parametry této podsestavy, které lze mapovat na jeden nebo více cílových objektů. Další informace naleznete v části Určení cílových objektů koridoru.

Parametr

Popis

Stav

Elevation Může se použít k přepsání inverze potrubí. Jako cíle lze pro určení výšky použít následující typy objektů: profily, 3D křivky, návrhové linie nebo polygony zaměření. Volitelný

Logické přiřazení prováděné za běhu programu

Žádné

Výstupní parametry

Žádné

Chování

Počáteční bod se nastaví v bodu připojení. Body a spojnice obrubníku se poté vytvoří na základě hodnot uložených v podsestavě.

Operace režimu návrhu

V režimu rozvržení tato podsestava nakreslí podsestavu.

Kódy bodů, spojnic a tvarů

V následující tabulce jsou pro tuto podsestavu uvedeny kódy bodů, spojnic a tvarů, ke kterým byly přiřazeny kódy. Kódy bodů, spojnic a tvarů této podsestavy, které nemají přiřazeny kódy, nejsou v této tabulce zahrnuty.

Bod, spojnice nebo tvar

Kód

Popis

P1–P4, P9, P10 Beton Betonové rohy přívodu
P5, P8 BetSpodek Spodní roh betonu
P6, P7 Kal Kal
P11–P13 Potrubí Body potrubí
L1, L2 Beton, Povrch Povrch betonu
L3, L7, L10, L11 Beton Beton přívodu
L5 Kal Kal potrubí
L12–L14 Potrubí Spojnice potrubí
S1, S2 Beton Beton přívodu
S3 Kal Kal kolem potrubí

Kódovací diagram