Doporučené hodnoty
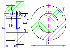
d = (0,12 - 0,25) D
l = (1 - 1,5) D
Aktivní délka kolíku
Aktivní délka kolíku l f je délka zkrácená zaoblením a zkosením. Aktivní délka obvykle nese zatížení.
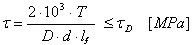
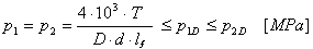
Vzorce v metrických jednotkách
Přenášený krouticí moment
Kontrola napětí ve smyku
Kontrola dotykového tlaku
kde:
|
P |
přenášený výkon [kW] |
|
|
n |
otáčky [ot/min] |
|
|
T |
krouticí moment [Nm] |
|
| τ |
smykové napětí [MPa] |
|
|
τ A |
přípustné smykové napětí [MPa] |
|
|
d |
průměr kolíku [mm] |
|
|
p 1 |
tlak v hřídeli [MPa] |
|
|
p 2 |
tlak v náboji [MPa] |
|
|
p 1A |
přípustný tlak v hřídeli [MPa] |
|
|
p 2A |
přípustný tlak v náboji [MPa] |
|
|
D |
průměr hřídele [mm] |
|
|
D 1 |
průměr náboje [mm] |
|
|
l f |
aktivní délka kolíku [mm] |
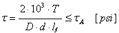
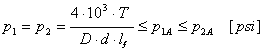
Vzorce v anglických jednotkách
Přenášený krouticí moment
Kontrola napětí ve smyku
Kontrola dotykového tlaku
kde:
|
P |
přenášený výkon [HP] |
|
|
n |
otáčky [ot/min] |
|
|
T |
krouticí moment [lb ft] |
|
| τ |
smykové napětí [psi] |
|
|
τ A |
přípustné smykové napětí [psi] |
|
|
d |
průměr kolíku [in] |
|
|
p 1 |
tlak v hřídeli [psi] |
|
|
p 2 |
tlak v náboji [psi] |
|
|
p 1A |
přípustný tlak v hřídeli [psi] |
|
|
p 2A |
dovolený tlak v náboji [psi] |
|
|
D |
průměr hřídele [in] |
|
|
D 1 |
průměr náboje [in] |
|
|
l f |
aktivní délka kolíku [in] |