Aktivní délka kolíku
Aktivní délka kolíku l f je délka zkrácená zaoblením a zkosením. Aktivní délka obvykle nese zatížení.
Vzorce
Kontrola smykového napětí
Kontrola dotykového tlaku
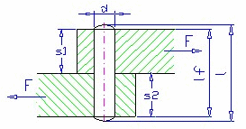
Význam symbolů v metrických jednotkách:
| τ |
smykové napětí [MPa] |
|
τ A |
přípustné smykové napětí [MPa] |
|
d |
průměr kolíku [mm] |
|
p 1 |
tlak v horní desce [MPa] |
|
p 2 |
tlak v dolní desce [MPa] |
|
p 1A |
přípustný tlak v horní desce [MPa] |
|
p 2A |
přípustný tlak v dolní desce [MPa] |
|
s 1 |
tloušťka horní desky [mm] |
|
s 2 |
tloušťka dolní desky [mm] |
Význam symbolů v anglických jednotkách:
| τ |
smykové napětí [psi] |
|
τ A |
přípustné smykové napětí [psi] |
|
d |
průměr kolíku [in] |
|
p 1 |
tlak v horní desce [psi] |
|
p 2 |
tlak v dolní desce [psi] |
|
p 1A |
přípustný tlak v horní desce [psi] |
|
p 2A |
přípustný tlak v dolní desce [psi] |
|
s 1 |
tloušťka horní desky [in] |
|
s 2 |
tloušťka dolní desky [in] |