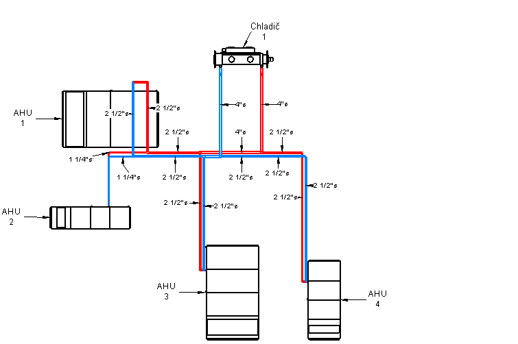
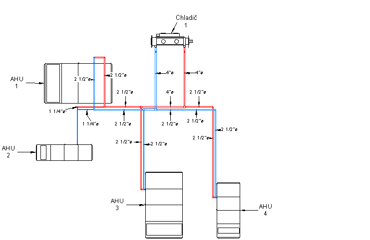
Následující obrázky znázorňují výsledky různých metod dimenzování teplovodního potrubí.

Před dimenzováním

Po stanovení rozměrů

Před dimenzováním

Po dimenzování

Před dimenzováním

Po dimenzování

Před dimenzováním

Po dimenzování

Před dimenzováním

Po stanovení rozměrů