Häufig gestellte Fragen: Wie werden die Schnittansichten in einer Zeichnung automatisch neu nummeriert?

Das folgende Beispiel zeigt einen Träger, der mit einem sekundären Träger erstellt wurde. Anschließend wurde eine Baugruppenzeichnung erstellt, in der der Querschnitt den Namen A-A trägt.

Modell Zeichnung

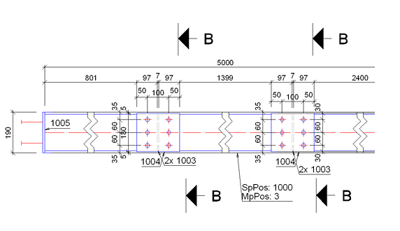
Ein zweiter Träger ist mit dem primären Träger und mit demselben Anschluss verbunden, und die Baugruppenzeichnung wurde aktualisiert. (Sie können die Aktualisierung im Dokumentenmanager erzwingen.) Die zwei identischen Querschnitte erhielten den Namen B-B.

Modell Zeichnung

Für die automatische Neunummerierung muss die Vorgabe "Spalt im Schnittnamen immer füllen" aktiviert sein (Einstellung 1). Diese Vorgabe befindet sich in den Management Tools unter Voreinstellungen in der Kategorie Zeichnung-Beschriftung.

Wenn diese Vorgabe aktiviert ist, beginnt die Querschnittansichten-Beschriftung mit dem ersten verfügbaren Namen und füllt die möglichen Lücken zwischen den bereits vorhandenen Schnittnamen.

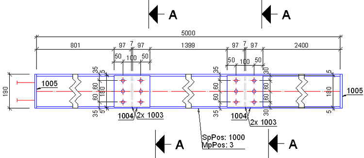
In diesem Beispiel werden nach dem Aktualisieren der Baugruppenzeichnung die Querschnittansichten mit A-A beschriftet.

Der Befehl Nummerierung der Schnitte neu () auf der Registerkarte Beschriftungen und Bemaßungen unter Parametrische Ansichten hat dieselbe Funktion wie die Vorgabe, aber dieser Befehl kann nur auf einzeln geöffnete Zeichnungen angewendet werden.