Klicken Sie auf Registerkarte StromlaufplanAbschnitt Betriebsmittel einfügenDropdownliste Stecker einfügenStecker einfügen. Finden
Geben Sie im Dialogfeld Stecker einfügen den Anschlussabstand und die Anschlussanzahl an.
(Optional) Klicken Sie auf Auswählen, und zeichnen Sie ein Gitterlinienkreuz, das die Länge des gewünschten Steckers anzeigt, um die Anschlussanzahl zu bestimmen.
Geben Sie an, ob der Stecker mit einem festen Anschlussabstand erstellt oder komprimiert bzw. gedehnt werden soll, um die Anschlüsse an die zugrunde liegenden Drahtkreuzungen anzupassen.
Geben Sie an, ob der gesamte Stecker auf einmal oder manuell Anschluss für Anschluss eingefügt werden soll, mit der Option, Abstandhalter einzufügen oder den Stecker in 2 oder mehr Teile aufzuteilen.
Klicken Sie auf die Schaltflächen Drehen oder Umdrehen, um die Darstellung des Steckersymbols zu ändern.
Das Vorschaubild wird aktualisiert, um die Änderungen an den Steckeranzeigeoptionen zu übernehmen.
(Optional) Klicken Sie auf Details, um weitere Optionen zur Definition von Einstellungen wie Größe, Form und Anzeige der parametrisch erstellten Symbole zu erhalten.
Klicken Sie auf Einfügen.
Es wird eine Vorschau des Steckers angezeigt, die in der Zeichnung platziert werden kann. Die Steckerseite des Steckers wird mit abgerundeten Kanten dargestellt. Der Einfügungspunkt des Steckers ist durch ein "x" gekennzeichnet, und der Pfeil verweist auf die Drahtverbindungsrichtung der Steckerseite.
Geben Sie den Einfügungspunkt in der Zeichnung an, oder drücken Sie bei Aufforderung die Taste Z (Zoom), P (Pan), X, V oder TAB, um vor dem Einfügen die Steckerausrichtung zu ändern.
Wenn Sie Abstandhalter/Unterbrechungen erlaubt haben, klicken Sie im Dialogfeld Benutzerdefinierte Anschlussabstände/-unterbrechungen auf die Option Symbol jetzt unterbrechen, um den Stecker zu unterbrechen und ein Dialogfeld anzuzeigen, in dem definiert wird, wie die verbleibenden Anschlüsse in die Zeichnung eingefügt werden sollen.
Drehen von Steckern
Klicken Sie auf Registerkarte StromlaufplanGruppe Betriebsmittel bearbeitenDropdown-Liste Stecker ändernStecker drehen. Finden
Geben Sie an, ob die aktuelle Attributausrichtung beibehalten werden soll.
Wird Ja ausgewählt (Standardeinstellung), wird der Attributtext beim Drehen des Steckers nicht mitgedreht.
Wählen Sie den zu drehenden Stecker aus.
Der Stecker wird automatisch um 90 Grad gedreht.
Klicken Sie so oft auf den Stecker, bis er die gewünschte Position erreicht hat.
Drücken Sie die Eingabetaste oder ESC, um den Befehl zu beenden.
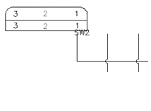
Beispiel: Attributausrichtung beibehalten = Ja
Original
Erste Drehung
Zweite Drehung
Dritte Drehung
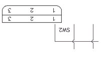
Beispiel: Attributausrichtung beibehalten = Nein
Original
Erste Drehung
Zweite Drehung
Dritte Drehung
Umkehren von Steckern
Klicken Sie auf Registerkarte StromlaufplanGruppe Betriebsmittel bearbeitenDropdown-Liste Stecker ändernStecker umkehren. Finden
Wählen Sie den umzukehrenden Stecker aus.
Der Stecker wird entsprechend seiner ursprünglichen Ausrichtung automatisch umgekehrt.
Anmerkung: Bei Einzelbuchsensteckern ohne abgerundete Kanten bleibt die Darstellung der Grafik unverändert, doch die Drahtverbindungsattribute werden auf die andere Seite des Steckers verschoben.
Drücken Sie die Eingabetaste oder ESC, um den Befehl zu beenden.
Dehnen von Steckern
Klicken Sie auf Registerkarte StromlaufplanGruppe Betriebsmittel bearbeitenDropdown-Liste Stecker ändernStecker dehnen. Finden
Definieren Sie das Ende des Steckers, der gedehnt werden soll.
Legen Sie fest, wo das Ende des Steckers liegen soll (zweiter Punkt der Verschiebung). Ziehen Sie entweder den Cursor an die gewünschte Position, oder geben Sie Koordinaten ein.
Anmerkung: Drücken Sie während des Streckens die Tabulatortaste, um die Sichtbarkeit der Steckerattribute zu ändern. Weitere Informationen erhalten Sie im Abschnitt mit Tipps und Tricks weiter unten.
Drücken Sie die Eingabetaste oder ESC, um den Befehl zu beenden.
Tipps und Hinweise
Das Dehnen von Steckern kann nicht über das Aufziehen eines Fensters erfolgen.
Aktivieren Sie die Option Fang.
Die Dehnung beginnt am Steckerende. Es gibt keinen ersten Verschiebungspunkt.
Falls das gedehnte Steckerende über die obere Kante des Betriebsmittel-Kennzeichnungs-Attributs des Steckers hinausgeht (Attributname BMK1 oder BMK2), dann wird dieses Attribut beim Dehnen zusammen mit den Attributen ANLAGE, LOC, BESCHR1, BESCHR2 und BESCHR3 neu positioniert. Wenn Sie während des Dehnens die Tabulatortaste drücken, ändert sich die Sichtbarkeit dieser Attribute. Wenn die Funktion aktiviert ist, werden die Attribute als temporäre Grafiken angezeigt, die sich mit dem Dehnungscursor bewegen; wenn die Funktion deaktiviert ist, sind die temporären Grafiken nicht sichtbar.
Sie sollten das Ende eines Steckers nicht ganz bis zum anderen Ende des Steckers dehnen.
Teilen von Steckern
Klicken Sie auf Registerkarte StromlaufplanGruppe Betriebsmittel bearbeitenDropdown-Liste Stecker ändernStecker teilen. Finden
Wählen Sie den zu teilenden Steckerblock aus.
Definieren Sie den Teilungspunkt (d. h. klicken Sie zwischen zwei Sätze mit Anschlüssen).
(Optional) Definieren Sie den Ursprungspunkt für den neuen Block. Gemäß der Standardeinstellung ist er am ersten Satz von Anschlüssen auf dem abgespaltenen Teil ausgerichtet. Wenn Sie die Standardeinstellung nicht übernehmen möchten, können Sie die Koordinaten eingeben oder auf Auswahlpunkt klicken und den Ursprungspunkt in der Zeichnung auswählen.
(Optional) Wählen Sie den Unterbrechungstyp aus: keine Linien, gerade Linien, unregelmäßige Linien oder zeichnen. Als Standardwert sind unregelmäßige Linien eingestellt.
(Optional) Wählen Sie die Option Untergeordneten Block neu positionieren aus, um den Block bei Ausführung dieses Befehls zu verschieben.
Klicken Sie auf OK.
Wählen Sie einen Punkt zur Platzierung des Blocks auf dem Bildschirm aus, um den untergeordneten Block neu zu positionieren.
Drücken Sie die Eingabetaste oder ESC, um den Befehl zu beenden.
Hinzufügen von Anschlüssen zu Steckern
Klicken Sie auf Registerkarte StromlaufplanGruppe Betriebsmittel bearbeitenDropdown-Liste Stecker ändernSteckeranschlüsse hinzufügen. Finden
Wählen Sie den Stecker aus.
Geben Sie an, wo die nächste verfügbare Anschlussnummer eingefügt werden soll (in der Befehlszeile angezeigt), oder drücken Sie R + Leertaste, um die neue AnfangsAnschlussnummer manuell zu definieren.
Die nächste verfügbare Anschlussnummer wird anhand der vorhandenen Anschlüsse und einer optionalen, dem ausgewählten Stecker zugewiesenen Liste der Anschlusspunkte ermittelt. Die auf dem Hauptsymbol definierten ANSCHLUSSLISTEN-Werte werden aus der Projektdatenbank abgerufen, um die nächste verfügbare Anschlussnummer auf dem Steckerbetriebsmittel zu bestimmen. Hierbei wird das gesamte Projekt nach den auf übergeordneten und untergeordneten Symbolen verwendeten Anschlussnummern durchsucht. Ist kein ANSCHLUSSLISTEN-Wert verfügbar, wird (auf Basis der vorhandenen Anschlüsse) die nächste verfügbare laufende Anschlussnummer vergeben. Anschlussnummern können sowohl aus Zahlen als auch aus Buchstaben oder beidem bestehen.
Drücken Sie die Eingabetaste oder ESC, um den Befehl zu beenden.
Tipps und Hinweise
Aktivieren Sie die Option Fang.
Anschlüsse können entweder innerhalb des Gehäuses oder außerhalb beider Enden des Verbindergehäuses hinzugefügt werden.
Anschlüsse werden immer an der Mittelachse des Steckers eingefügt, auch wenn sich der Auswahlpunkt an der Seite des Steckers befindet.
Stecker können später gedehnt werden, um neue Anschlüsse aufnehmen zu können, die außerhalb der Seitenflächen des Verbinders hinzugefügt wurden.
Anschlüsse können zwischen den ursprünglichen Anschlüssen hinzugefügt werden; anschließend können die Stifte verschoben werden, um die Zwischenräume anzupassen.
Anschlüsse können an einem Anschluss auf einem anderen Stecker ausgerichtet werden. Wählen Sie nach dem Auswählen des Werkzeugs Steckeranschlüsse hinzufügen den Stecker aus, zu dem der Anschluss hinzugefügt werden soll, drücken Sie die Umschalttaste und klicken Sie mit der rechten Maustaste, um die Objektfangoptionen anzuzeigen, wählen Sie Einfügen aus und klicken Sie auf den Anschluss, an dem der neue Anschluss ausgerichtet werden soll. Der neue Anschluss wird auf dem ausgewählten Betriebsmittel eingefügt und an dem Anschluss des anderen Steckers ausgerichtet.
Entfernen von Anschlüssen von Steckern
Klicken Sie auf Registerkarte StromlaufplanGruppe Betriebsmittel bearbeitenDropdown-Liste Stecker ändernSteckeranschlüsse löschen. Finden
Wählt die zu löschenden Steckeranschlüsse aus.
Das Anschlussnummernattribut wird auf dem Steckerblock angezeigt. Dieses Attribut wird zusammen mit dem zugehörigen Drahtverbindungs- und Beschreibungsattributen nicht sofort vom Stecker entfernt Sie werden umbenannt, damit sie ignoriert werden. Wird der Stecker anschließend gedehnt oder geteilt, wird die Verbinderblockinstanz von diesen gelöschten Stiftattributen bereinigt.
Drücken Sie die Eingabetaste oder ESC, um den Befehl zu beenden.
Anmerkung: Beim Löschen eines Anschlusses, mit dem ein Draht verbunden ist, wird dieser Draht nicht entfernt. In diesem Fall ist der Draht nicht mehr mit dem Stecker verbunden. Er erscheint als Draht, der an der Steckerseite nicht verbunden ist.
Tauschen von Anschlussnummern
Klicken Sie auf Registerkarte StromlaufplanGruppe Betriebsmittel bearbeitenDropdown-Liste Stecker ändernSteckeranschlüsse tauschen. Finden
Wählen Sie den zu vertauschenden Steckeranschluss aus.
Um die ausgewählte Anschlussnummer wird eine temporäre Grafik gezeichnet, um darauf hinzuweisen, dass dieser Anschluss in die Austauschliste aufgenommen wurde.
Wählen Sie den Anschluss aus, der gegen den ausgewählten Anschluss getauscht werden soll.
Die Steckeranschlüsse werden zwischen den beiden Auswahlen getauscht.
Wählen Sie ein weiteres zu vertauschendes Anschlusspaar aus, oder drücken Sie die Eingabe- bzw. die Esc-Taste, um den Befehl zu beenden.
Verschieben von Anschlüssen
Klicken Sie auf Registerkarte StromlaufplanGruppe Betriebsmittel bearbeitenDropdown-Liste Stecker ändernSteckeranschlüsse verschieben. Finden
Wählen Sie den zu verschiebenden Steckeranschluss aus.
Geben Sie die neue Position des Anschlusses an.
Der Anschluss entlang der Mittelachse des Steckers verschoben, auch wenn sich der Auswahlpunkt an der Seite des Steckers befindet. Sie können auch eine Position außerhalb beider Enden des entsprechenden Verbindergehäuses auswählen und dann das Werkzeug Verbinder dehnen verwenden, um das Gehäuse an die Anschlüsse anzupassen.
Drücken Sie die Eingabetaste oder ESC, um den Befehl zu beenden.
Bearbeiten von Steckeranschlussnummern
Klicken Sie auf Registerkarte StromlaufplanGruppe Betriebsmittel bearbeitenDropdown-Liste Betriebsmittel bearbeitenBearbeiten. Finden
Wählen Sie den Stecker aus.
Klicken Sie im Dialogfeld Betriebsmittel einfügen/bearbeiten im Bereich Anschlüsse auf Liste.
Wählen Sie im Dialogfeld Verwendete Steckeranschlussnummern ein Paar zu ändernde Anschlüsse aus.
Geben Sie im Bereich Anschlussnummern in den Bearbeitungsfeldern einen neuen Anschlussnummernwert ein, oder klicken Sie auf die Pfeile, um die Stecker- und Buchsenwerte zu erhöhen bzw. zu verringern.
(Optional) Geben Sie eine Beschreibung für die Stecker- oder Buchsenklemme ein.