Dieser Querschnittsbestandteil überlagert eine Seite einer vorhandenen Straße und fügt der Kante eine oder mehrere Fahrspuren hinzu, wobei die vorhandenen Fahrspurneigungen berücksichtigt werden.

Der Zuordnungspunkt befindet sich an dem oberen Innenrand der Auflageschicht.
Hinweis: Alle Bemaßungen sind in Meter oder Fuß angegeben, wenn nicht anders vermerkt. Alle Neigungen sind in Länge/Höhe (zum Beispiel 4:1) angegeben, wenn nicht durch ein Prozentzeichen ("%") als prozentuale Neigung gekennzeichnet.
|
Parameter |
Beschreibung |
Typ |
Vorgabe |
|---|---|---|---|
|
Probepunkt Versatz |
Versatz des Probepunkts, der sich an einer beliebigen Stelle zwischen dem Einfügepunkt und dem nächsten Neigungsunterbrechungspunkt auf der vorhandenen Straßenoberfläche befinden kann. Typische Positionen für Probepunkte sind das Dachprofil der Straße oder bei Straßen mit Pultprofil die gegenüberliegende Fahrbahnkante. |
Numerisch |
0.0 |
|
Einfügepunkt Versatz |
Versatz des Einfügepunkts, der sich normalerweise an der Stelle der Fahrbahnkante befindet, wo die Aufweitung beginnen soll |
Numerisch |
0.0 |
|
Auflage Tiefe |
Tiefe der Auflage oberhalb der vorhandenen Deckschicht |
Numerisch, positiv |
0.100 m 0.30 ft |
|
Breite |
Breite der Aufweitungsfahrspur |
Numerisch, positiv |
3.6 m 12.0 ft |
|
Deckschicht Tiefe |
Stärke der Deckschicht für die Fahrspuraufweitung (entfällt bei null) |
Numerisch, positiv |
0.025 m 0.083 ft |
|
Zwischenschicht Tiefe |
Stärke der Zwischenschicht für die Fahrspuraufweitung (entfällt bei null) |
Numerisch, positiv |
0.025 m 0.083 ft |
|
Basis Tiefe |
Stärke der Basisschicht für die Fahrspuraufweitung (entfällt bei null) |
Numerisch, positiv |
0.100 m 0.333 ft |
|
Untere Tragschicht Tiefe |
Stärke der unteren Tragschicht für die Fahrspuraufweitung (entfällt bei null) |
Numerisch, positiv |
0.300 m 1.0 ft |
In diesem Abschnitt werden die Parameter dieses Querschnittsbestandteils aufgelistet, die einem oder mehreren Zielobjekten wie Oberflächen, Achsen und Längsschnittobjekten zugeordnet werden können. Weitere Informationen finden Sie unter So legen Sie 3D-Profilkörper-Ziele fest.
|
Parameter |
Beschreibung |
Status |
|---|---|---|
|
Vorhandenes DGM |
Name des DGMs, das die vorhandene Straße definiert Folgende Objekttypen können beim Festlegen dieses DGMs als Ziele verwendet werden: DGMs. |
Erforderlich |
|
Probepunkt Versatz |
Kann zum Überschreiben des festen Werts für Probepunkt Versatz und zum Binden des Punkts an eine Achsparallele verwendet werden. Folgende Objekttypen können beim Festlegen des Versatzes als Ziele verwendet werden: Achsen, Polylinien, Elementkanten oder Vermessungslinienzüge. |
Optional |
|
Einfüge Punkt Versatz |
Kann zum Überschreiben des festen Werts für Einfüge Punkt Versatz und zum Binden des Punkts an eine Achsparallele verwendet werden. Folgende Objekttypen können beim Festlegen des Versatzes als Ziele verwendet werden: Achsen, Polylinien, Elementkanten oder Vermessungslinienzüge. |
Optional |
|
Breite |
Kann zum Überschreiben des festen Werts für die Breite der Aufweitungsfahrspur und zum Binden der Fahrspurkante an eine Achsparallele verwendet werden. Folgende Objekttypen können beim Festlegen des Versatzes als Ziele verwendet werden: Achsen, Polylinien, Elementkanten oder Vermessungslinienzüge. |
Optional |
|
Parameter |
Beschreibung |
Typ |
|---|---|---|
|
%Neigung |
Die berechnete Neigung auf vorhandenem DGM vom Probepunkt zum Einfügepunkt |
Numerisch |
Die Höhen vom Probepunkt und Einfügepunkt auf vorhandenem DGM werden bestimmt und die Neigung vom Probepunkt zum Einfügepunkt berechnet. Oberhalb der vorhandenen Fahrspur wird eine Auflageschicht mit derselben Neigung für die angegebene Auflage Tiefe hinzugefügt. Durch Überlagerung einer oder mehrerer Verknüpfungen über der vorhandenen Neigung wird eine abgeschlossene Auflage-Profilart erstellt. Die Aufweitungsfahrspur wird unter Verwendung der berechneten Neigung am Einfüge Versatz nach außen zugeordnet.
Die Fahrbahnbelagsschichten werden an jedem Ende mit vertikalen Verknüpfungen abgeschlossen. Außerdem wird noch eine einzelne vertikale Verknüpfung von dem inneren Rand der unteren Tragschicht zur vorhandenen Oberfläche platziert.
In der Entwurfsdarstellung wird dieser Querschnittsbestandteil jedem geeigneten Punkt zugeordnet. Die Auflageschicht wird über eine Breite von 3,6 m oder 12 ft mit einer Neigung von -2 % mit einer einheitlichen Stärke dargestellt. Die Aufweitungsfahrspur erstreckt sich von der Auflagekante für die angegebene Breite und Tiefe mit einer Neigung von -2 %.
Im Modelliermodus passen sich die Profilarten an die durch die Werte von Probepunkt, Einfügepunkt und Vorhandenes DGM festgelegten tatsächlichen Gegebenheiten an.

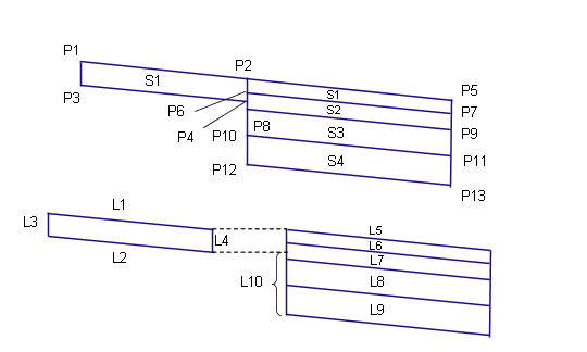
In der folgenden Tabelle werden die Punkt-, Verknüpfungs- und Profilartcodes für diesen Querschnittsbestandteil aufgeführt, denen Codes zugewiesen sind. Punkt-, Verknüpfungs- und Profilartcodes für diesen Querschnittsbestandteil, denen keine Codes zugewiesen sind, sind nicht in der Tabelle enthalten.
|
Punkt, Verknüpfung oder Profilart |
Code |
Beschreibung |
|---|---|---|
|
P5 |
ETW |
Außenkante der Aufweitungsfahrspur auf Deckschicht |
|
P7 |
ETW_Pave1 |
Außenkante der Aufweitungsfahrspur auf Deckschicht |
|
P9 |
ETW_Pave2 |
Außenkante der Aufweitungsfahrspur auf Zwischenschicht |
|
P11 |
Fahrspurrand_Außen_Tragschicht |
Außenrand der Aufweitungsfahrspur auf Basis |
|
P13 |
Fahrspurrand_Außen_Frostschutzschicht |
Außenrand der Aufweitungsfahrspur auf unterer Tragschicht |
|
L1, L5 |
Top, Pave |
Deckschichtoberfläche |
|
L2 |
Auflage |
Überlagert die Verknüpfungen auf Vorhandenes DGM. Beachten Sie, dass zwischen den Punkten P3 und P4 mehr als eine einzelne Verknüpfung bestehen kann. |
|
L6 |
Pave1 |
|
|
L7 |
Pave2 |
|
|
L8 |
Tragschicht |
|
|
L9 |
Untere Tragschicht, Planum |
|
|
L10 |
Planum |
|
|
S1 |
Auflage |
Bereich zwischen Auflage und vorhandener Fahrspur |
|
S2 |
Pave1 |
|
|
S3 |
Pave2 |
|
|
S4 |
Tragschicht |
|
|
S5 |
Untere Tragschicht |
