Maßtextoptionen

Der Maßtext ist der Text der Bemaßung :

Verwenden Sie die Seite Maßtext zum Ändern der Maßtextoptionen:

Linienart – Wählen Sie eine Linienart aus der Liste.

Zeichensatz – Wählen Sie den Zeichensatz für den Maßtext aus.

Eingebetteter Text – Wählen Sie diese Option, um den Text in der Maßlinie einzubetten.

Horizontaler Text – Wählen Sie diese Option, um den gesamten Text so zu ändern, dass er horizontal zur Hauptebene positioniert wird.

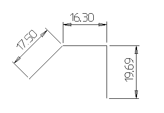
Nehmen wir an, dass Abmessungen wie unten gezeigt angewinkelt werden:

Wenn der Text dann horizontal angezeigt wird, sehen die Abmessungen folgendermaßen aus:

Lückenverhältnis – Ändert die Lücke zwischen der Maßlinie und dem Text:

Brüche – Wandelt die Dezimalstelle der Bemaßung in einen Bruch um, vorgabemäßig in das nächste Achtel.

Nenner – Legt den Nenner auf einen bestimmten Wert fest. Dies ist hilfreich, wenn Sie Bemaßungswerte vergleichen möchten.

Texthöhe– Ändert die Höhe des Texts.

Abstand – Legt den Abstand zwischen den Zeichen fest.

Zeichen in Proportionalschrift – (nur für DUCT-Zeichensatz) Wenn ausgewählt, ist der von jedem Zeichen besetzte Raum nicht fest.

Winkelformat – Ändert, wie eine Winkelbemaßung angezeigt wird. Sie können das Winkelformat so wählen, dass alle Winkelbemaßungen wie folgt angezeigt werden:

Dezimalstellen – Dezimalstellen sind die Anzahl der nach dem Dezimaltrennzeichen gedruckten Stellen. Vorgabemäßig werden die Zahlen mit zwei Dezimalstellen gedruckt.

Nachfolgende Nullen entfernen – Wählen Sie diese Option, um nachfolgende Nullen nach dem Dezimaltrennzeichen aus dem Bemaßungstext zu entfernen. Diese Option ist standardmäßig abgewählt.

Mehrfachteil-Bemaßungsoptionen – Die folgenden Optionen gelten für Bezugs-, Ketten- und Ordinatenbemaßungen: