Review the basic AutoCAD for Mac controls.
After you launch AutoCAD, on the Start tab, click New or click the New drop-down menu to begin a new drawing.

The new drawing, Drawing1, starts on a new tab that's just above the drawing area. You can click the tabs to switch between several open drawing files. Click the plus sign to start a new drawing using the default template.

Go ahead and experiment with starting and opening drawings, and switching between the tabs. You can also drag the drawing tabs to reorder them.
AutoCAD includes a tool set to the left of the drawing area. You can access nearly all the commands presented in this guide from the Drafting tab. In addition, the toolbar above the drawing area includes familiar commands such as New, Open, Save, Print, Undo, and so on.

At the heart of AutoCAD is the Command window, which is docked at the bottom of the drawing area. The Command window displays prompts, options, and messages.

You can enter commands directly in the Command window instead of using the tool sets, toolbars, and menus.
Notice that as you start to type a command, it completes automatically. When several possibilities are available such as in the example below, you can make your choice by clicking it or using the arrow keys and then pressing Enter or the Spacebar.

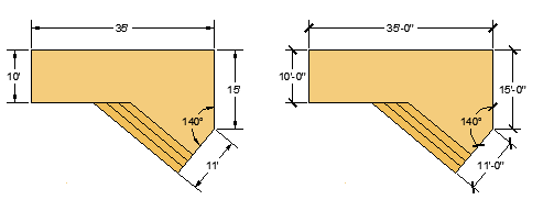
You can easily conform to industry or company standards by specifying settings for text, dimensions, linetypes, and several other features. For example, this backyard deck design displays two different dimension styles.

All these settings can be saved in a drawing template file. Click New to choose from several drawing template files:


The "Tutorial" template files in the list are simple examples for the architectural or mechanical design disciplines with both imperial (i) and metric (m) versions. You might want to experiment with them when you start creating dimensions.
Most companies use drawing template files that conform to company standards. They will often use different drawing template files depending on the project or the client.
You can save any drawing (.dwg) file as a drawing template (.dwt) file. To create a drawing template file based on an existing one, open the existing drawing template file, modify it, and then save it with a different filename.

If you work independently, you can develop your drawing template files to suit your working preferences, adding settings for additional features as you become familiar with them. To modify an existing drawing template file, click Open, specify Drawing Template (*.dwt) in the dialog box, and choose the template file.

After you start a new drawing, you'll first decide what the length of one unit represents-an inch, a foot, a centimeter, a kilometer, or some other unit of length. For example, the objects below could represent two buildings that are each 125 feet long, or they could represent a section from a mechanical part that is measured in millimeters.

After you decide what unit of length that you want to use, the UNITS command lets you control several unit display settings including the following:
If you plan to work in feet and inches, use the UNITS command to set the unit type to Architectural, and then when you create objects, specify their lengths in inches. If you plan to use metric units, leave the unit type set to Decimal. Changing the unit format and precision does not affect the internal precision of your drawing. It affects only how lengths, angles, and coordinates are displayed in the user interface.
Always create your models at full size (1:1 scale). The term model refers to the geometry of your design. A drawing includes the model geometry along with the views, notes, dimensions, callouts, tables, and the title block displayed in the layout.
You'll specify the scale for printing a drawing on a standard-sized sheet later, when you create the layout.

Press Esc to cancel this preselection operation.