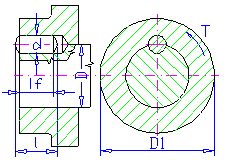
Joint Pin Generator

Recommended values
d = (0.12 - 0.25) D
l = (1 - 1.5) D
Active Pin Length
The pin active length l f is a length reduced by chamfering and filleting. The active length usually carries loading.
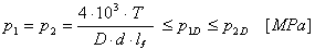
Transferred torque

Shear stress check


where:
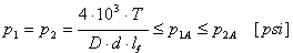
| | P | transferred power [kW] |
| | n | speed [rpm] |
| | T | torque [Nm] |
| | τ | shear stress [MPa] |
| | τ A | allowable shear stress [MPa] |
| | d | pin diameter [mm] |
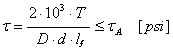
| | p 1 | pressure in the shaft [MPa] |
| | p 2 | pressure in the hub [MPa] |
| | p 1A | allowable pressure in the shaft [MPa] |
| | p 2A | allowable pressure in the hub [MPa] |
| | D | shaft diameter [mm] |
| | D 1 | hub diameter [mm] |
| | l f | active pin length [mm] |
Transferred torque

Shear stress check


where:
| | P | transferred power [HP] |
| | n | speed [rpm] |
| | T | torque [lb ft] |
| | τ | shear stress [psi] |
| | τ A | allowable shear stress [psi] |
| | d | pin diameter [in] |
| | p 1 | pressure in the shaft [psi] |
| | p 2 | pressure in the hub [psi |
| | p 1A | allowable pressure in the shaft [psi] |
| | p 2A | allowable pressure in the hub [psi] |
| | D | shaft diameter [in] |
| | D 1 | hub diameter [in] |
| | l f | active pin length [in] |