Acerca del formato de referencia cruzada de gráfico

Cuando utiliza el estilo de formato de referencia cruzada de gráfico, la imagen de vista preliminar cambia para mostrar el aspecto de la referencia cruzada en el dibujo.

Formato de fuente de gráfico

Muestra el formato de referencia cruzada mediante un tipo de letra gráfico de estilo JIC o IEC. El parámetro se aplica a la fuente de gráfico independientemente del modo de etiquetado asignado en las propiedades del proyecto. Dicho parámetro se toma de las propiedades del dibujo si no existen modificaciones de referencia cruzada especificadas en el componente insertado.

JIC

IEC

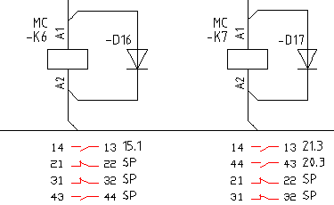
El siguiente ejemplo muestra referencias cruzadas junto al símbolo del formato de tipo de gráfico mientras que los contactos secundarios sin utilizar se muestran como referencias independientes. El valor de Llenar referencia con es "RS”.

JIC

IEC

Formato de asignación de contactos

Muestra el formato de referencia cruzada mediante valores de tipo de referencia cruzada (NA, NC, NANC).

JIC

IEC