Cotas de formas de sección de acero laminado en caliente

Revise y modifique los valores de los parámetros de cota de forma de sección de elementos de armazón estructural de acero laminado en caliente.

Estas propiedades de tipo se crean a partir del parámetro de categoría de familia Forma de sección que corresponde al elemento.

Forma de sección Parámetros de cota de forma disponibles
Estándar de tubería

D. Diámetro: el diámetro externo de la forma de sección redonda.

T. Grosor de diseño de pared: el grosor de diseño perpendicular entre la superficie interna y externa de una forma de sección.

t. Grosor nominal de pared: la distancia perpendicular media entre la superficie interna y externa de la forma de sección.

y. Centroide horizontal: la distancia desde el centroide de la forma de sección hasta las extremidades izquierdas del eje horizontal.

z. Centroide vertical: la distancia desde el centroide de la forma de sección hasta las extremidades inferiores del eje vertical.

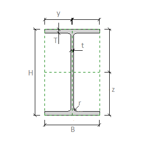
Ala paralela en I

B. Anchura: la anchura externa de la forma de sección.

H. Altura: la altura externa de la forma de sección.

T. Grosor de ala: la distancia entre las superficies exteriores del ala en la forma de sección.

t. Grosor de celosía: la distancia entre las superficies exteriores de la celosía en la forma de sección.

r. Empalme de celosía: el radio del empalme entre la celosía y el ala.

y. Centroide horizontal: la distancia desde el centroide de la forma de sección hasta las extremidades izquierdas del eje horizontal.

z. Centroide vertical: la distancia desde el centroide de la forma de sección hasta las extremidades inferiores del eje vertical.

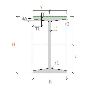
Ala inclinada en I

B. Anchura: la anchura externa de la forma de sección.

H. Altura: la altura externa de la forma de sección.

T. Grosor de ala: la distancia entre las superficies exteriores del ala en la forma de sección.

SI.Ubicación de espesor de ala: la distancia del extremo del ala inclinada a donde se mide el grosor de ala.

SA.Ángulo de ala inclinada: el ángulo entre el plano del alma inclinada y el plano horizontal en la forma de sección.

t. Grosor de celosía: la distancia entre las superficies exteriores de la celosía en la forma de sección.

r1. Empalme de celosía: el radio del empalme entre la celosía y el ala.

r2. Empalme de ala: el radio del empalme al final de un ala en la forma de sección.

y. Centroide horizontal: la distancia desde el centroide de la forma de sección hasta las extremidades izquierdas del eje horizontal.

z. Centroide vertical: la distancia desde el centroide de la forma de sección hasta las extremidades inferiores del eje vertical.

Ala ancha en I

B. Anchura: la anchura externa de la forma de sección.

H. Altura: la altura externa de la forma de sección.

T. Grosor de ala: la distancia entre las superficies exteriores del ala en la forma de sección.

t. Grosor de celosía: la distancia entre las superficies exteriores de la celosía en la forma de sección.

r. Empalme de celosía: el radio del empalme entre la celosía y el ala.

y. Centroide horizontal: la distancia desde el centroide de la forma de sección hasta las extremidades izquierdas del eje horizontal.

z. Centroide vertical: la distancia desde el centroide de la forma de sección hasta las extremidades inferiores del eje vertical.

Ala paralela de canal C

B. Anchura: la anchura externa de la forma de sección.

H. Altura: la altura externa de la forma de sección.

T. Grosor de ala: la distancia entre las superficies exteriores del ala en la forma de sección.

t. Grosor de celosía: la distancia entre las superficies exteriores de la celosía en la forma de sección.

r. Empalme de celosía: el radio del empalme entre la celosía y el ala.

y. Centroide horizontal: la distancia desde el centroide de la forma de sección hasta las extremidades izquierdas del eje horizontal.

z. Centroide vertical: la distancia desde el centroide de la forma de sección hasta las extremidades inferiores del eje vertical.

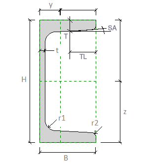
Ala inclinada de canal C

B. Anchura: la anchura externa de la forma de sección.

H. Altura: la altura externa de la forma de sección.

T. Grosor de ala: la distancia entre las superficies exteriores del ala en la forma de sección.

SI.Ubicación de espesor de ala: la distancia del extremo del ala inclinada a donde se mide el grosor de ala.

SA.Ángulo de ala inclinada: el ángulo entre el plano del alma inclinada y el plano horizontal en la forma de sección.

t. Grosor de celosía: la distancia entre las superficies exteriores de la celosía en la forma de sección.

r1. Empalme de celosía: el radio del empalme entre la celosía y el ala.

r2. Empalme de ala: el radio del empalme al final de un ala en la forma de sección.

y. Centroide horizontal: la distancia desde el centroide de la forma de sección hasta las extremidades izquierdas del eje horizontal.

z. Centroide vertical: la distancia desde el centroide de la forma de sección hasta las extremidades inferiores del eje vertical.

Ángulo en L

B. Anchura: la anchura externa de la forma de sección.

H. Altura: la altura externa de la forma de sección.

T. Grosor de ala: la distancia entre las superficies exteriores del ala en la forma de sección.

t. Grosor de celosía: la distancia entre las superficies exteriores de la celosía en la forma de sección.

r1. Empalme de celosía: el radio del empalme entre la celosía y el ala.

r2. Empalme de ala: el radio del empalme al final de un ala en la forma de sección.

r3.Empalme de ala superior: el radio del empalme a la parte superior de una celosía en la forma de sección.

y. Centroide horizontal: la distancia desde el centroide de la forma de sección hasta las extremidades izquierdas del eje horizontal.

z. Centroide vertical: la distancia desde el centroide de la forma de sección hasta las extremidades inferiores del eje vertical.

alfa. Ángulo de ejes principales: el ángulo de rotación entre los planos de referencia de los ejes principales y la sección transversal. Se muestra como un parámetro de la familia Análisis estructural.

Ala paralela en I dividida

B. Anchura: la anchura externa de la forma de sección.

H. Altura: la altura externa de la forma de sección.

T. Grosor de ala: la distancia entre las superficies exteriores del ala en la forma de sección.

t. Grosor de celosía: la distancia entre las superficies exteriores de la celosía en la forma de sección.

r. Empalme de celosía: el radio del empalme entre la celosía y el ala.

y. Centroide horizontal: la distancia desde el centroide de la forma de sección hasta las extremidades izquierdas del eje horizontal.

z. Centroide vertical: la distancia desde el centroide de la forma de sección hasta las extremidades inferiores del eje vertical.

Ala inclinada en I dividida

B. Anchura: la anchura externa de la forma de sección.

H. Altura: la altura externa de la forma de sección.

T. Grosor de ala: la distancia entre las superficies exteriores del ala en la forma de sección.

SI.Ubicación de espesor de ala: la distancia del extremo del ala inclinada a donde se mide el grosor de ala.

SA.Ángulo de ala inclinada: el ángulo entre el plano del alma inclinada y el plano horizontal en la forma de sección.

t. Grosor de celosía: la distancia entre las superficies exteriores de la celosía en la forma de sección.

r1. Empalme de celosía: el radio del empalme entre la celosía y el ala.

r2. Empalme de ala: el radio del empalme al final de un ala en la forma de sección.

y. Centroide horizontal: la distancia desde el centroide de la forma de sección hasta las extremidades izquierdas del eje horizontal.

z. Centroide vertical: la distancia desde el centroide de la forma de sección hasta las extremidades inferiores del eje vertical.

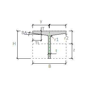
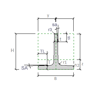
Tes estructurales

B. Anchura: la anchura externa de la forma de sección.

H. Altura: la altura externa de la forma de sección.

SI.Ubicación de espesor de ala: la distancia del extremo del ala inclinada a donde se mide el grosor de ala.

SA.Ángulo de ala inclinada: el ángulo entre el plano del alma inclinada y el plano horizontal en la forma de sección.

t. Grosor de celosía: la distancia entre las superficies exteriores de la celosía en la forma de sección.

tl.Ubicación de grosor de alma: la distancia del extremo del alma inclinada a donde se mide el grosor de alma.

sa.Ángulo de alma inclinada: el ángulo entre el plano del alma inclinada y el plano vertical en la forma de sección.

r1. Empalme de celosía: el radio del empalme entre la celosía y el ala.

r2. Empalme de ala: el radio del empalme al final de un ala en la forma de sección.

r3.Empalme de ala superior: el radio del empalme a la parte superior de una celosía en la forma de sección.

y. Centroide horizontal: la distancia desde el centroide de la forma de sección hasta las extremidades izquierdas del eje horizontal.

z. Centroide vertical: la distancia desde el centroide de la forma de sección hasta las extremidades inferiores del eje vertical.