Colocar un acoplador de armadura

Asocie ejemplares de armadura adyacentes o solapados a un acoplador.

Vídeo: Colocar acopladores de armadura

  1. Haga clic en la ficha Estructura grupo Refuerzo (Acoplador de armadura).
  2. Haga clic para ver cómo se coloca el acoplador:
    • Ficha Modificar | Insertar acoplador de armadura grupo Opciones de colocación (Colocar en extremo de barra)
    • Ficha Modificar | Insertar acoplador de armadura grupo Opciones de colocación (Colocar entre dos barras)
  3. En el Selector de tipo, situado en la parte superior de la paleta Propiedades, seleccione el tipo de acoplador de armadura que desee. El tamaño del acoplador de armadura se ajustará automáticamente para que coincida con las barras que intenta conectar o con los tamaños establecidos para las barras que ya están conectadas. Si no existe un tipo de acoplador coincidente en el proyecto, se creará uno nuevo.
  4. Coloque el acoplador en la armadura.
    • Para colocarlo en el extremo de una barra, seleccione el extremo deseado de la armadura.
    • Para colocarlo entre dos barras, seleccione dos ejemplares de armadura válidos. La segunda barra seleccionada cambiará de posición y se acortará según sea necesario para el acoplador.
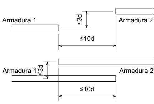
      Para que un acoplador conecte dos ejemplares de armadura, la distancia entre los extremos conectados no debe exceder 10 diámetros de las barras. Las barras no se pueden desfasar más de 3 diámetros de las barras entre sí.

      Tolerancia de colocación del acoplador

Colocar un acoplador de armadura entre barras en arco

Para colocar un acoplador de armadura entre dos barras en arco, las dos barras deben tener el mismo centro.


No tangente.

Tangente.

No tangente.

Consejo: Para conectar barras que no estén alineadas, añada un acoplador a una de las barras y cambie el tratamiento de extremo a la otra barra para que se pueda fabricar para la conexión de acoplador.