Dans cet exercice, vous allez apprendre à utiliser les commandes REM pour modifier une image raster.
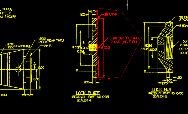
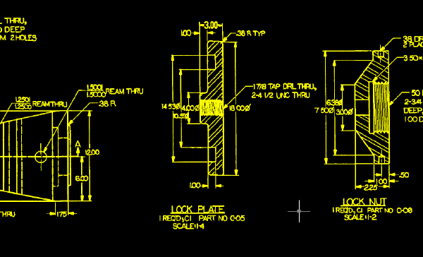
Vous allez modifier une plaquette de frein qui fait partie d'un dispositif de perçage, de façon à augmenter l'épaisseur de la partie arrière de la plaquette, puis mettre à jour le texte de cote en fonction du changement d'épaisseur.
Avant de réaliser cet exercice, assurez-vous que les options du jeu d’outils AutoCAD Raster Design sont définies comme indiqué dans l'exercice Exercice A1 : définition des options du jeu d’outils AutoCAD Raster Design.
groupe de fonctions Vues nommées
Gestionnaire de vues
. Développez ensuite le nœud Vues des modèles et sélectionnez la vue nommée TU_lock_plate, cliquez sur Définir courant, puis sur OK.
Division de la plaquette de frein en deux parties
groupe de fonctions REM
menu déroulant Créer une région
Région polygonale
.

Cette action crée un espace vide dans l'image raster. Vous devez fusionner l'objet région avec l'image avant d'apporter d'autres modifications à la pièce.
Fermeture de la ligne horizontale supérieure
groupe de fonctions Vues nommées
Gestionnaire de vues
. Développez ensuite le nœud Vues des modèles et sélectionnez la vue nommée TU_2.75, cliquez sur Définir courant, puis sur OK.
groupe de fonctions REM
menu déroulant Créer une primitive
Ligne
. Sélectionnez la ligne horizontale en haut de la plaquette de frein.
La ligne devient un objet primitif.

Fermeture de la ligne horizontale inférieure
groupe de fonctions Vues nommées
Gestionnaire de vues
. Développez ensuite le nœud Vues des modèles et sélectionnez la vue TU_bottom, cliquez sur Définir courant, puis sur OK.
groupe de fonctions REM
menu déroulant Créer une primitive
Ligne
. Sélectionnez la ligne horizontale en bas de la plaquette de frein.
La ligne devient un objet primitif.

Fermeture des lignes de taraudage
groupe de fonctions Vues nommées
Gestionnaire de vues
. Développez ensuite le nœud Vues des modèles et sélectionnez la vue TU_thread, cliquez sur Définir courant, puis sur OK.
groupe de fonctions REM
menu déroulant Créer une région
Région rectangulaire
.
Vous pouvez ensuite copier l'objet pour combler l'espace vide entre ces lignes.


Tout effacer dans le menu contextuel.
Remplacement du texte de cote
Vous allez maintenant modifier le texte de cote en remplaçant 2.75 par 3 pour indiquer la nouvelle épaisseur de la plaquette de frein.
groupe de fonctions Vues nommées
Gestionnaire de vues
. Développez ensuite le nœud Vues des modèles et sélectionnez la vue nommée TU_2.75, cliquez sur Définir courant, puis sur OK.
groupe de fonctions Vectoriser et reconnaître le texte
menu déroulant Texte
Texte
. Sélectionnez ensuite un point à la base du chiffre 2, sur la gauche.
Le réticule indique où sélectionner un point pour placer un nouveau texte de cote.

Le jeu d’outils AutoCAD Raster Design place le nouveau texte de cote au point sélectionné. Sur la ligne de commande, une option de fenêtre étendue vous permet de supprimer le texte raster. Vous l'utiliserez pour effacer le texte raster 2.75.
groupe de fonctions Modifier (développé)
Plume raster
.
L'exemple suivant montre où sélectionner les deux points qui déterminent l'épaisseur de la plume raster pour le nouveau texte de cote. Lorsque vous créez un texte raster à partir du texte de cote du vecteur, la largeur du texte doit être adaptée aux lignes d'étude de l'image.

L'exemple suivant montre comment l'image doit apparaître une fois que vous avez remplacé l'ancien texte de cote par le nouveau texte raster créé à partir du texte de cote du vecteur.

Vérification des modifications apportées à la plaquette de frein
groupe de fonctions Vues nommées
Gestionnaire de vues
. Développez ensuite le nœud Vues des modèles et sélectionnez la vue nommée TU_lock_plate, cliquez sur Définir courant, puis sur OK.
Cet exemple montre comment la plaquette de frein et son texte de cote doivent apparaître une fois que vous les avez mis à jour.
