| Propriété | Exemple | Description |
|---|---|---|
|
Rappeler le point : Code utilisé pour connecter la figure active avec un segment à partir du dernier point ou d'un identificateur de point spécifié. |
EP1 RPN EP1 RPN101 |
EP1 est le nom de la figure qui permet de poursuivre une figure active si le nom correspond. RPN correspond au code Rappeler le point. S'il n'y a aucun point, il se connecte au point courant à partir du point précédent et insère un segment avant le point courant. Le code EP1 RPN101 se connecte au point indiqué à partir du point courant. |
|
Connecter un point : Code utilisé pour indiquer la création d'une nouvelle figure (du même objet) avec un segment de ligne unique, du point courant à l'identificateur de point spécifié. L'identificateur de point spécifié suit le code Connecter un point. |
EP1 B CPN101 |
Dans cet exemple, une nouvelle figure est créée au niveau du point courant et une autre nouvelle figure avec un segment de ligne unique est dessinée au point 101, appelé EP1.CPN101. Le nom de la figure peut être modifié à l'aide de la commande Propriétés de la figure. |
|
Le code Connecter un point crée toujours une figure composée d'un segment de ligne unique. L'illustration suivante est un exemple du code Connecter un point : ![]() |
||
|
Rectangle : Code utilisé pour décaler le segment entrant au niveau du point courant en fonction du nombre spécifié. |
BLD1 <Rectangle>40 |
Un nombre positif indique un décalage à droite, un nombre négatif indique un décalage à gauche, en fonction du sens du segment de ligne entrant au niveau du point courant. Si aucun nombre ne suit le code Rectangle, ce code ferme la figure en créant une intersection ligne perpendiculaire/perpendiculaire entre le segment précédent entrant au niveau du point courant et le premier segment de la figure. Remarque :
Un code Rectangle sans nombre requiert au moins trois points déjà situés sur la figure courante. |
|
L'illustration suivante représente le code Rectangle avec une valeur spécifiée de 40 : ![]() |
||
|
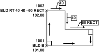
Bifurcation à droite : Code utilisé avec un code de segment de ligne permettant d'insérer des sommets supplémentaires perpendiculairement dans la figure ou en tant qu'extensions (décalages droits). |
BLD1 RT X10.1 5 -12.2 -5 -12.2 |
Poursuit une figure active BLD1 à partir du point courant, étend le segment courant de 10.1 unités, puis dessine des segments perpendiculaires pour chaque valeur. Les valeurs de décalage et les codes <Etendre> ou <Rectangle> suivent le code <Bifurcation à droite>. Les nombres positifs indiquent un raccourcissement à droite et les nombres négatifs indiquent un raccourcissement à gauche. Remarque :
Utilisez <Etendre><Valeur> pour que l'extension continue devant si vous utilisez un nombre positif ou derrière si vous utilisez un nombre négatif. Remarque :
Utilisez le code <Rectangle> pour compléter le code <Bifurcation à droite>, en fermant le segment initial à l'arrière en tant qu'intersection perpendiculaire/ligne perpendiculaire à partir du segment de ligne de la figure courante. |
|
L'illustration suivante présente des exemples de code Bifurcation à droite et de code Rectangle : ![]() |
||
|
Etendre : Code utilisé pour étendre un segment de ligne après le point courant en utilisant une valeur positive ou raccourcir un segment de ligne à partir du point courant en utilisant une valeur négative. |
BLD1 X15.5 |
BLD1 permet de poursuivre une figure active, X correspond au code Etendre et 15.5 est la valeur à laquelle le segment de ligne de la figure est étendu à partir du point courant. |
|
Les illustrations suivantes présentent des exemples de code Etendre, de code Bifurcation à droite et de code Rectangle : ![]() |
||