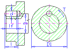
Valeurs recommandées
d = (0.12 - 0.25) D
l = (1 - 1.5) D
Longueur active de broche
La longueur active de broche l f est la longueur réduite par le chanfrein et le congé de dent. La longueur active supporte généralement la charge.
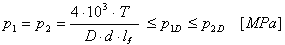
Formules en unités métriques
Couple transféré
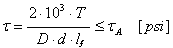
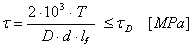
Vérification de la contrainte de cisaillement
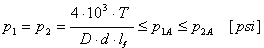
Vérification de la pression de contact
où :
|
P |
puissance transférée [kW] |
|
|
n |
vitesse [rpm] |
|
|
T |
couple [Nm] |
|
| τ |
contrainte de cisaillement [MPa] |
|
|
τ A |
contrainte de cisaillement admissible [MPa] |
|
|
d |
diamètre de la broche [mm] |
|
|
p 1 |
pression dans l'arbre [MPa] |
|
|
p 2 |
pression dans le moyeu [MPa] |
|
|
p 1A |
pression admissible dans l'arbre [MPa] |
|
|
p 2A |
pression admissible dans le moyeu [MPa] |
|
|
D |
diamètre de l'arbre [mm] |
|
|
D 1 |
diamètre du moyeu [mm] |
|
|
l f |
longueur active de la broche [mm] |
Formules en unités anglo-saxonnes
Couple transféré
Vérification de la contrainte de cisaillement
Vérification de la pression de contact
où :
|
P |
puissance transférée [HP] |
|
|
n |
vitesse [rpm] |
|
|
T |
couple [lb ft] |
|
| τ |
contrainte de cisaillement [psi] |
|
|
τ A |
contrainte de cisaillement admissible [psi] |
|
|
d |
diamètre de la broche [po] |
|
|
p 1 |
pression dans l'arbre [psi] |
|
|
p 2 |
pression dans le moyeu [psi]0 |
|
|
p 1A |
pression admissible dans l'arbre [psi] |
|
|
p 2A |
pression admissible dans le moyeu [psi] |
|
|
D |
diamètre de l'arbre [po] |
|
|
D 1 |
diamètre du moyeu [po] |
|
|
l f |
longueur active de la broche [po] |