Cotes de forme de coupe en acier laminé à chaud

Passez en revue et modifiez les valeurs des paramètres de cote de forme de coupe des éléments d'ossature en acier laminé à chaud.

Ces propriétés de type sont créées à partir du paramètre de catégorie de famille Forme de coupe de l'élément.

Forme de coupe Paramètres de forme de cote disponibles
Canalisation standard

D. Diamètre : diamètre externe de la forme de coupe circulaire.

T. Epaisseur de conception du mur : épaisseur de conception perpendiculaire entre les surfaces extérieure et intérieure d'une forme de coupe.

t. Epaisseur nominale du mur : distance perpendiculaire moyenne entre les surfaces intérieure et extérieure de la forme de coupe.

y. Centre de gravité horizontal : distance entre le centre de gravité de la forme de coupe et les extrémités de gauche le long de l'axe horizontal.

z. Centre de gravité vertical : distance entre le centre de gravité de la forme de coupe et les extrémités inférieures le long de l'axe vertical.

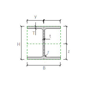
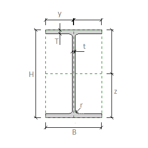
Eléments à ailes parallèles en I

B. Largeur : largeur externe de la forme de coupe.

H. Hauteur : hauteur externe de la forme de coupe.

T. Epaisseur de l'aile : distance entre les surfaces extérieures de l'aile dans la forme de la coupe.

t. Epaisseur de l'âme : distance entre les surfaces extérieures de l'âme dans la forme de coupe.

r. Congé de l'âme : rayon du congé entre l'âme et l'aile.

y. Centre de gravité horizontal : distance entre le centre de gravité de la forme de coupe et les extrémités de gauche le long de l'axe horizontal.

z. Centre de gravité vertical : distance entre le centre de gravité de la forme de coupe et les extrémités inférieures le long de l'axe vertical.

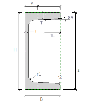
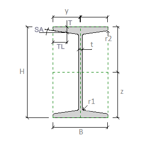
Eléments à ailes inclinées en I

B. Largeur : largeur externe de la forme de coupe.

H. Hauteur : hauteur externe de la forme de coupe.

T. Epaisseur de l'aile : distance entre les surfaces extérieures de l'aile dans la forme de la coupe.

TL.Emplacement de l'épaisseur de l'aile : la distance entre l'extrémité de l'aile inclinée et l'emplacement où l'épaisseur de l'aile est mesurée.

SA.Angle de l'aile inclinée : angle entre le plan de l'aile inclinée et le plan horizontal dans la forme de coupe.

t. Epaisseur de l'âme : distance entre les surfaces extérieures de l'âme dans la forme de coupe.

r1. Congé de l'âme : rayon du congé entre l'âme et l'aile.

r2. Congé de l'aile : rayon du congé à l'extrémité d'une aile dans la forme de coupe.

y. Centre de gravité horizontal : distance entre le centre de gravité de la forme de coupe et les extrémités de gauche le long de l'axe horizontal.

z. Centre de gravité vertical : distance entre le centre de gravité de la forme de coupe et les extrémités inférieures le long de l'axe vertical.

Eléments à ailes larges en I

B. Largeur : largeur externe de la forme de coupe.

H. Hauteur : hauteur externe de la forme de coupe.

T. Epaisseur de l'aile : distance entre les surfaces extérieures de l'aile dans la forme de la coupe.

t. Epaisseur de l'âme : distance entre les surfaces extérieures de l'âme dans la forme de coupe.

r. Congé de l'âme : rayon du congé entre l'âme et l'aile.

y. Centre de gravité horizontal : distance entre le centre de gravité de la forme de coupe et les extrémités de gauche le long de l'axe horizontal.

z. Centre de gravité vertical : distance entre le centre de gravité de la forme de coupe et les extrémités inférieures le long de l'axe vertical.

Profilé en C à ailes parallèles

B. Largeur : largeur externe de la forme de coupe.

H. Hauteur : hauteur externe de la forme de coupe.

T. Epaisseur de l'aile : distance entre les surfaces extérieures de l'aile dans la forme de la coupe.

t. Epaisseur de l'âme : distance entre les surfaces extérieures de l'âme dans la forme de coupe.

r. Congé de l'âme : rayon du congé entre l'âme et l'aile.

y. Centre de gravité horizontal : distance entre le centre de gravité de la forme de coupe et les extrémités de gauche le long de l'axe horizontal.

z. Centre de gravité vertical : distance entre le centre de gravité de la forme de coupe et les extrémités inférieures le long de l'axe vertical.

Profilé en C à ailes inclinées

B. Largeur : largeur externe de la forme de coupe.

H. Hauteur : hauteur externe de la forme de coupe.

T. Epaisseur de l'aile : distance entre les surfaces extérieures de l'aile dans la forme de la coupe.

TL.Emplacement de l'épaisseur de l'aile : la distance entre l'extrémité de l'aile inclinée et l'emplacement où l'épaisseur de l'aile est mesurée.

SA.Angle de l'aile inclinée : angle entre le plan de l'aile inclinée et le plan horizontal dans la forme de coupe.

t. Epaisseur de l'âme : distance entre les surfaces extérieures de l'âme dans la forme de coupe.

r1. Congé de l'âme : rayon du congé entre l'âme et l'aile.

r2. Congé de l'aile : rayon du congé à l'extrémité d'une aile dans la forme de coupe.

y. Centre de gravité horizontal : distance entre le centre de gravité de la forme de coupe et les extrémités de gauche le long de l'axe horizontal.

z. Centre de gravité vertical : distance entre le centre de gravité de la forme de coupe et les extrémités inférieures le long de l'axe vertical.

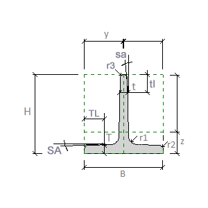
Angle en L

B. Largeur : largeur externe de la forme de coupe.

H. Hauteur : hauteur externe de la forme de coupe.

T. Epaisseur de l'aile : distance entre les surfaces extérieures de l'aile dans la forme de la coupe.

t. Epaisseur de l'âme : distance entre les surfaces extérieures de l'âme dans la forme de coupe.

r1. Congé de l'âme : rayon du congé entre l'âme et l'aile.

r2. Congé de l'aile : rayon du congé à l'extrémité d'une aile dans la forme de coupe.

r3.Congé d'âme supérieur : rayon du congé à l'extrémité supérieure d'une âme dans la forme de coupe.

y. Centre de gravité horizontal : distance entre le centre de gravité de la forme de coupe et les extrémités de gauche le long de l'axe horizontal.

z. Centre de gravité vertical : distance entre le centre de gravité de la forme de coupe et les extrémités inférieures le long de l'axe vertical.

alpha. Angle des axes principaux : angle de rotation entre les axes principaux et les plans de référence de la coupe. Cette option est répertoriée en tant que paramètre de famille Analyse structurelle.

Eléments à ailes parallèles en I

B. Largeur : largeur externe de la forme de coupe.

H. Hauteur : hauteur externe de la forme de coupe.

T. Epaisseur de l'aile : distance entre les surfaces extérieures de l'aile dans la forme de la coupe.

t. Epaisseur de l'âme : distance entre les surfaces extérieures de l'âme dans la forme de coupe.

r. Congé de l'âme : rayon du congé entre l'âme et l'aile.

y. Centre de gravité horizontal : distance entre le centre de gravité de la forme de coupe et les extrémités de gauche le long de l'axe horizontal.

z. Centre de gravité vertical : distance entre le centre de gravité de la forme de coupe et les extrémités inférieures le long de l'axe vertical.

Eléments à ailes inclinées en I

B. Largeur : largeur externe de la forme de coupe.

H. Hauteur : hauteur externe de la forme de coupe.

T. Epaisseur de l'aile : distance entre les surfaces extérieures de l'aile dans la forme de la coupe.

TL.Emplacement de l'épaisseur de l'aile : la distance entre l'extrémité de l'aile inclinée et l'emplacement où l'épaisseur de l'aile est mesurée.

SA.Angle de l'aile inclinée : angle entre le plan de l'aile inclinée et le plan horizontal dans la forme de coupe.

t. Epaisseur de l'âme : distance entre les surfaces extérieures de l'âme dans la forme de coupe.

r1. Congé de l'âme : rayon du congé entre l'âme et l'aile.

r2. Congé de l'aile : rayon du congé à l'extrémité d'une aile dans la forme de coupe.

y. Centre de gravité horizontal : distance entre le centre de gravité de la forme de coupe et les extrémités de gauche le long de l'axe horizontal.

z. Centre de gravité vertical : distance entre le centre de gravité de la forme de coupe et les extrémités inférieures le long de l'axe vertical.

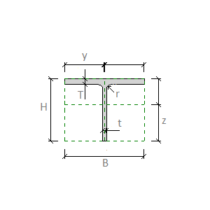
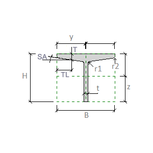
Profilés en T

B. Largeur : largeur externe de la forme de coupe.

H. Hauteur : hauteur externe de la forme de coupe.

TL.Emplacement de l'épaisseur de l'aile : la distance entre l'extrémité de l'aile inclinée et l'emplacement où l'épaisseur de l'aile est mesurée.

SA.Angle de l'aile inclinée : angle entre le plan de l'aile inclinée et le plan horizontal dans la forme de coupe.

t. Epaisseur de l'âme : distance entre les surfaces extérieures de l'âme dans la forme de coupe.

tl.Emplacement de l'épaisseur de l'âme : distance entre l'extrémité de l'âme inclinée et l'emplacement où l'épaisseur de l'âme est mesurée.

sa.Angle de l'âme inclinée : l'angle entre le plan de l'âme inclinée et le plan vertical dans la forme de coupe.

r1. Congé de l'âme : rayon du congé entre l'âme et l'aile.

r2. Congé de l'aile : rayon du congé à l'extrémité d'une aile dans la forme de coupe.

r3.Congé d'âme supérieur : rayon du congé à l'extrémité supérieure d'une âme dans la forme de coupe.

y. Centre de gravité horizontal : distance entre le centre de gravité de la forme de coupe et les extrémités de gauche le long de l'axe horizontal.

z. Centre de gravité vertical : distance entre le centre de gravité de la forme de coupe et les extrémités inférieures le long de l'axe vertical.