Ebben a szakaszban szerepel néhány, a csőhálózati alkatrészekkel kapcsolatban gyakran használt kifejezés magyarázata.
Műtárgyakkal kapcsolatos kifejezések
-
Perem. Akna vagy víznyelő medence (csatlakozás) műtárgy tetejének a szintmagassága.
-
Keret. Aknaborító vagy víznyelő medence rácsának megtámasztása. A keret, a borító és a rács tetejének szintmagassága általában egybeesik a beillesztési (perem) magassággal.
-
Borító. Az akna karbantartáskor és ellenőrzéskor használt felső nyílásának borítója. A borítók általában kör alakúak, de lehetnek háromszög alakúak is, hogy leemeléskor ne essenek az aknába. A borító a keretben ül, és általában öntöttvasból készül.
-
Rács. A víznyelő medence felső nyílása, amely általában több nyílást tartalmaz, hogy a felszíni víz a műtárgyba juthasson. Az általában öntöttvasból készült rács a keretben ül. A rácsok alakja lehet különböző, de leggyakrabban kör vagy négyzet alakúak.
-
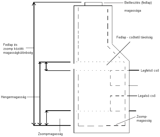
Zsomp és zsompmélység. A zsomp szó csomóponti műtárgyak alsó területére vagy belső kamrájára utal, például víznyelő medencére. A zsomp terület néha tározóként szolgál a hulladék felfogására. A zsompmélység a műtárgy belső részének alja és az összes csatlakozó csővezeték folyásfenekének legmélyebb pontja közötti távolság. A zsompmélység egy adott műtárgytípusnál a tervezési igényektől függően változhat. Az aknáknak általában nincs zsompmélységük.
A következő ábra a részegységek helyét mutatja be egy általános csomóponti műtárgyon.
Csővezetékekkel kapcsolatos kifejezések
-
Folyásfenék. Egy cső aljának belső szintmagassága. Másik elnevezése a folyásvonal.
-
Tető vagy belső felső magasság. Egy cső tetejének belső szintmagassága.
-
Csőtengely szintmagassága. Egy cső tengelyvonalának a szintmagassága.
-
Takarás vagy mélység. A csővezeték legfelső külső pontja feletti anyag vastagságát jelenti.
-
Lejtés. Ha a lejtés szó egy cső lejtésére vonatkozik, akkor az a meredekségének mértékét jelenti. Csővezetékeknél a lejtés értéke az emelkedés (vagy süllyedés) és a hossz hányadosa. Az emelkedés egy vízszintesen mért hosszúságú csőszakasz két végpontjának magasságkülönbsége. A lejtés értéke rendszerint százalékban van megadva. A 2%-os lejtésű cső például azt jelenti, hogy az adott cső 100 láb hosszon 2 lábnyit lejt. Az Autodesk Civil 3D programban a lejtés különböző módokon ábrázolható a rajz párbeszédpaneljeiben és feliratain. A pozitív csőlejtés azt jelzi, hogy a cső az áramlás irányába lejt. A negatív csőlejtés kedvezőtlen csőlejtés, amely azt jelzi, hogy a cső az áramlás irányába emelkedik.
