Il materiale Viscoelastico viene utilizzato solo nelle analisi non lineari. Dopo aver selezionato Viscoelastico dall'elenco a discesa Tipo, saranno disponibili le seguenti sezioni relative al materiale: Generale, Strutturale, Viscoelastico e Funzione dati sperimentali.
-
Generale e Strutturale
- È possibile inserire il modulo di Young, il modulo di taglio, il coefficiente di Poisson, il coefficiente di espansione termica e la densità della massa in Generale e Strutturale.
-
Viscoelastico
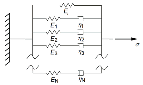
- Per la viscoelasticità viene utilizzato il modello di Maxwell generalizzato. La sollecitazione deviatorica è data da:
dove la sollecitazione in corrispondenza di ogni componente di distensione viene calcolata da:
e
e
sono le sollecitazioni deviatoriche senza distensione.
- La distensione viscoelastica si verifica nel modulo di taglio e/o nel modulo di compressibilità. Il modulo E nella figura seguente deve essere interpretato come modulo di taglio G o modulo di compressibilità K.
dove
= rigidità in un tempo infinito
= rigidità nel momento iniziale
dove
dove
dove
I termini
e
vengono definiti tramite l'immissione di dati cumulativi TABVE dove
.
- Le proprietà viscoelastiche del materiale dipendono in gran parte dalla temperatura. Invece di stimare le proprietà del materiale a temperature diverse, viene utilizzata la cosiddetta ipotesi di semplicità termoreologica, in cui la curva di distensione a temperatura elevata è identica a quella a bassa temperatura quando il tempo viene scalato correttamente. I tempi di distensione nella serie di Prony vengono scalati in base alla seguente equazione:
dove sono supportate due diverse funzioni di scala.
William-Landel-Ferry:
Arrhenius:
Di conseguenza, le costanti C1 e C2 vengono definite in base allo SHIFT, selezione delle funzioni di scala.
-
Funzione dati sperimentali
- È possibile definire le funzioni di scala per moduli diversi, ad esempio funzione di distensione del modulo di taglio/compressibilità rispetto ai coefficienti di decadimento.
- G0 e K0 sono lo zeresimo termine della rappresentazione, rispettivamente, del modulo di taglio o del modulo di compressibilità.
- Se non si definiscono GFUNC e KFUNC, verranno utilizzati i valori E, G e NU per definire le impostazioni di default.